GM Service Manual Online
For 1990-2009 cars only
Makes
🢒
Buick
🢒
2000
🢒
Regal
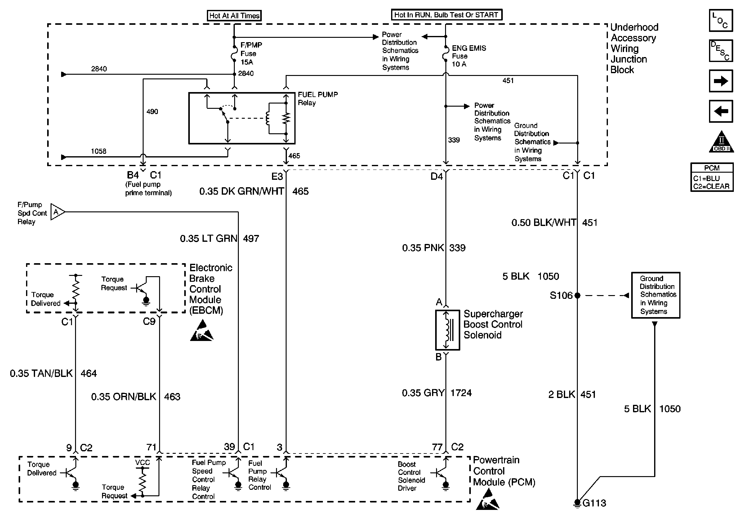
🢒 EBCM Input and Supercharger Boost Control Solenoid (L67 Only)
EBCM Input and Supercharger Boost Control Solenoid (L67 Only)
EBCM Input and Supercharger Boost Control Solenoid (L67 Only)
Fuel Tank Input/Output (L67 Only)
Handling ESD Sensitive Parts Notice
UAWJB
G100, G113 and G113
G100, G113 and G113
G100, G113 and G113
Handling ESD Sensitive Parts Notice
Instrument Panel, Gages, and Console Component Views
Instrument Cluster Circuit Description
Fuel Injectors
Fuel Tank Input/Output (L67 Only)
OBD II Symbol Description Notice