GM Service Manual Online
For 1990-2009 cars only
Makes
🢒
Buick
🢒
2000
🢒
Regal
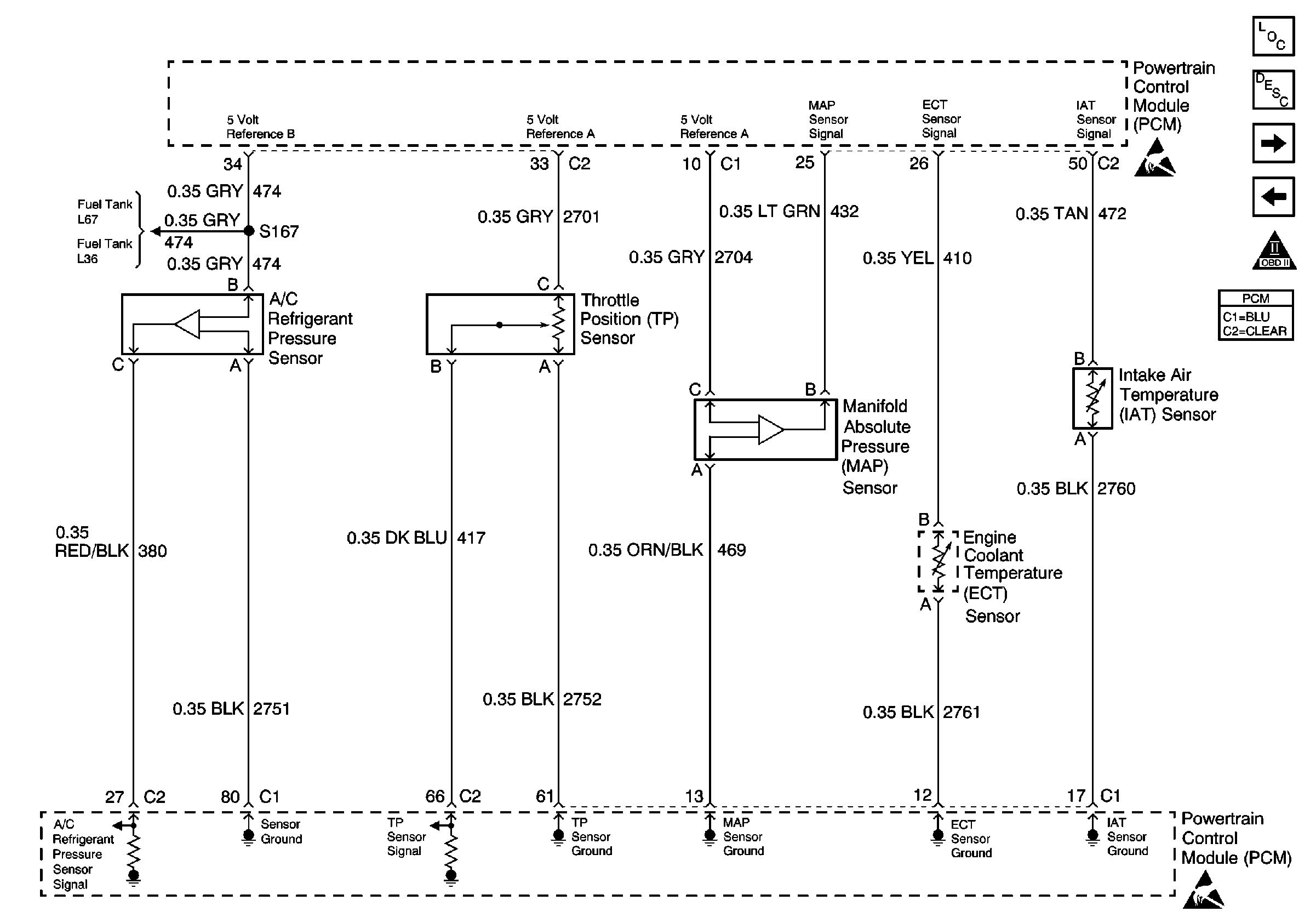
🢒 A/C Pressure Switch, Throttle Position Sensor, MAP Sensor, ECT Sensor and IAT Sensor
A/C Pressure Switch, Throttle Position Sensor, MAP Sensor, ECT Sensor and IAT Sensor
A/C Pressure Switch, Throttle Position Sensor, MAP Sensor, ECT Sensor and IAT Sensor
Handling ESD Sensitive Parts Notice
Handling ESD Sensitive Parts Notice
Instrument Panel, Gages, and Console Component Views
Instrument Cluster Circuit Description
Heated Oxygen Sensors
Fuel Injectors
OBD II Symbol Description Notice