GM Service Manual Online
For 1990-2009 cars only
Makes
🢒
Buick
🢒
2000
🢒
Regal
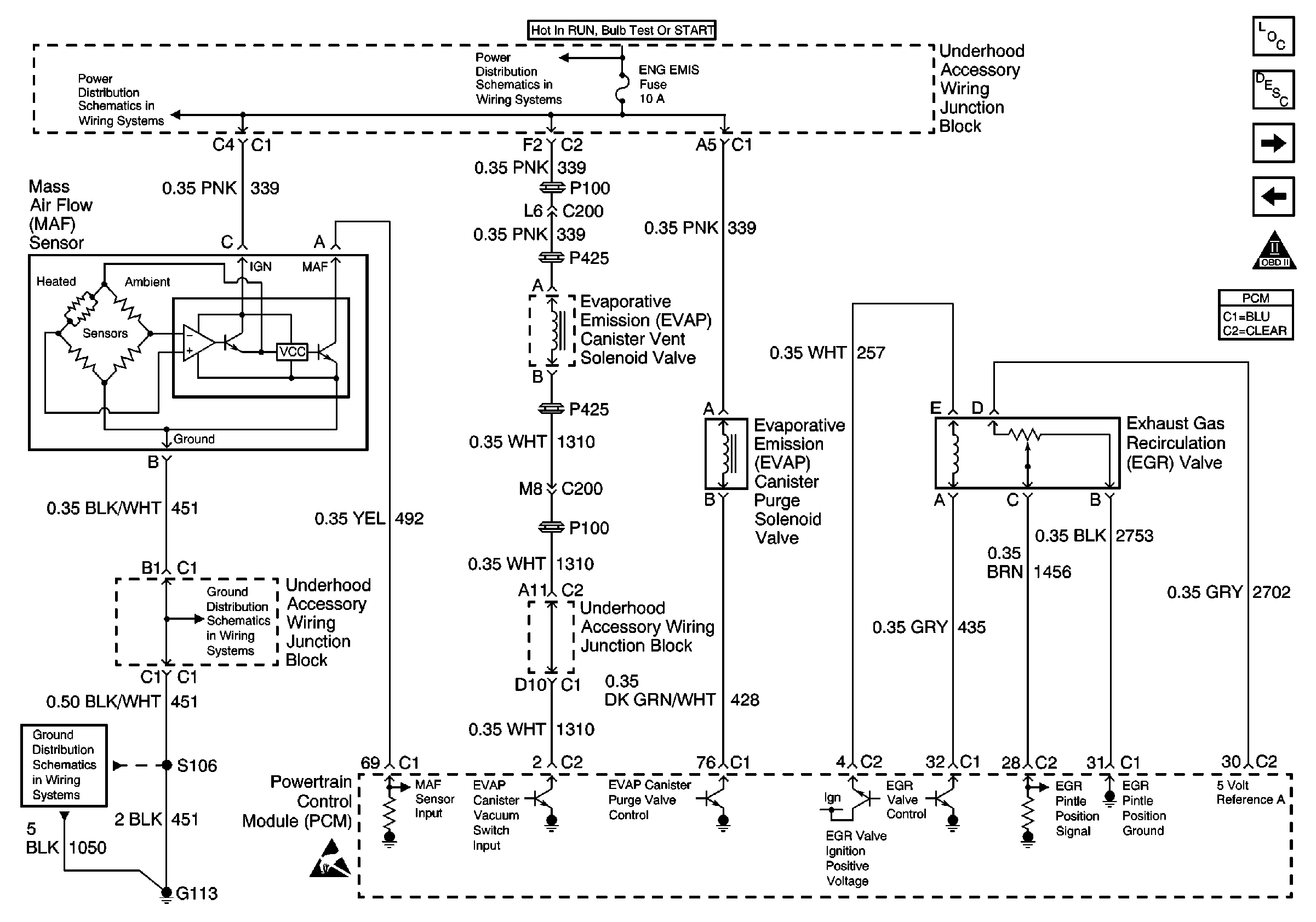
🢒 MAF Sensor, EVAP Canister Vent/Purge Solenoid Valve and EGR Valve
MAF Sensor, EVAP Canister Vent/Purge Solenoid Valve and EGR Valve
MAF Sensor, EVAP Canister Vent/Purge Solenoid Valve and EGR Valve
UAWJB, Stop Lamp Switch, EVAP, MAF Secondary Air Injection Bypass Valve Solenoid
UAWJB, Stop Lamp Switch, EVAP, MAF Secondary Air Injection Bypass Valve Solenoid
G100, G113 and G113
G100, G113 and G113
Handling ESD Sensitive Parts Notice
Instrument Panel, Gages, and Console Component Views
Instrument Cluster Circuit Description
IAC, Engine Oil Level/Pressure Switch
Heated Oxygen Sensors
OBD II Symbol Description Notice