GM Service Manual Online
For 1990-2009 cars only

Refer to Engine Controls Schematics

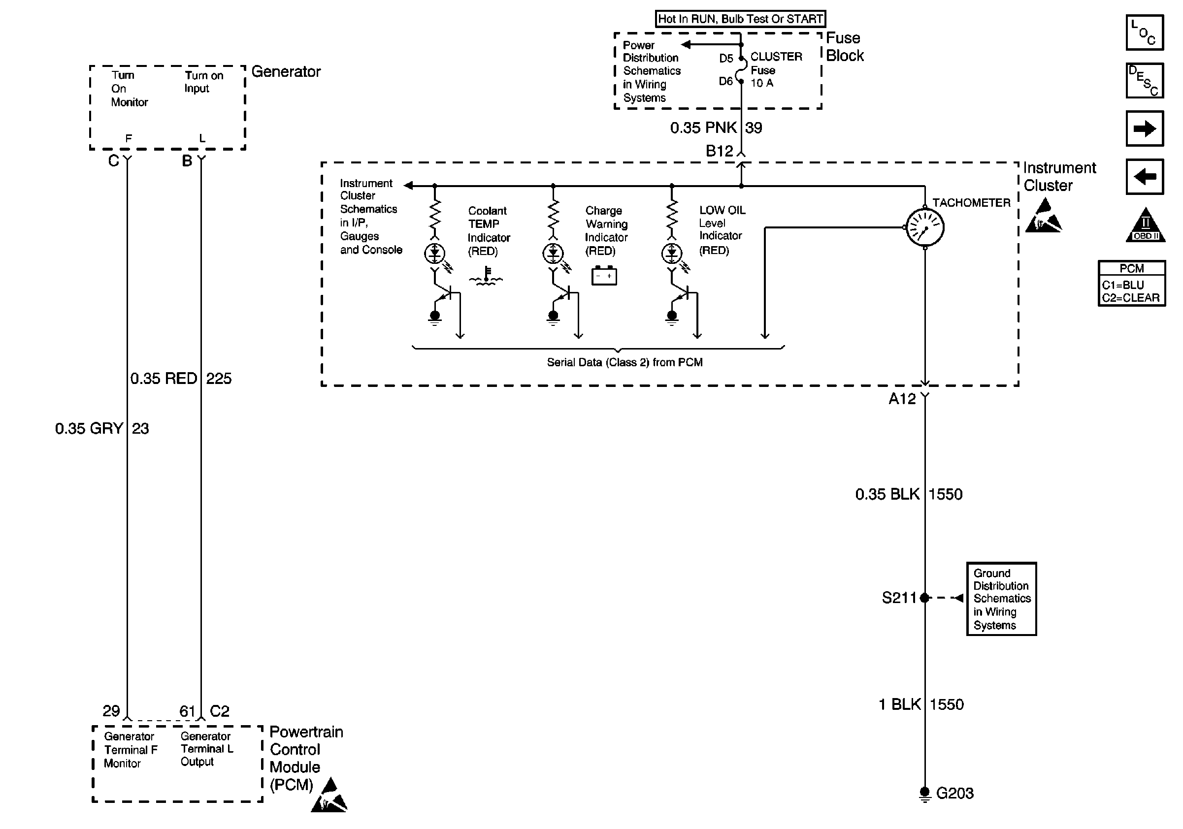
Generator and Class 2 Serial Data


Object Number: 589924  Size: FS
Handling ESD Sensitive Parts Notice
UAWJB, Ignition Switch, and Fuse Block
Handling ESD Sensitive Parts Notice
G203
Instrument Panel, Gages, and Console Component Views
Instrument Cluster Circuit Description
Transaxle Range Switch Inputs and Starter Solenoid
Cruise Control Module, Secondary AIR Reaction Pump Motor and VSS
OBD II Symbol Description Notice
for a wiring diagram.

Circuit Description

The powertrain control module (PCM) monitors system voltage on the PCM ignition feed circuit. If the system voltage is out of tolerance, when the conditions are present, operation of some vehicle systems and components may be affected. DTC P0560 will set.

Conditions for Running the DTC

The engine is running.

Conditions for Setting the DTC

    • System voltage monitored at the PCM ignition feed circuit is less than 9 volts or more than 16 volts.
    • The above conditions are present for longer than 25 seconds.

Action Taken When the DTC Sets

The PCM stores conditions which were present when the DTC set as Failure Records only. This information will not be stored as Freeze Frame Records.

Conditions for Clearing the MIL/DTC

    • The DTC becomes history when the conditions for setting the DTC are no longer present.
    • The history DTC clears after 40 malfunction free warm-up cycles.
    • The PCM receives a clear code command from the scan tool.

Diagnostic Aids

Inspect for the following conditions:

Important: Be sure to inspect PCM engine grounds for being secure and clean.

Important: Charging with a battery charger while starting the engine can cause DTC P0560 to set.

For complete information and additional diagnostics for the vehicle charging system, refer to Diagnostic System Check - Engine Electrical in Engine Electrical.

Many situations may lead to an intermittent condition. Perform each inspection or test as directed.

Important: :  Remove any debris from the connector surfaces before servicing a component. Inspect the connector gaskets when diagnosing or replacing a component. Ensure that the gaskets are installed correctly. The gaskets prevent contaminate intrusion.

    • Loose terminal connection
       -  Use a corresponding mating terminal to test for proper tension. Refer to Testing for Intermittent Conditions and Poor Connections , and to Connector Repairs in Wiring Systems for diagnosis and repair.
       -  Inspect the harness connectors for backed out terminals, improper mating, broken locks, improperly formed or damaged terminals, and faulty terminal to wire connection. Refer to Testing for Intermittent Conditions and Poor Connections , and to Connector Repairs in Wiring Systems for diagnosis and repair.
    • Damaged harness--Inspect the wiring harness for damage. If the harness inspection does not reveal a problem, observe the display on the scan tool while moving connectors and wiring harnesses related to the sensor. A change in the scan tool display may indicate the location of the fault. Refer to Wiring Repairs in Wiring Systems for diagnosis and repair.
    •  Inspect the powertrain control module (PCM) and the engine grounds for clean and secure connections. Refer to Wiring Repairs in Wiring Systems for diagnosis and repair.

If the condition is determined to be intermittent, reviewing the Snapshot or Freeze Frame/Failure Records may be useful in determining when the DTC or condition was identified.

Test Description

The numbers below refer to the step numbers on the diagnostic table.

  1. This vehicle is equipped with a PCM which utilizes an Electrically Erasable Programmable Read Only Memory (EEPROM). When the PCM is being replaced, the new PCM must be programmed.

DTC P0560 - System Voltage

Step

Action

Values

Yes

No

1

Did you perform the Powertrain On Board Diagnostic (OBD) System Check?

--

Go to Step 2

Go to Powertrain On Board Diagnostic (OBD) System Check

2

Is DTC P1635 also set?

--

Go to DTC P1635 5 Volt Reference Circuit

Go to Step 3

3

  1. Start and run the engine above 1000 RPM.
  2. Observe Ignition 1 on a scan tool.

Does the voltage measure between the specified values?

10 V-16 V

Go to Step 4

Go to Step 5

4

  1. Review and record the scan tool Failure Records data.
  2. Use a scan tool to clear the DTC.
  3. Operate the vehicle within the Failure Records conditions.

Does the DTC reset?

--

Go to Step 5

Go to Diagnostic Aids

5

  1. Install a DMM between the battery terminals.
  2. Monitor the DMM while running the engine above 1000 RPM.

Does the battery voltage measure between the specified values?

10 V-16 V

Go to Step 6

Go to Step 7

6

  1. Load the electrical system by turning ON the headlamps and the HVAC high blower.
  2. Monitor the DMM while running the engine above 2000 RPM.

Does the battery voltage measure between the specified values?

10 V-16 V

Go to Step 8

Go to Step 7

7

  1. Turn OFF the ignition.
  2. Disconnect the generator electrical connector.
  3. Turn ON the ignition, with the engine OFF.
  4. Connect a DMM to measure voltage between the generator control circuit at the generator harness connector and ground.
  5. Command the Gen. L Term. ON using the scan tool.

Does the voltage measure near the specified value when the Gen. L Term. is commanded ON?

5 V

Go to Step 12

Go to Step 10

8

Compare the Ignition 1 voltage displayed on the scan tool with the actual battery voltage.

Do the voltages closely match?

--

Go to Diagnostic Aids

Go to Step 9

9

  1. Inspect the PCM ignition feed circuit for a poor connection between the ignition switch and the PCM. Refer to Testing for Intermittent Conditions and Poor Connections in Wiring Systems.
  2. If a problem is found, repair as necessary. Refer to Wiring Repairs in Wiring Systems.

Did you find and correct the condition?

--

Go to Step 14

Go to Step 13

10

  1. Test the generator control circuit for an open or a short to ground between the PCM and the generator.
  2. If a problem is found, repair as necessary. Refer to Wiring Repairs in Wiring Systems.

Did you find and correct the condition?

--

Go to Step 14

Go to Step 11

11

  1. Inspect the generator control circuit for a poor connection at the PCM.
  2. If a problem is found, repair as necessary. Refer to Wiring Repairs in Wiring Systems.

Did you find and correct the condition?

--

Go to Step 14

Go to Step 13

12

  1. Inspect the generator control circuit for a poor connection at the generator.
  2. If a problem is found, repair as necessary. Refer to Wiring Repairs in Wiring Systems.

Did you find and correct the condition?

--

Go to Step 14

Go to Diagnostic System Check - Engine Electrical in Engine Electrical

13

Important:: The replacement PCM must be programmed.

Replace the PCM. Refer to Powertrain Control Module Replacement/Programming .

Is the action complete?

--

Go to Step 14

--

14

  1. Start and run the engine above 1000 RPM.
  2. With a scan tool, observe Ignition 1 .

Does the voltage measure between the specified values?

10 V-16 V

System OK

Go to Step 5