GM Service Manual Online
For 1990-2009 cars only
Makes
🢒
Buick
🢒
2000
🢒
Regal (China)
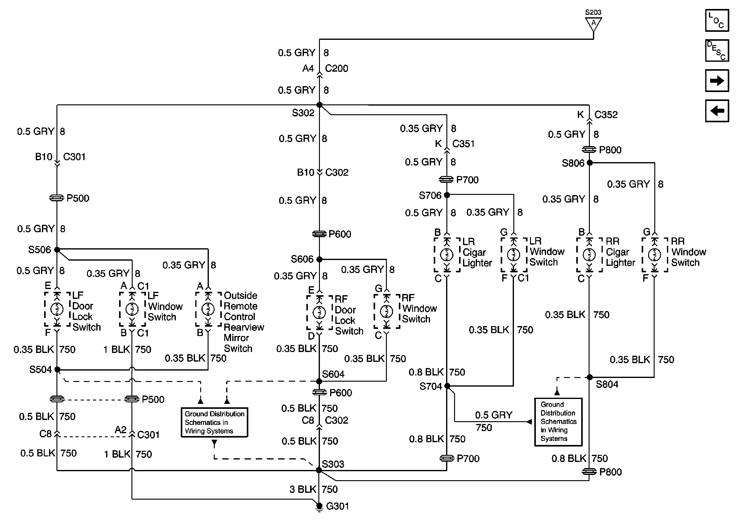
🢒 Rear Cigar Lighter , Outside Remote control Rearview Mirror, Door Lock and Window Switches
Rear Cigar Lighter , Outside Remote control Rearview Mirror, Door Lock and Window Switches
Rear Cigar Lighter , Outside Remote control Rearview Mirror, Door Lock and Window Switches
G301 (1 of 3)
Headlamp Switch, Cluster, HVAC, Rear Radio Control Module, Electronic Traction Control and Fog Lamp Assembly
G301 (1 of 3)
Lighting Systems Components
Interior Lights Dimming Circuit Description
HVAC Control Assembly, Cluster and Radio
Headlamp Switch, Cluster, HVAC, Rear Radio Control Module, Electronic Traction Control and Fog Lamp Assembly