GM Service Manual Online
For 1990-2009 cars only
Makes
🢒
Buick
🢒
2000
🢒
Regal (China)
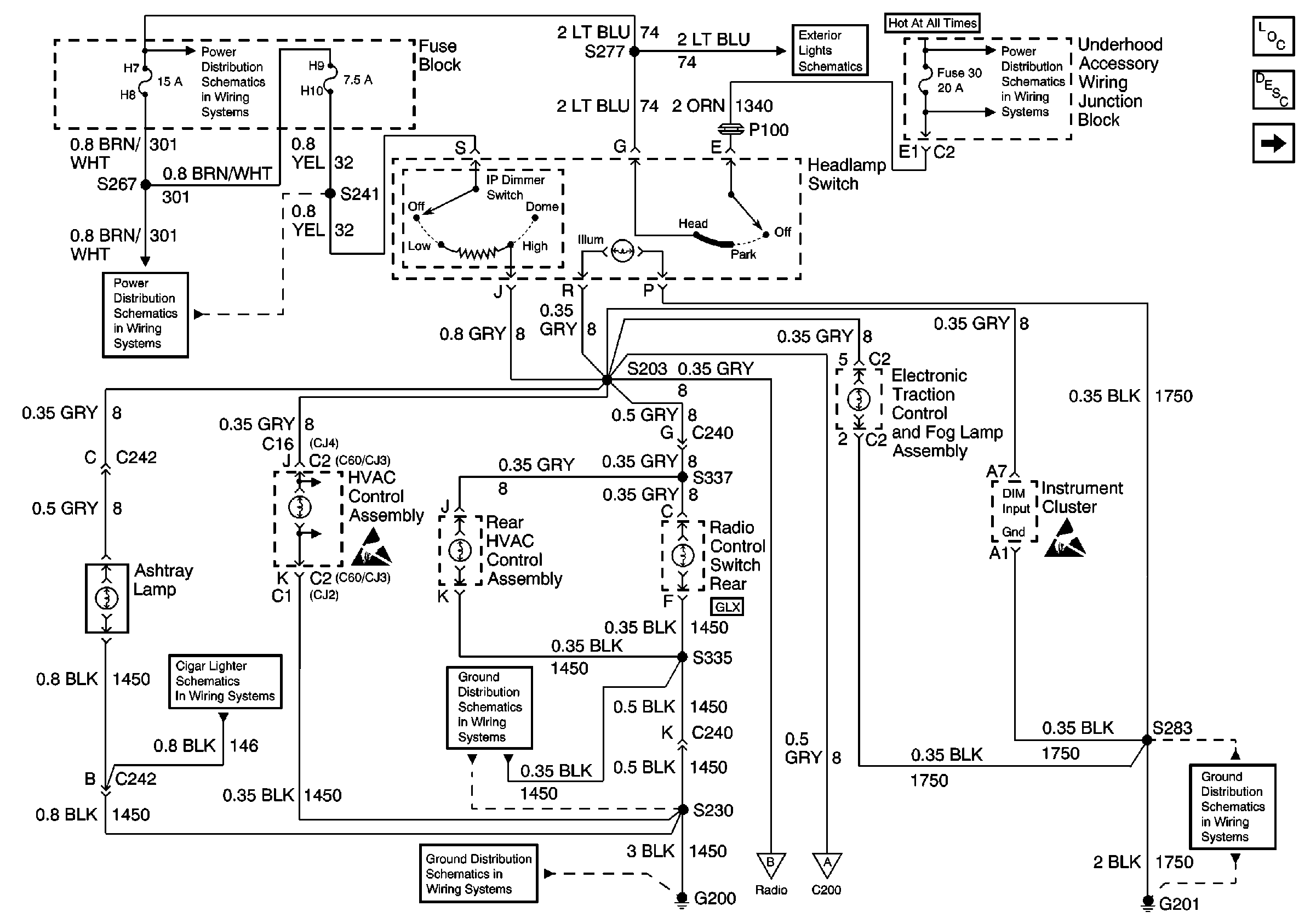
🢒 Headlamp Switch, Cluster, HVAC, Rear Radio Control Module, Electronic Traction Control and Fog Lamp Assembly
Headlamp Switch, Cluster, HVAC, Rear Radio Control Module, Electronic Traction Control and Fog Lamp Assembly
Headlamp Switch, Cluster, HVAC, Rear Raido Control Module, Electronic Traction Control and Fog Lamp Assembly
Fuse Block, UAWJB Radio and Cluster
Fuse Block, UAWJB Radio and Cluster
IP (Front) Cigar Lighter Schematic
Handling ESD Sensitive Parts Notice
G200 ( 1 of 2)
G200 ( 1 of 2)
Turn Signal Switch, Stop Lamp Switch, CHMSL, and Hazard Lamp/Turn SIGNAl FLAsher
UAWJB, PNP Switch, PCM, Generator, Headlamp Module and Switch
HVAC Control Assembly, Cluster and Radio
Rear Cigar Lighter , Outside Remote control Rearview Mirror, Door Lock and Window Switches
G201)
Lighting Systems Components
Interior Lights Dimming Circuit Description
Rear Cigar Lighter , Outside Remote control Rearview Mirror, Door Lock and Window Switches