GM Service Manual Online
For 1990-2009 cars only
Makes
🢒
Buick
🢒
2000
🢒
Regal (China)
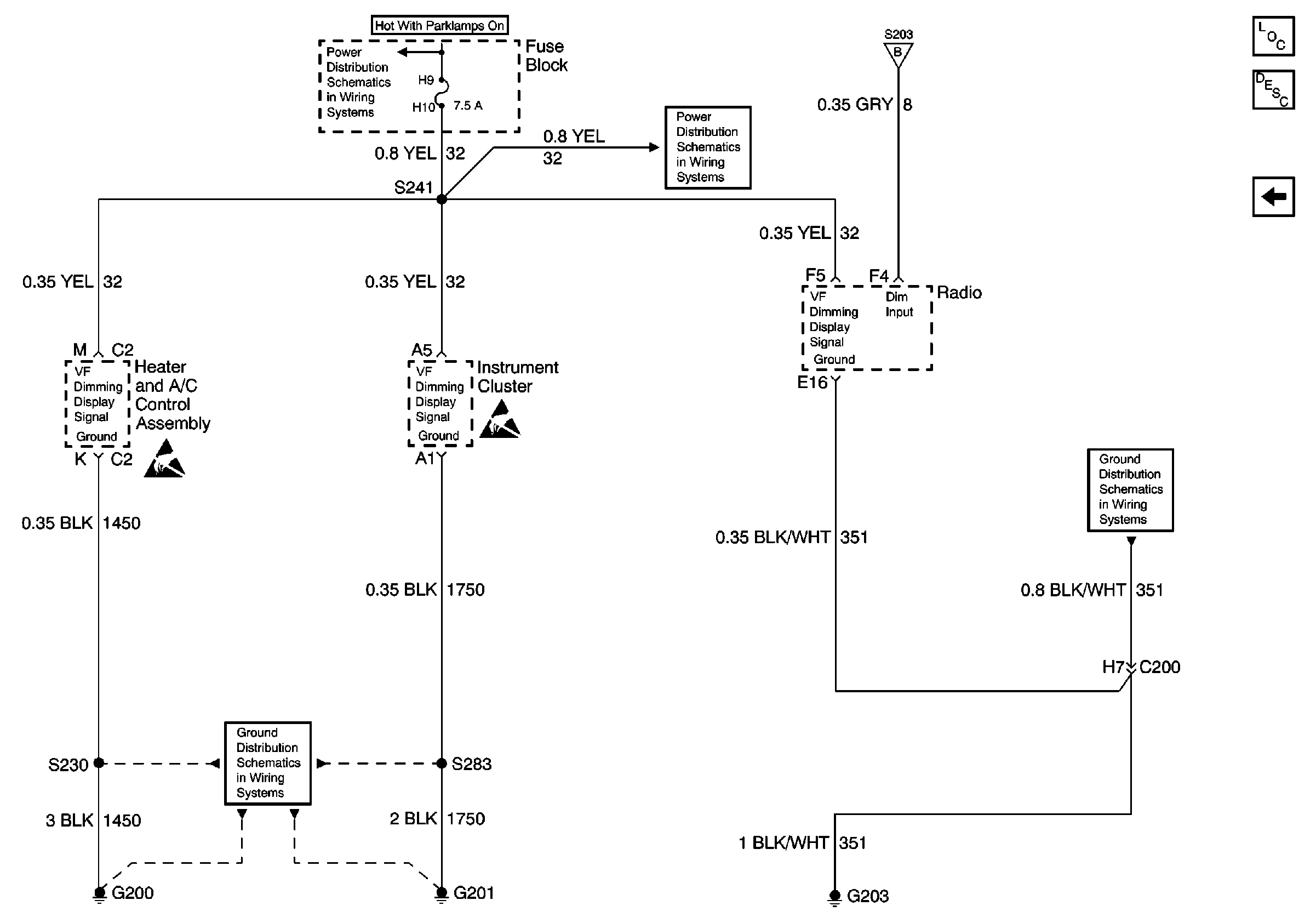
🢒 HVAC Control Assembly, Cluster and Radio
HVAC Control Assembly, Cluster and Radio
HVAC Control Assembly, Cluster and Radio
Fuse Block, UAWJB Radio and Cluster
Handling ESD Sensitive Parts Notice
Handling ESD Sensitive Parts Notice
G201)
Fuse Block, UAWJB Radio and Cluster
Headlamp Switch, Cluster, HVAC, Rear Radio Control Module, Electronic Traction Control and Fog Lamp Assembly
G203
Lighting Systems Components
Interior Lights Dimming Circuit Description
Rear Cigar Lighter , Outside Remote control Rearview Mirror, Door Lock and Window Switches