GM Service Manual Online
For 1990-2009 cars only
Makes
🢒
Buick
🢒
2006
🢒
Rendezvous - FWD
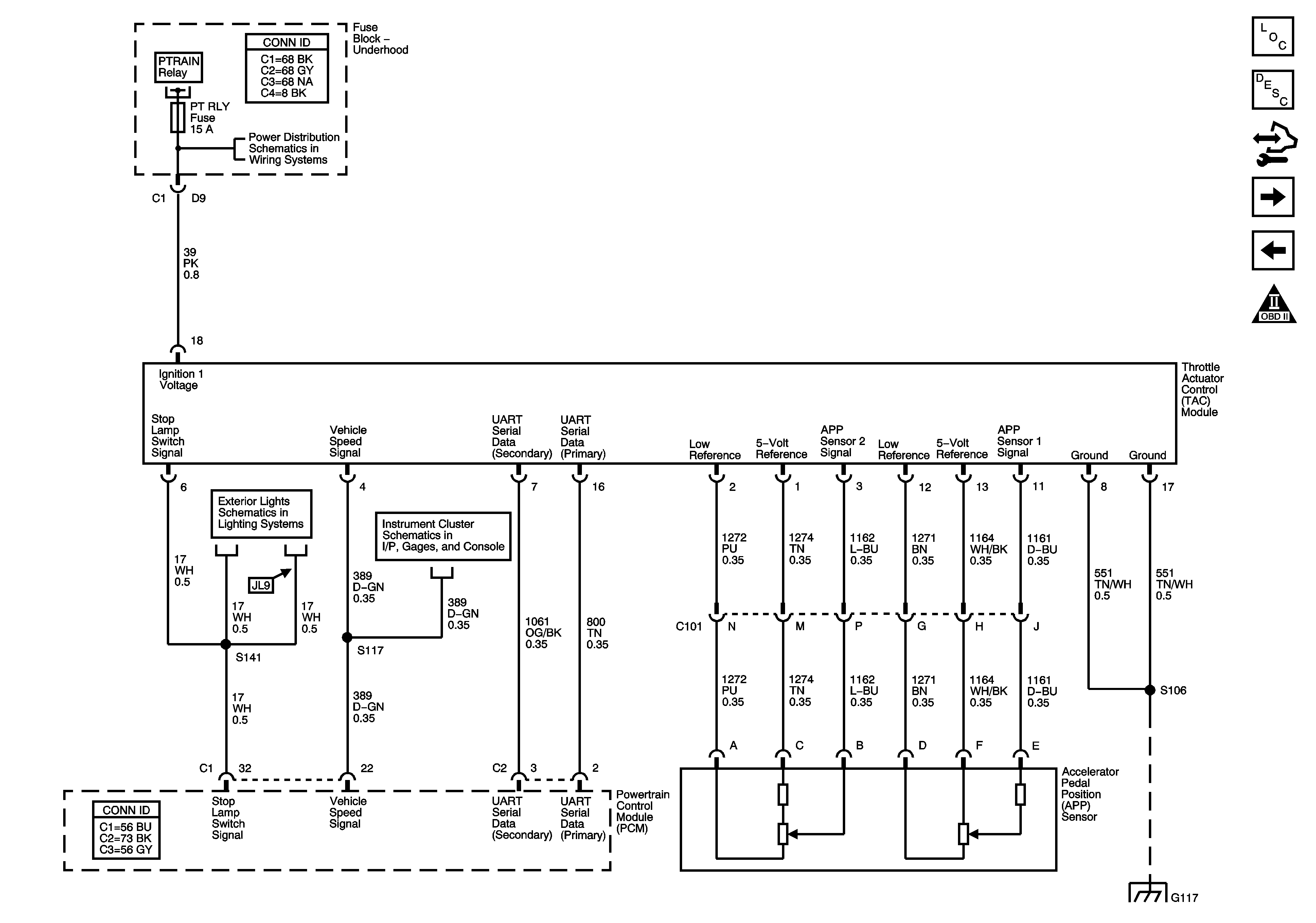
🢒 Throttle Actuator Controls
Throttle Actuator Controls
Engine Data Sensors - Throttle Actuator Controls
Master Electrical Component List
Powertrain Control Module Description
Control Module References
Ignition Controls-Ignition System
Engine Data Sensors-Oxygen Sensors
Engine Controls Schematic Icons
Module Power, Ground, Serial Data, and MIL
PTRAIN Relay-2 of 2, BTSI, PT RLY, and PT SENSORS Fuses-LX9
Hazard, Stop, and Turn Signal Lamp Control
Gages-LX9
G117 and G132