GM Service Manual Online
For 1990-2009 cars only
Makes
🢒
Buick
🢒
2006
🢒
Rendezvous - FWD
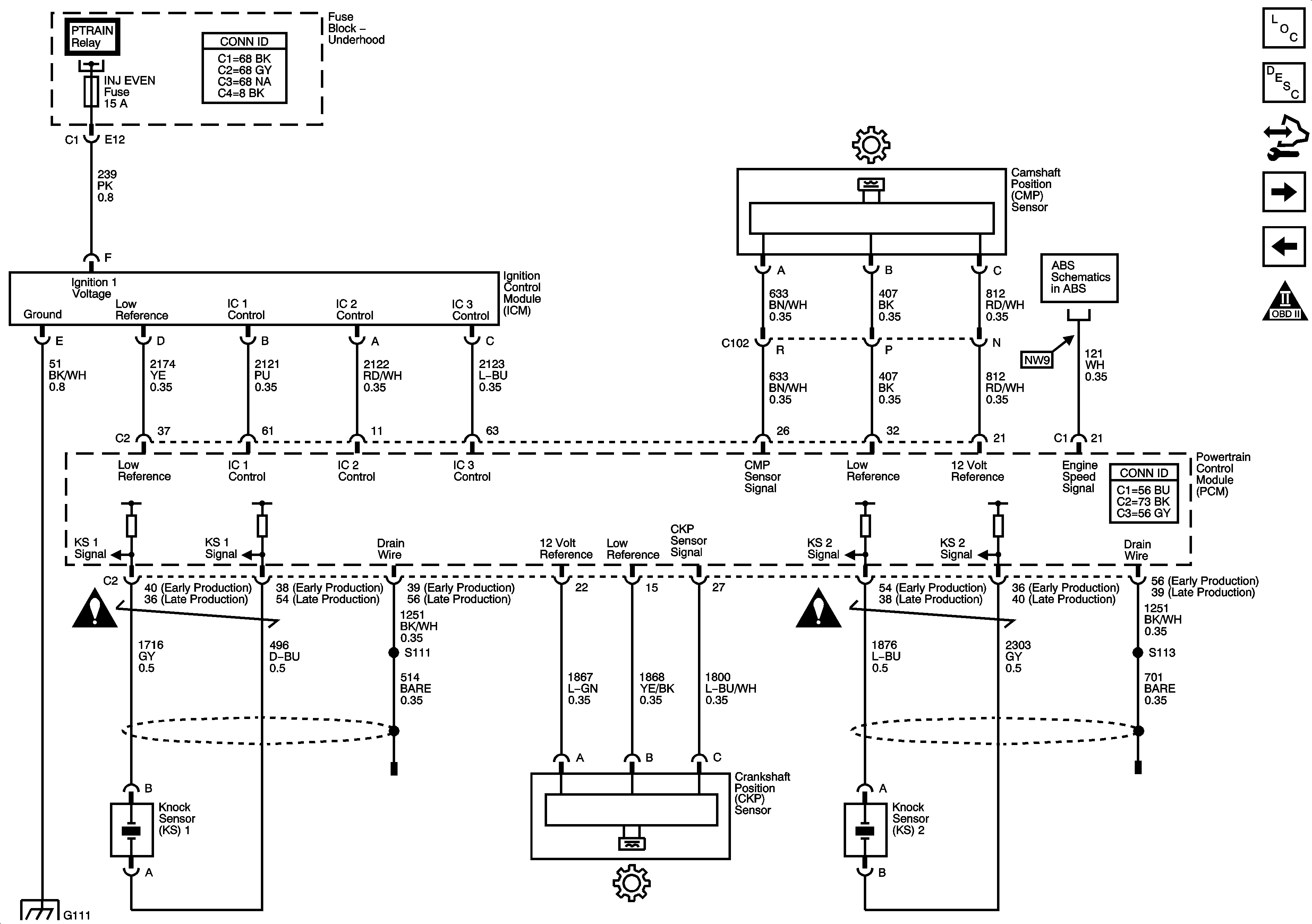
🢒 Ignition Controls-Ignition System
Ignition Controls-Ignition System
Ignition Controls - Ignition System
Master Electrical Component List
Powertrain Control Module Description
Control Module References
Fuel Controls-Fuel Pump Controls
Throttle Actuator Controls
Engine Controls Schematic Icons
Module Power, Ground, Serial Data, and MIL
DLC, Indicators, and Traction Control Switch-LX9
Engine Controls Schematic Icons
Engine Controls Schematic Icons
G100, G111, and G119