GM Service Manual Online
For 1990-2009 cars only
Makes
🢒
Buick
🢒
2006
🢒
Rendezvous - FWD
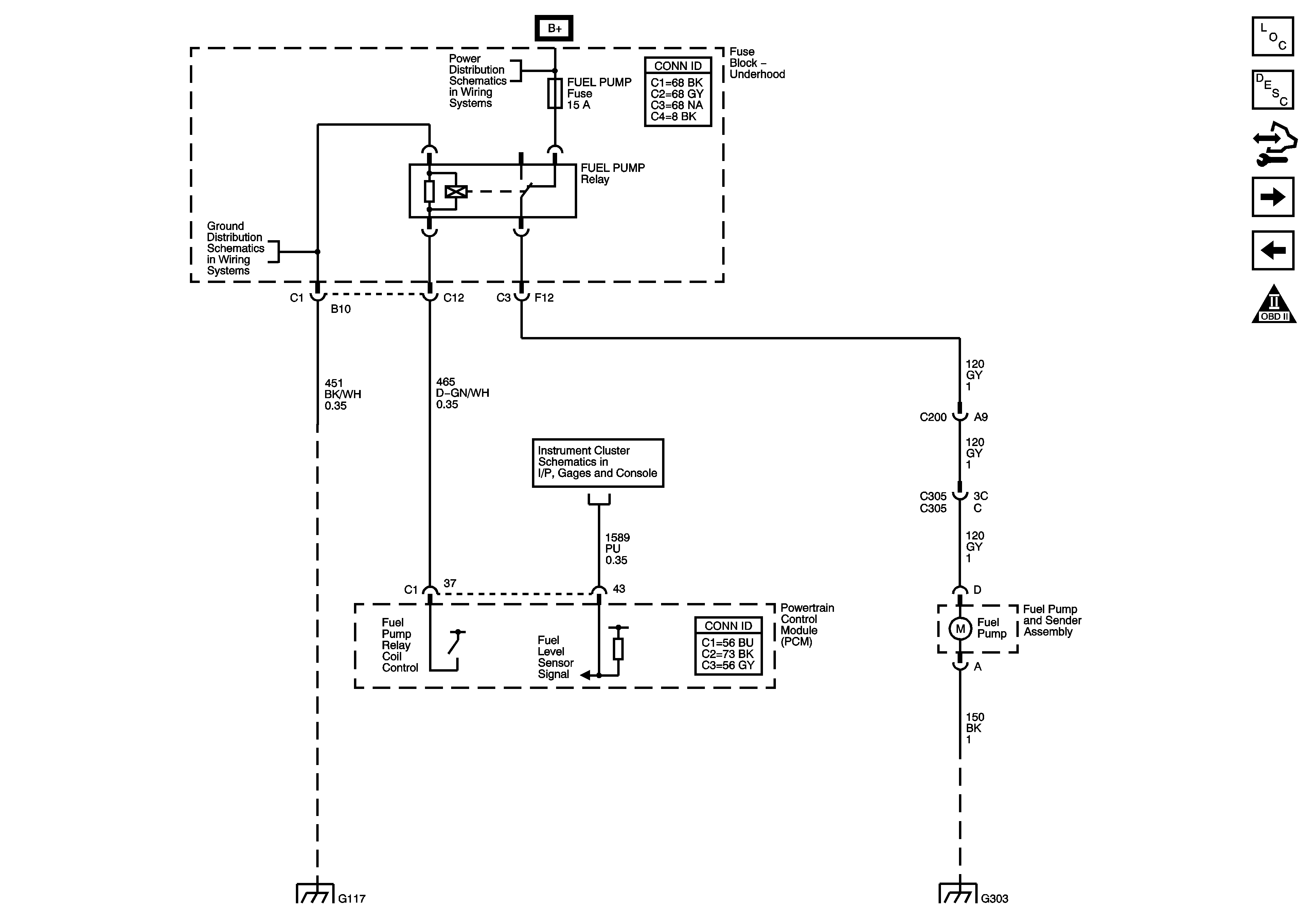
🢒 Fuel Controls-Fuel Pump Controls
Fuel Controls-Fuel Pump Controls
Fuel Controls - Fuel Pump Controls
Master Electrical Component List
Powertrain Control Module Description
Control Module References
Fuel Controls-Fuel Injectors
Ignition Controls-Ignition System
Engine Controls Schematic Icons
B+ Bus 1 of 2
G117 and G132
Gages-LX9
G117 and G132
G303-1 of 2