GM Service Manual Online
For 1990-2009 cars only
Makes
🢒
Buick
🢒
2007
🢒
Rendezvous - FWD
🢒
Diagnostic Navigation
🢒
Vehicle Diagnostic Information
🢒 Instrument Cluster Schematics
Figure
1:
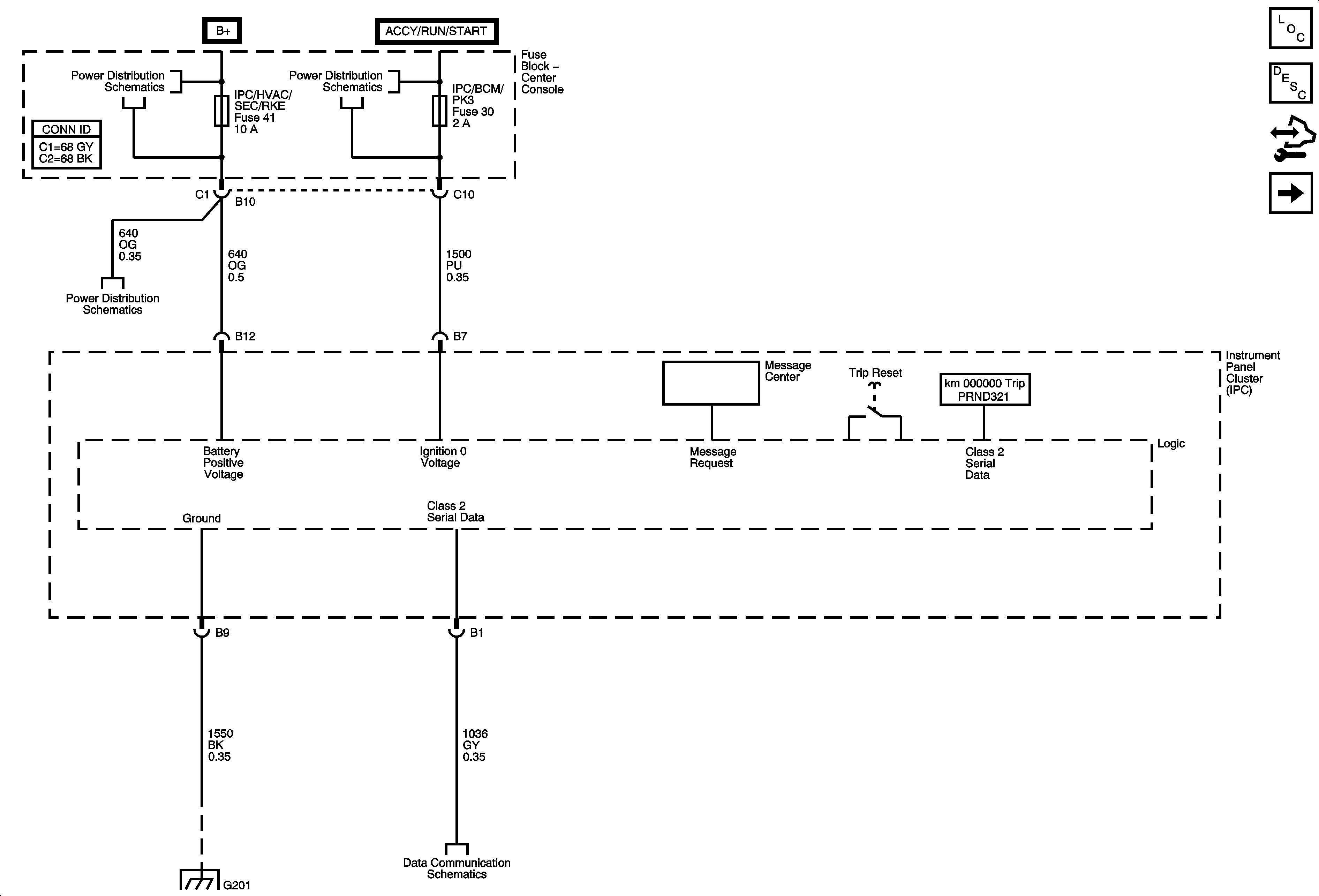
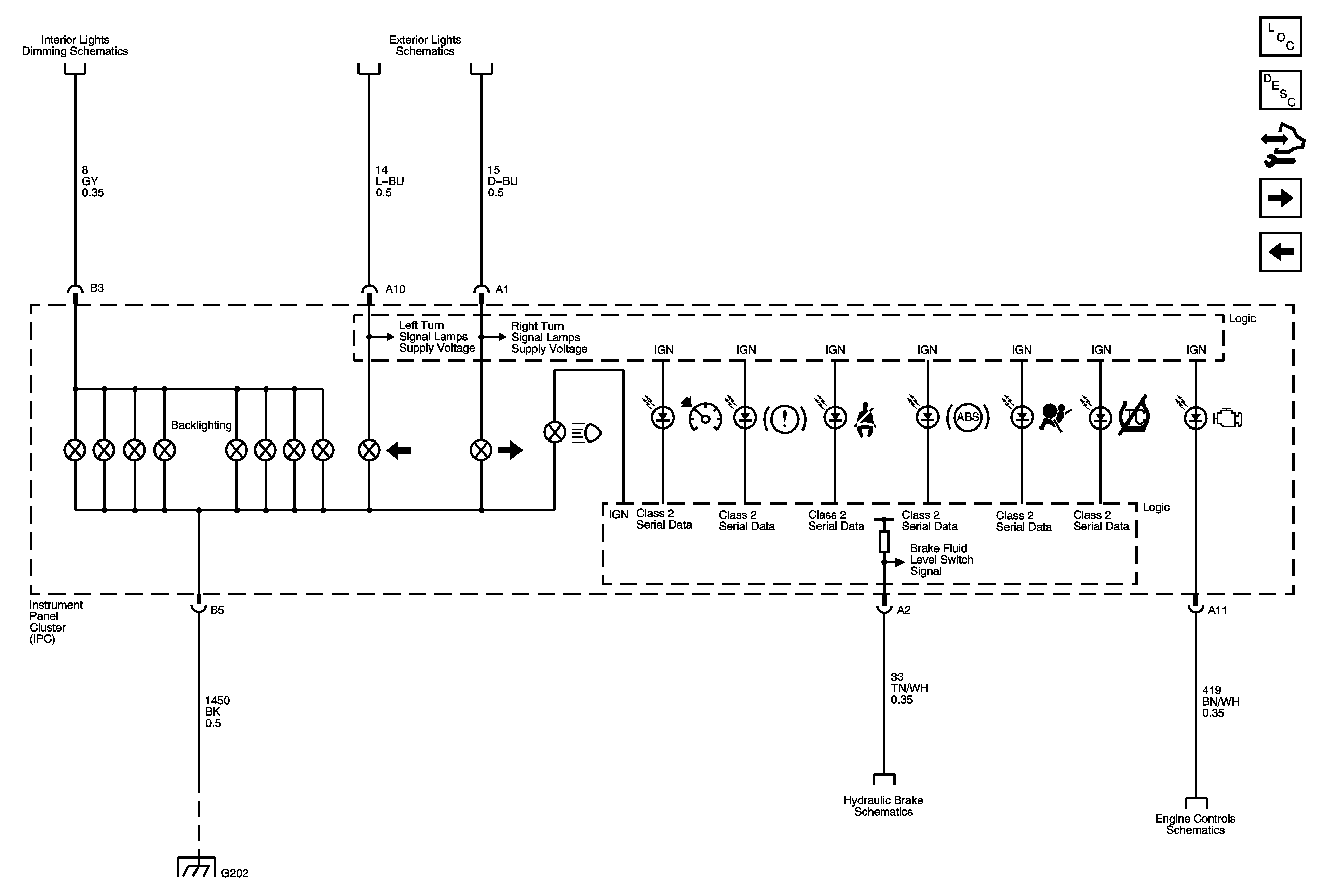
Power, Ground, Serial Data, and Message Center
Master Electrical Component List
Instrument Cluster Description and Operation
Control Module References
Indicators
BATT 1, HAZRD LAMP, HUD, IPC/HVAC/SEC/RKE, IS LAMP, PK3, RDO and RDO AMP Fuses
Ignition Switch-ACCY/RUN/START and RUN and START Bus Bars, HVAC BLWR, IPC/BCM/PK3, PK3, and PRK LCK IGN Fuses
BATT 1, HAZRD LAMP, HUD, IPC/HVAC/SEC/RKE, IS LAMP, PK3, RDO and RDO AMP Fuses
G201
Data Communication Schematics
Figure
2:
Indicators
Master Electrical Component List
Instrument Cluster Description and Operation
Control Module References
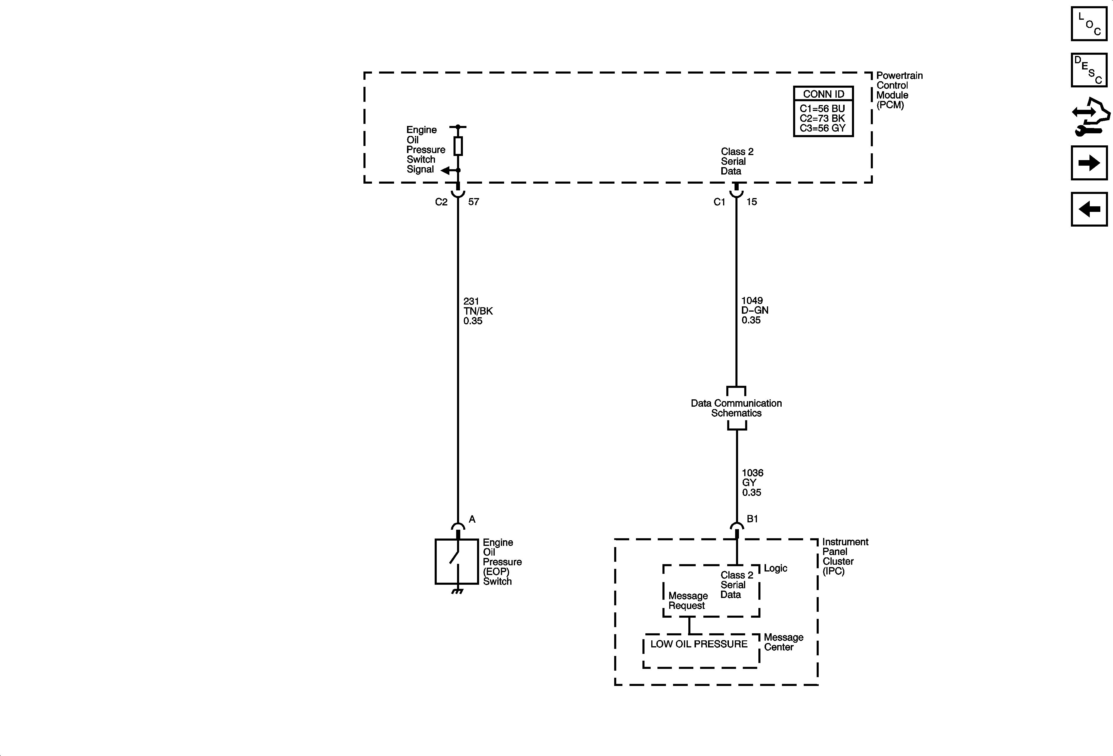
Engine Oil Pressure
Power, Ground, Serial Data, and Message Center
I/P and Console Lamps
Turn/Stop Lamps and Indicators
G202
Hydraulic Brake Schematics
Module Power, Ground, Serial Data, and MIL
Figure
3:
Engine Oil Pressure
Master Electrical Component List
Instrument Cluster Description and Operation
Control Module References
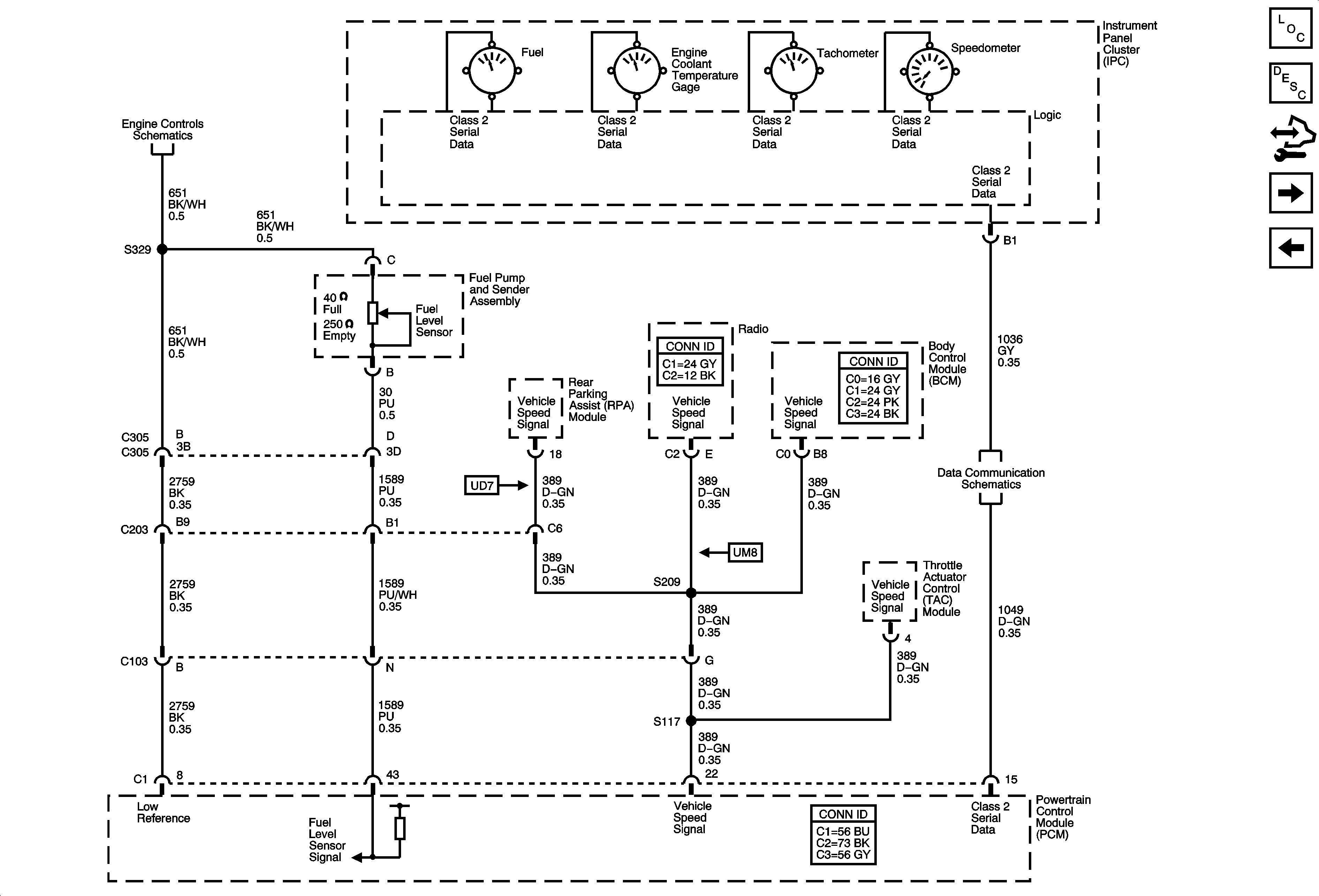
Gages
Indicators
Data Communication Schematics
Figure
4:
Gages
Master Electrical Component List
Instrument Cluster Description and Operation
Control Module References
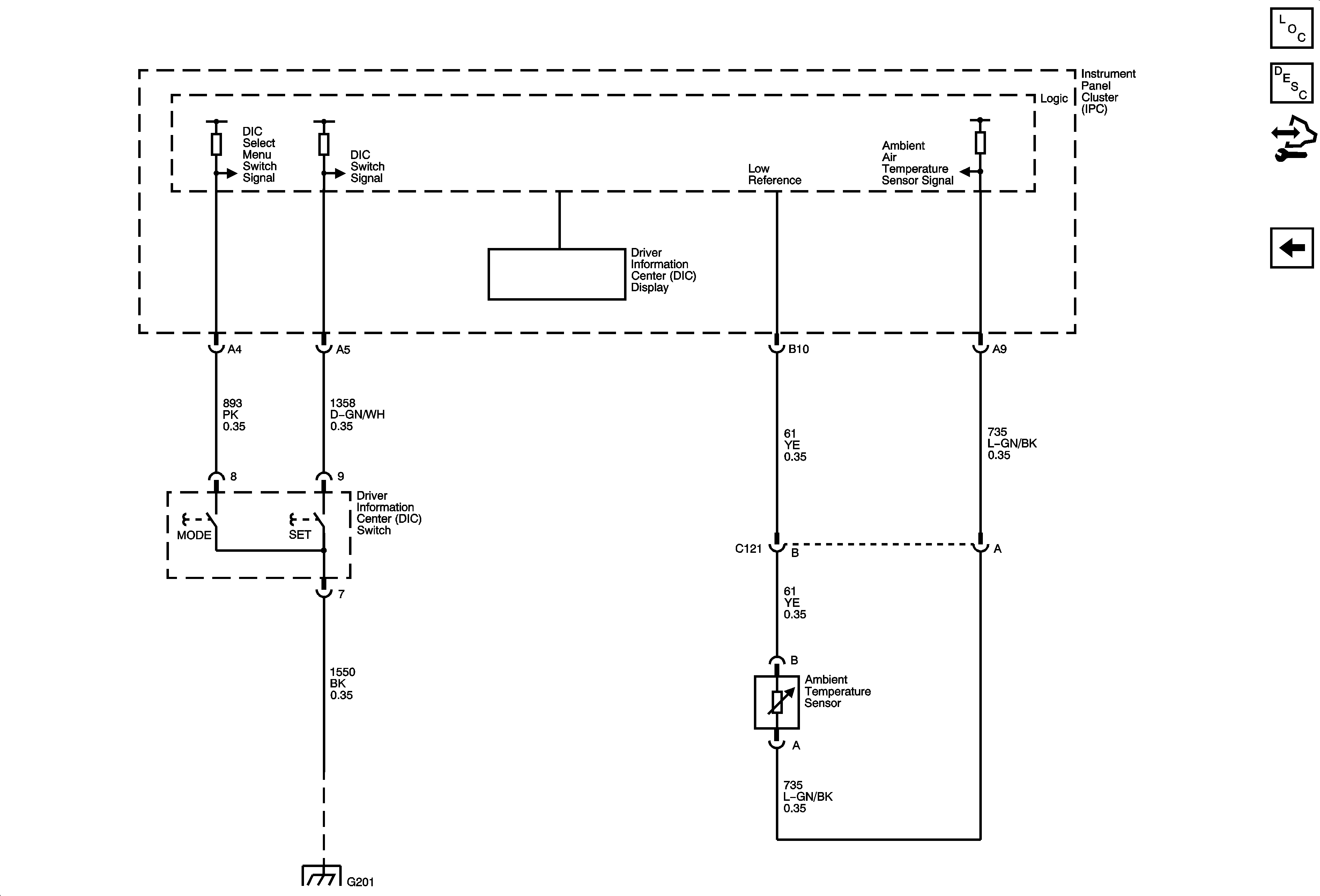
Driver Information Center-UH9
Engine Oil Pressure
Fuel Controls-Fuel Pump Controls
Data Communication Schematics
Figure
5:
Driver Information Center - UH9
Master Electrical Component List
Instrument Cluster Description and Operation
Control Module References
Gages
G201