GM Service Manual Online
For 1990-2009 cars only
Makes
🢒
Buick
🢒
2007
🢒
Rendezvous - FWD
🢒
Power and Signal Distribution
🢒
Wiring Systems and Power Management
🢒 HVAC Schematics
Figure
1:
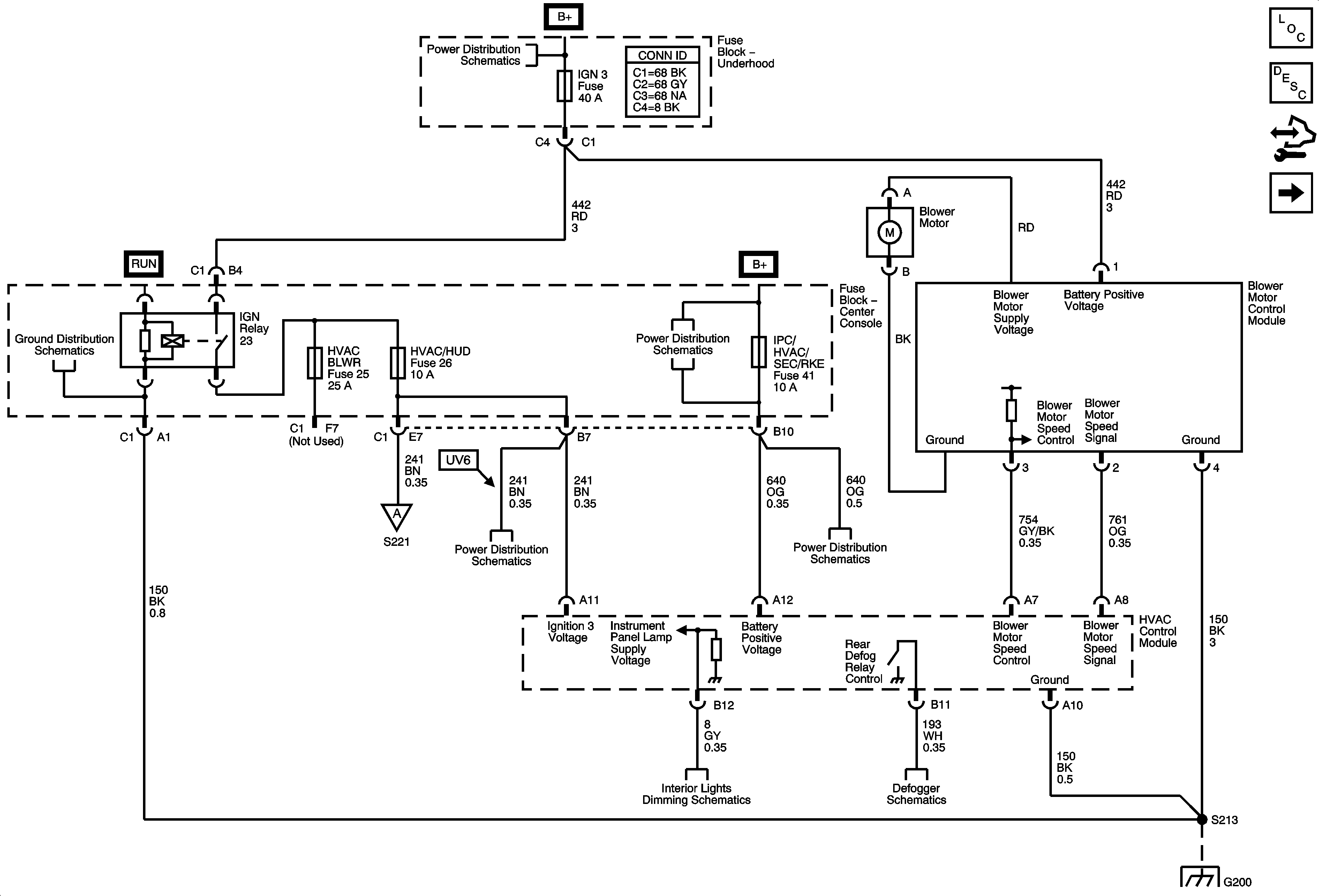
Power, Ground, and Blower Controls
Master Electrical Component List
Air Delivery Description and Operation
Control Module References
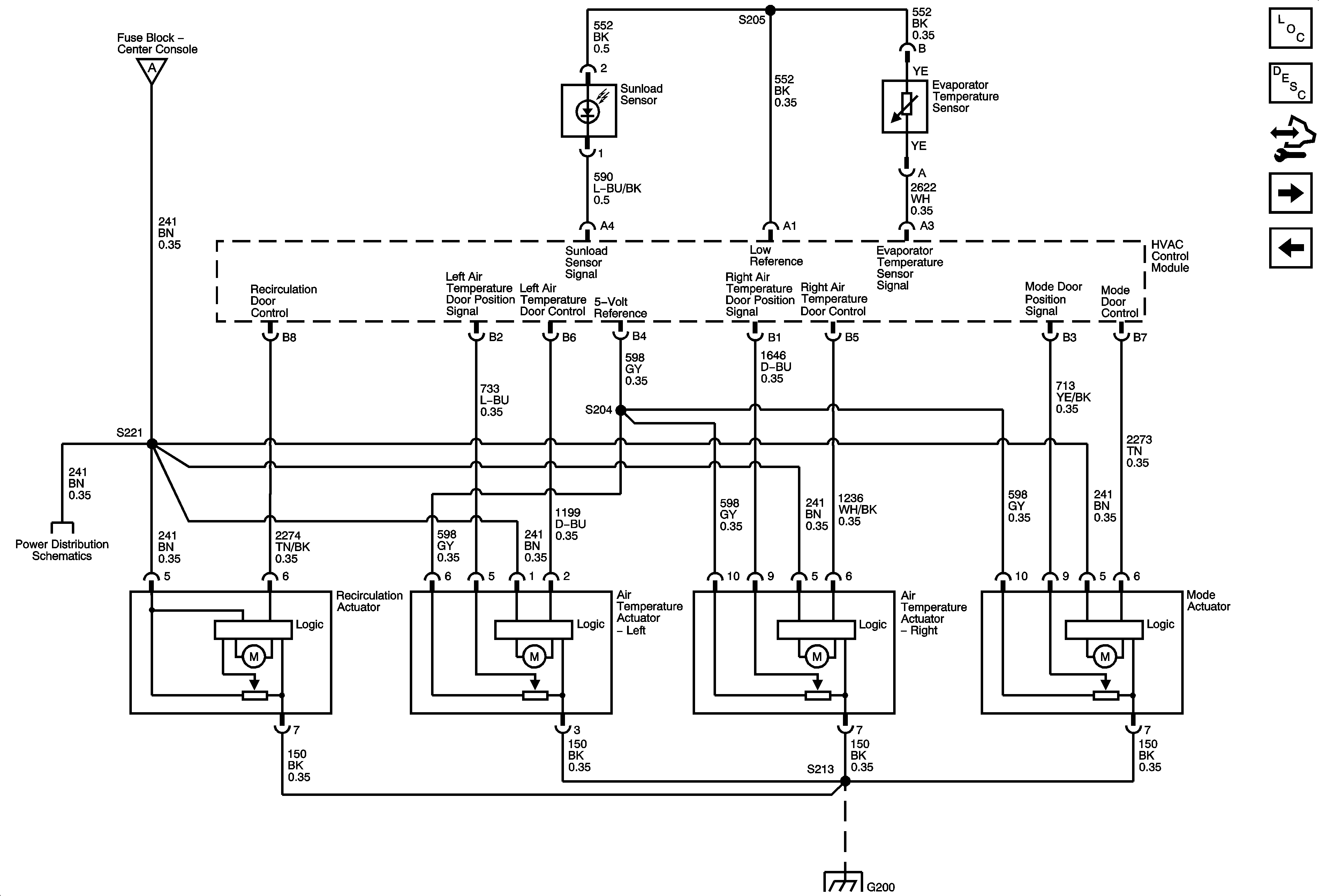
Air Delivery and Temperature Controls
B+ Bus 1 of 2
G200
Ignition Switch-ACCY/RUN/START and RUN and START Bus Bars, HVAC BLWR, IPC/BCM/PK3, PK3, and PRK LCK IGN Fuses
Air Delivery and Temperature Controls
HVAC/HUD Fuse
BATT 1, HAZRD LAMP, HUD, IPC/HVAC/SEC/RKE, IS LAMP, PK3, RDO and RDO AMP Fuses
BATT 1, HAZRD LAMP, HUD, IPC/HVAC/SEC/RKE, IS LAMP, PK3, RDO and RDO AMP Fuses
I/P and Console Lamps
Defogger Schematics
Figure
2:
Air Delivery and Temperature Controls
Master Electrical Component List
Air Delivery Description and Operation
Control Module References
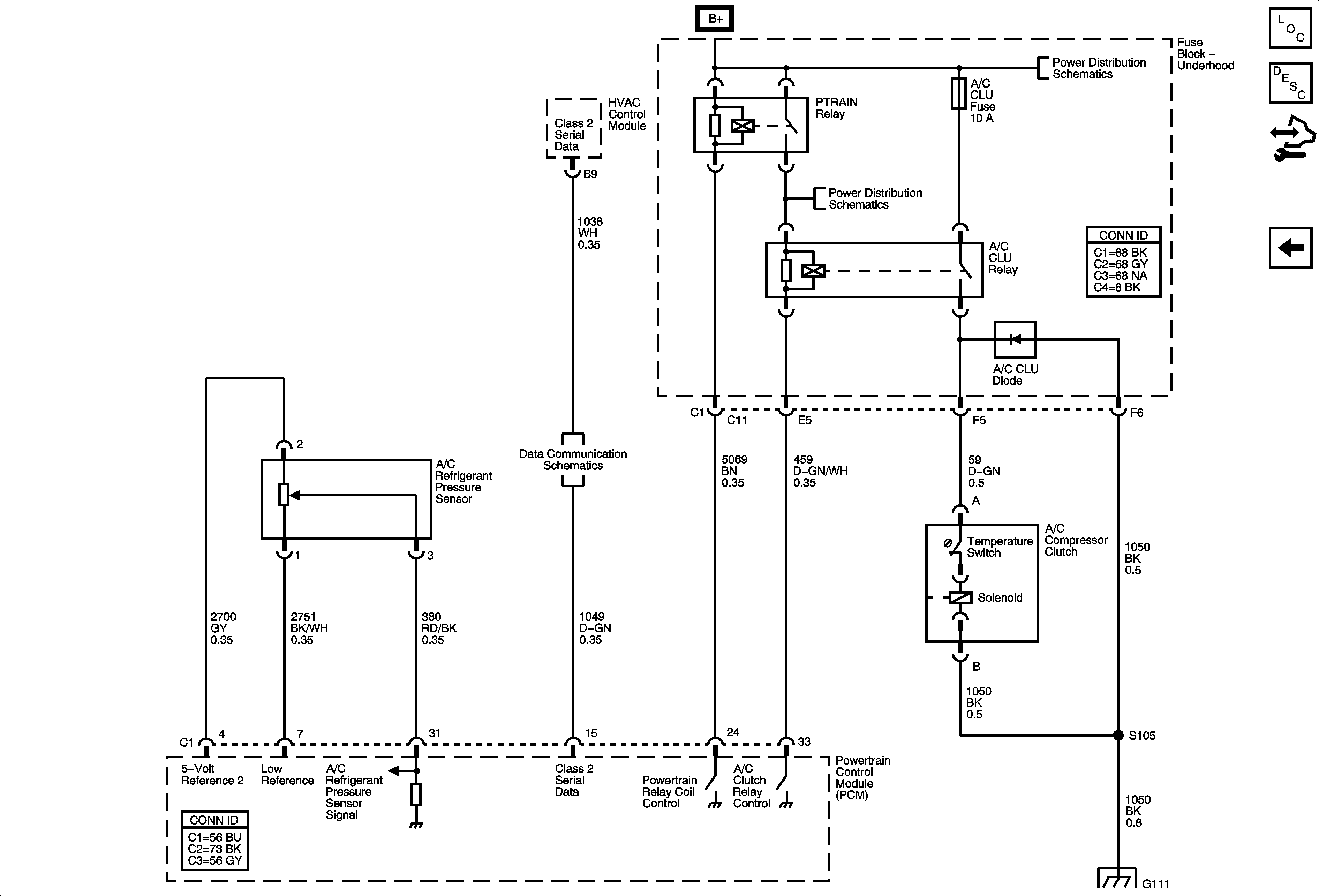
Compressor Controls
Power, Ground, and Blower Controls
Power, Ground, and Blower Controls
HVAC/HUD Fuse
G200
Figure
3:
Compressor Controls
Master Electrical Component List
Air Delivery Description and Operation
Control Module References
Air Delivery and Temperature Controls
Data Communication Schematics
B+ Bus 2 of 2
B+ Bus 1 of 2
G100, and G111