GM Service Manual Online
For 1990-2009 cars only
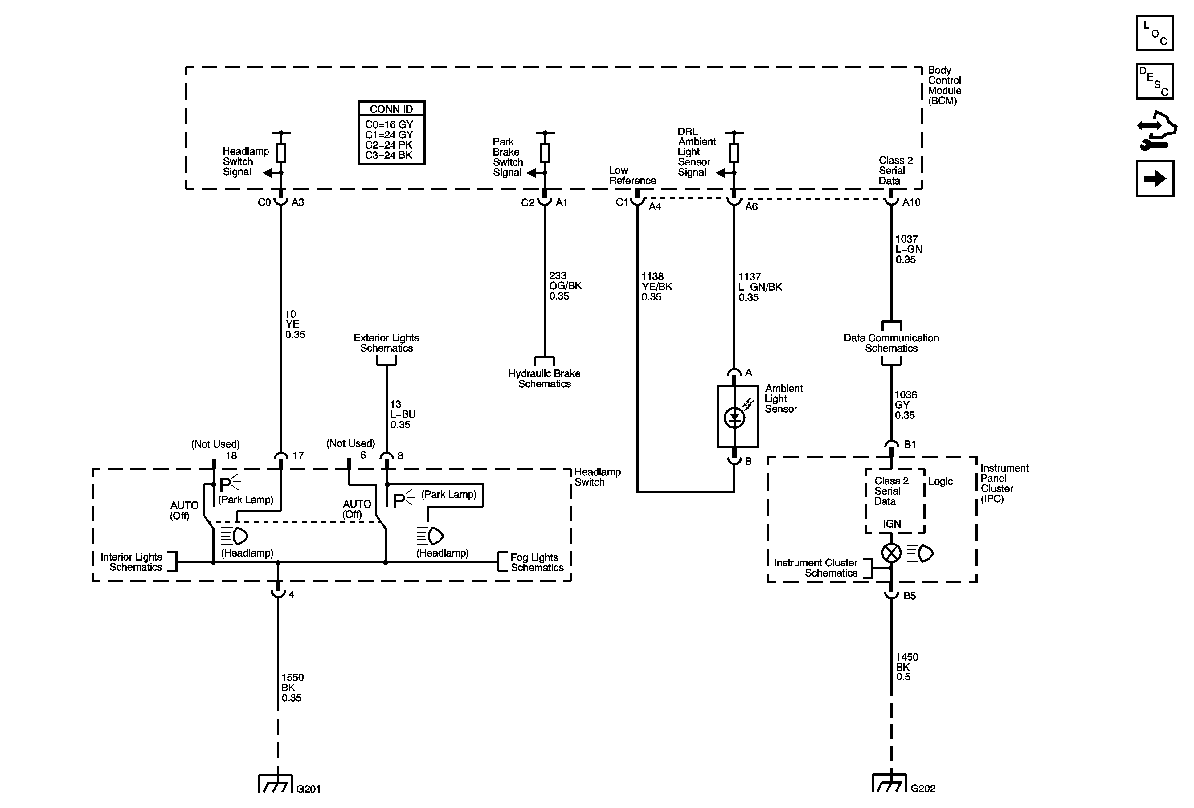
Figure 1:

Indicator, Lamp Control


Object Number: 1740944  Size: FS
Master Electrical Component List
Exterior Lighting Systems Description and Operation
Control Module References
Dimming, Lamps, Relays
I/P Lighting, Lamp Control
Park Lamps
Hydraulic Brake Schematics
Fog Lights Schematics
G201
G202
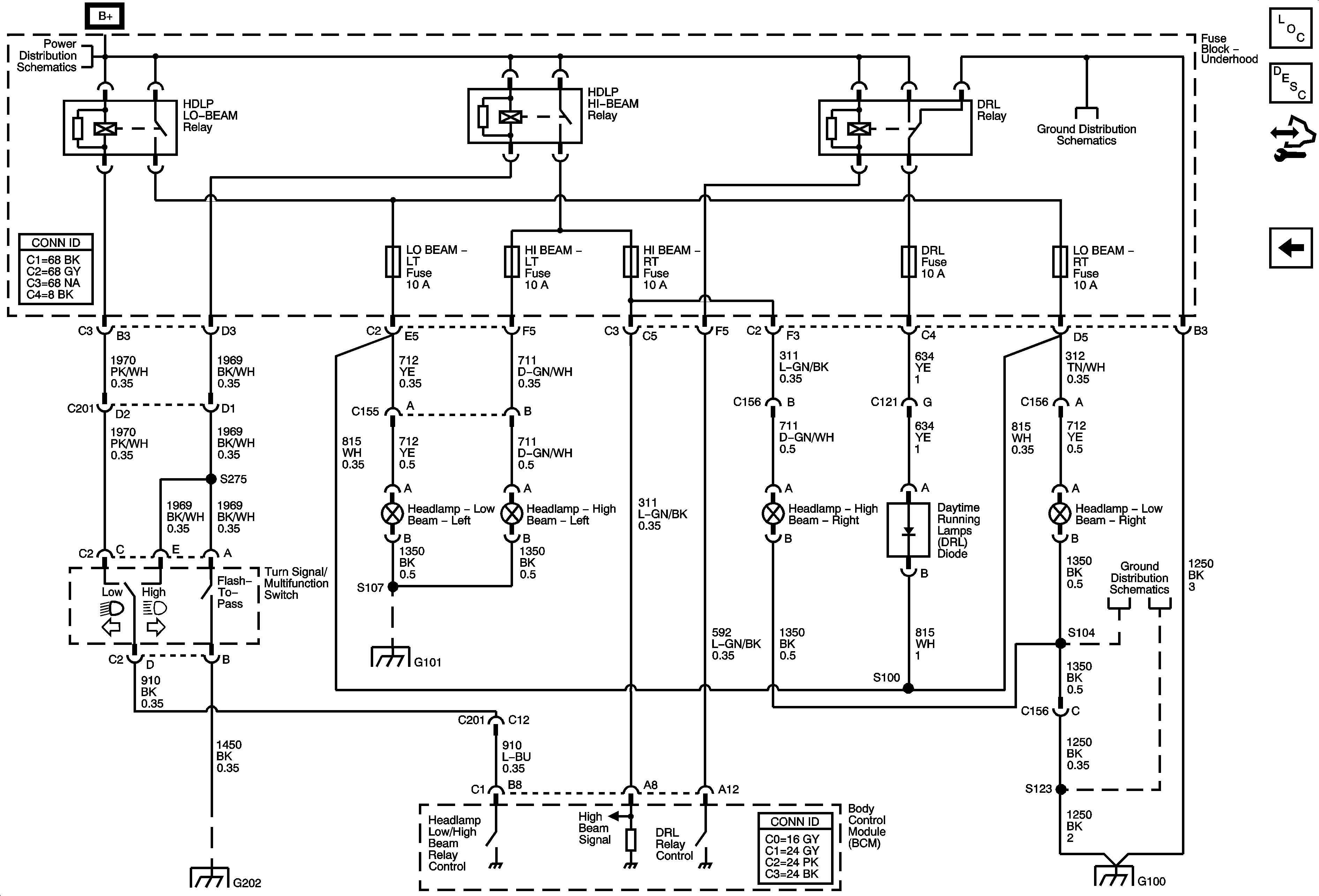
Figure 2:

Dimming, Lamps, Relays


Object Number: 1740945  Size: FS
Master Electrical Component List
Exterior Lighting Systems Description and Operation
Control Module References
Indicator, Lamp Control
B+ Bus 1 of 2
G100, and G111
G202
G101
G100, and G111
G100, and G111