GM Service Manual Online
For 1990-2009 cars only
Makes
🢒
Buick
🢒
1998
🢒
Riviera
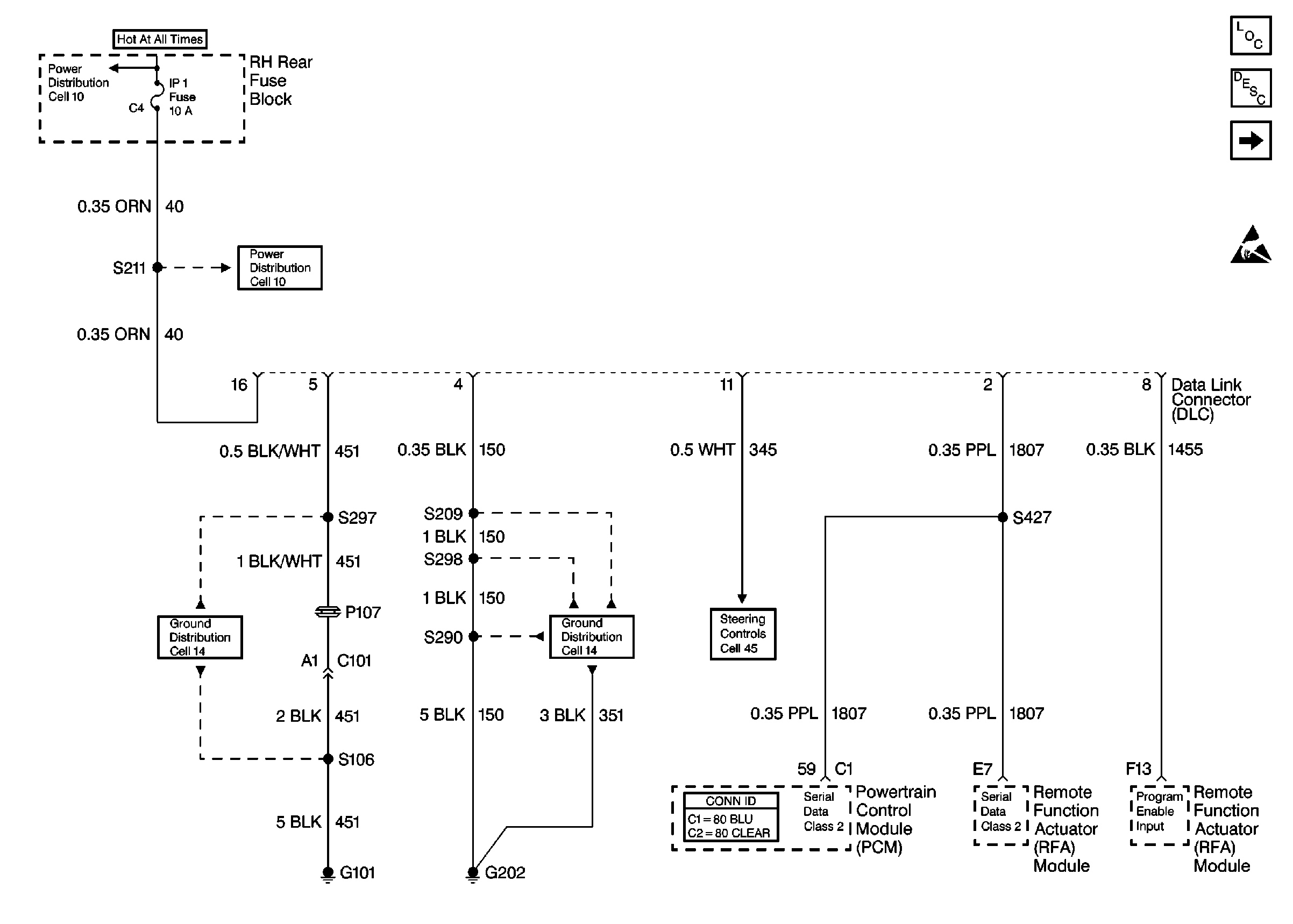
🢒 Cell 50: Power, Ground and Serial Data Class 2
Cell 50: Power, Ground and Serial Data Class 2
Cell 50: Power, Ground and Serial Data Class 2
Data Link Communications Components
Data Link Communications Description
Cell 50: Serial Data UART
Power Distribution Schematics
Power Distribution Schematics
Ground Distribution Schematics
Ground Distribution Schematics
Cell 45
Handling ESD Sensitive Parts Notice