GM Service Manual Online
For 1990-2009 cars only
Figure 1:

Power, Ground, DLC, Odometer, and Clock (Early Production)


Object Number: 637846  Size: FS
Driver Information Center Schematic
Underhood Fuse Block - STARTER and IGN-1 Relays, CLUTCH, TCM/IPC, WASH NOZ, TURN SW, and HEATER VALVE Fuses
Class 2 (LHD) 1 of 2
Figure 2:

Indicators


Object Number: 1162118  Size: FS
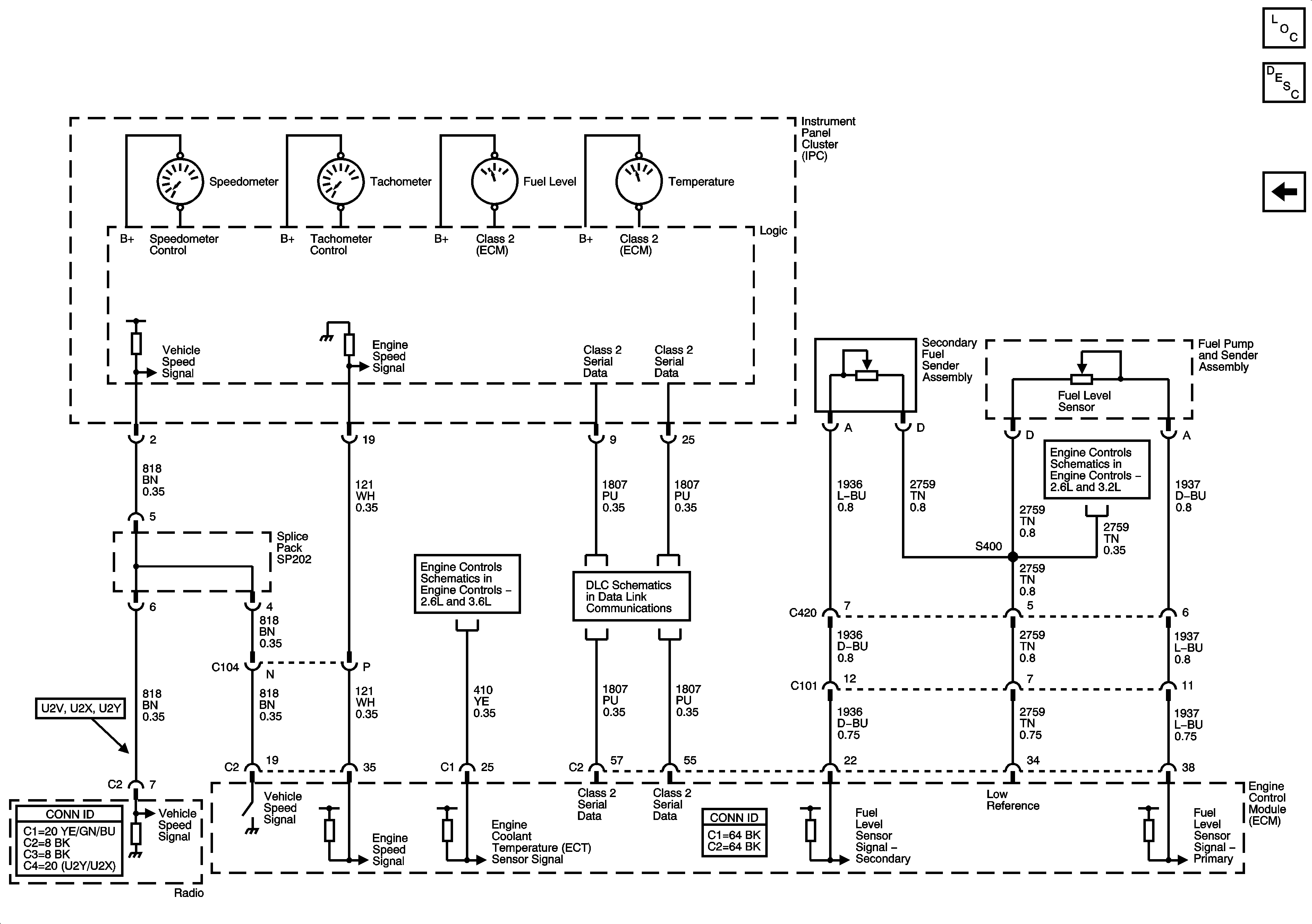
Figure 3:

Gages


Object Number: 1162135  Size: FS