GM Service Manual Online
For 1990-2009 cars only
Makes
🢒
Cadillac
🢒
2003
🢒
CTS
🢒 Vehicle Theft Deterrent (VTD)
Vehicle Theft Deterrent (VTD)
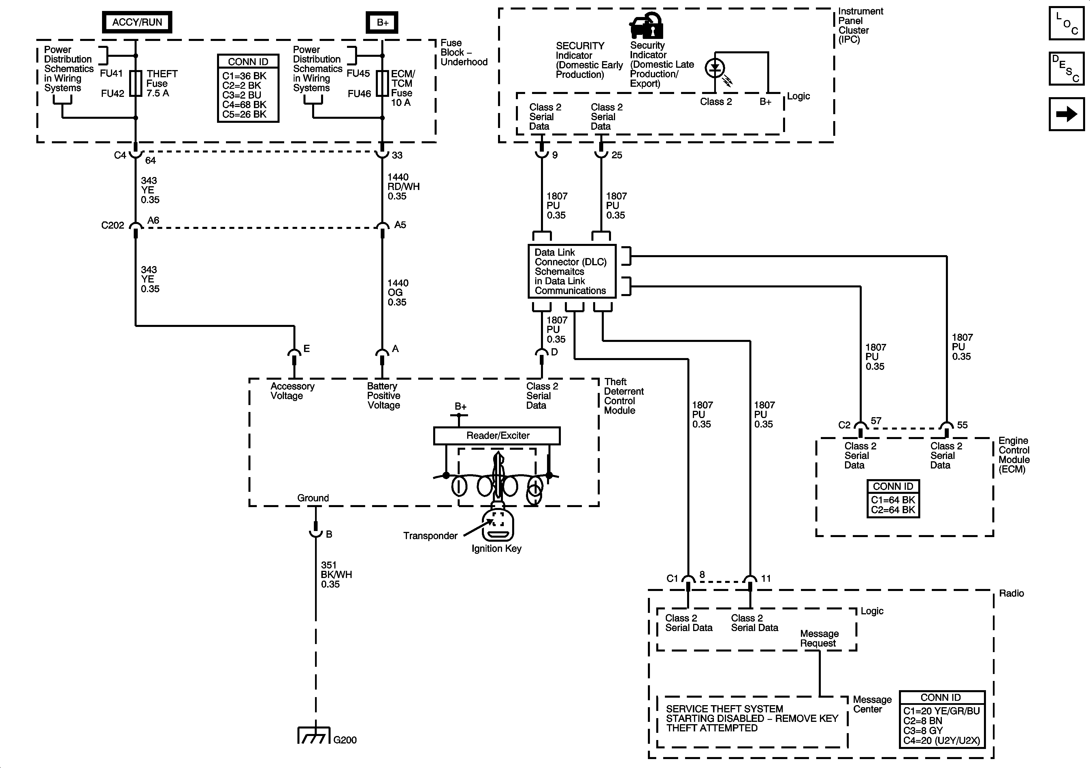
Vehicle Theft Deterrent (VTD) System
Content Theft Deterrent w/UA6
Underhood Fuse Block - DIM ALDL, STOPLP SW, FLASHER, CCP, ECM/TCM, and IGN SW Fuses
Underhood Fuse Block - DIM ALDL, STOPLP SW, FLASHER, CCP, ECM/TCM, and IGN SW Fuses
Class 2 (LHD) 1 of 2