GM Service Manual Online
For 1990-2009 cars only
Makes
🢒
Cadillac
🢒
2003
🢒
CTS
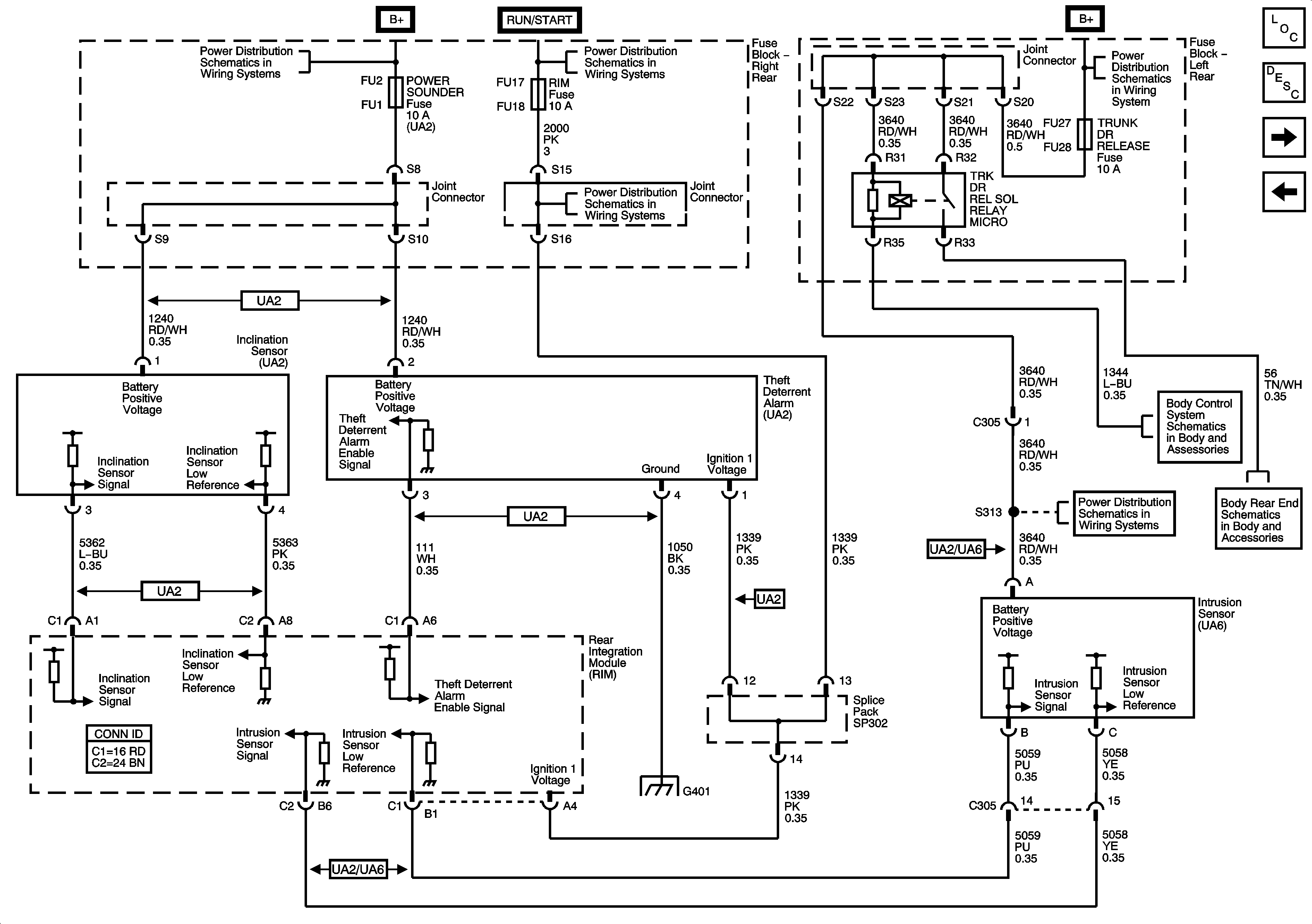
🢒 Content Theft Deterrent w/UA6
Content Theft Deterrent w/UA6
Vehicle Theft Deterrent (VTD) System ( Power Sounder, Intrustion Sensor, Inclination Sensor )
Content Theft Deterrent
Vehicle Theft Deterrent (VTD)
Right Rear Fuse Block - IGN-1 Relay, FPDM, NAV, and AUDIO Fuses