GM Service Manual Online
For 1990-2009 cars only
Makes
🢒
Cadillac
🢒
2003
🢒
CTS
🢒 Content Theft Deterrent
Content Theft Deterrent
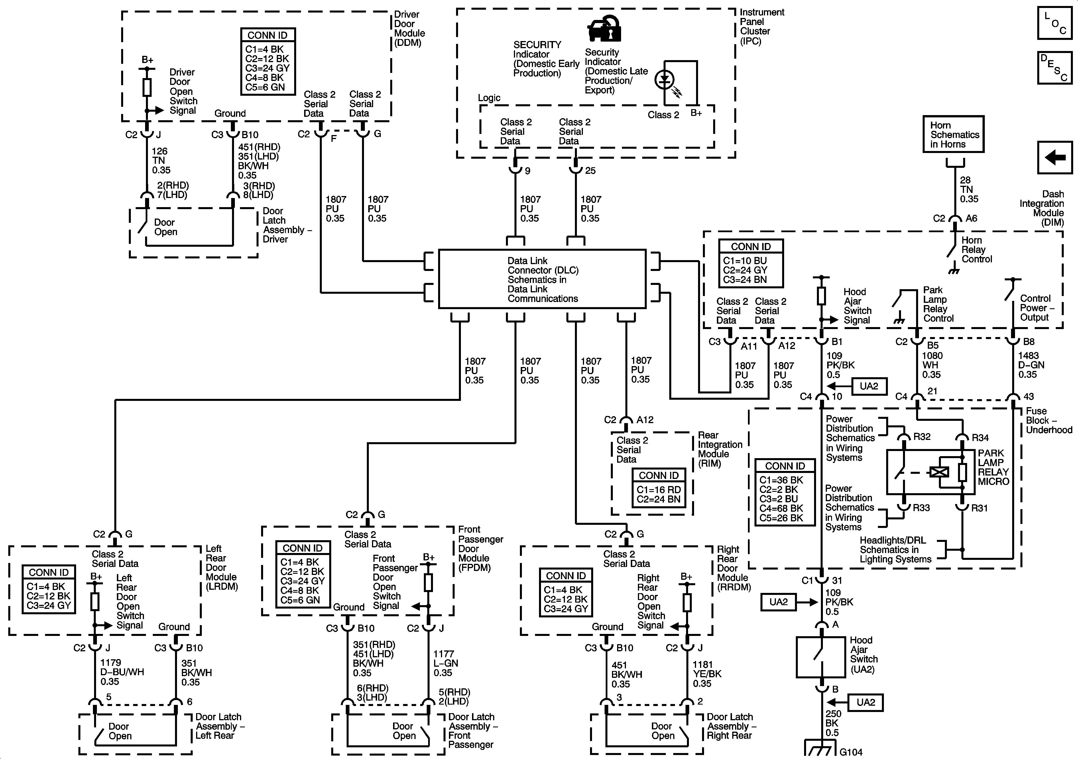
Vehicle Theft Deterrent (VTD) System ( Door Modules )
Content Theft Deterrent w/UA6
Horn System Schematic
Class 2 (LHD) 1 of 2