GM Service Manual Online
For 1990-2009 cars only
Makes
🢒
Cadillac
🢒
2005
🢒
CTS
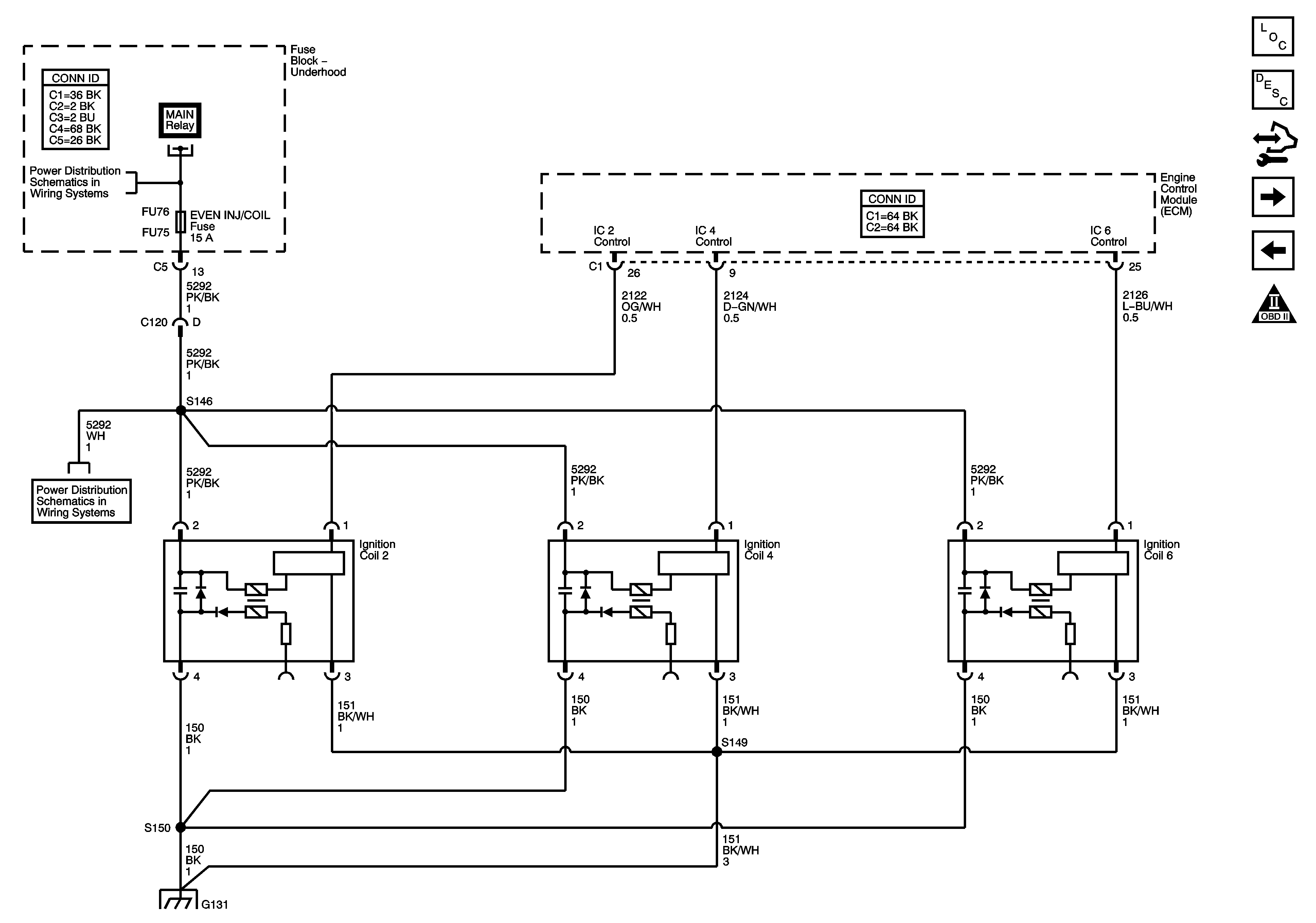
🢒 Ignition Controls - Bank 2 Ignition Coils
Ignition Controls - Bank 2 Ignition Coils
Ignition Controls - Bank 2 Ignition Coils
Master Electrical Component List
Engine Control Module Description
Control Module References
Ignition Controls - CMP Sensors and Solenoids
Ignition Controls - Bank 1 Ignition Coils
Engine Controls Schematic Icons
Underhood Fuse Block B+ Bus - 2 of 2
Underhood Fuse Block EVEN INJ/COIL Fuse
Underhood Fuse Block EVEN INJ/COIL Fuse
G130, G131, G132 and G133 (LY7)