GM Service Manual Online
For 1990-2009 cars only
Makes
🢒
Cadillac
🢒
2005
🢒
CTS
🢒 Ignition Controls - CMP Sensors and Solenoids
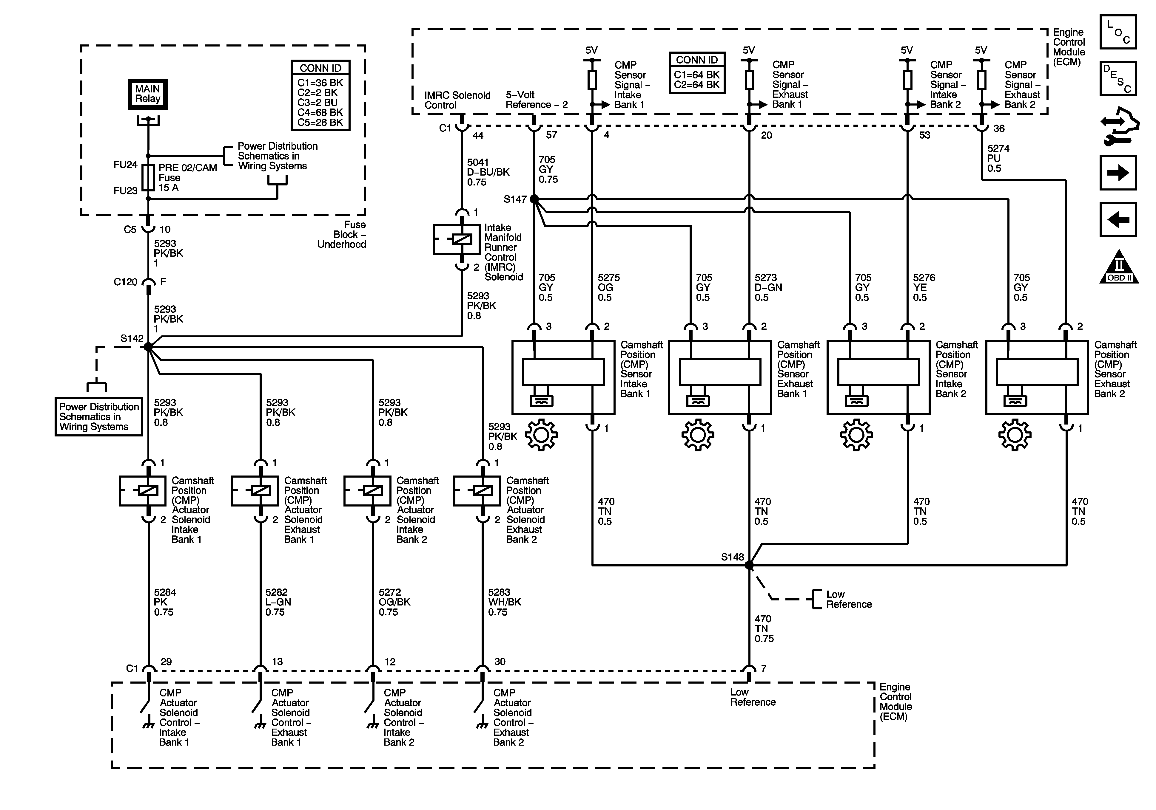
Ignition Controls - CMP Sensors and Solenoids
Ignition Controls - CMP Sensors and Solenoids
Master Electrical Component List
Engine Control Module Description
Control Module References
Ignition Controls - CKP and Knock Sensors
Ignition Controls - Bank 2 Ignition Coils
Engine Controls Schematic Icons
Underhood Fuse Block B+ Bus - 2 of 2
Underhood Fuse Block PRE 02/CAM Fuse
Underhood Fuse Block PRE 02/CAM Fuse
Engine Data Sensors - Pressure, Temperature, and MAF