GM Service Manual Online
For 1990-2009 cars only
Makes
🢒
Cadillac
🢒
2005
🢒
CTS
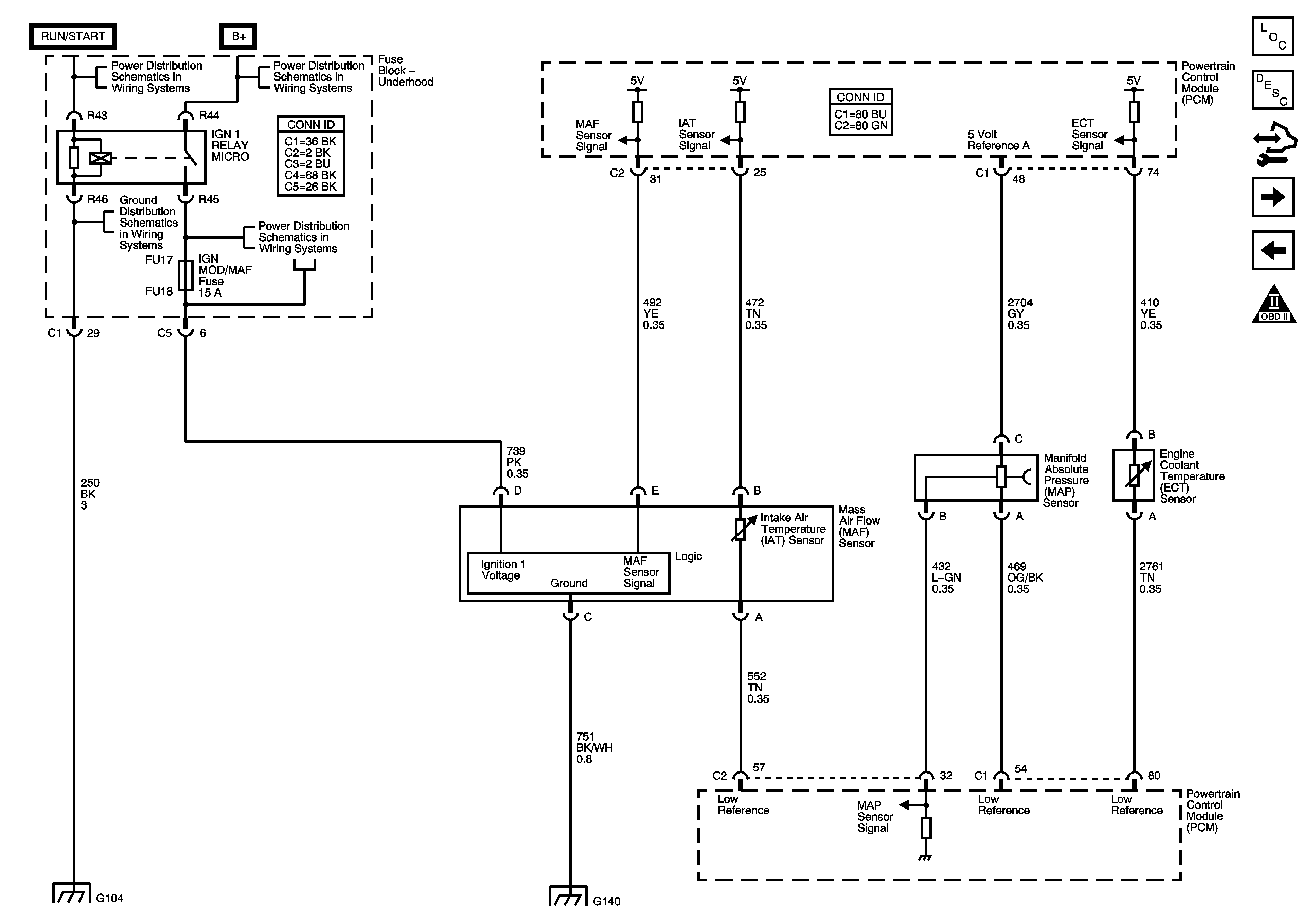
🢒 Engine Data Sensors - MAP, ECT, MAF and IAT Sensors
Engine Data Sensors - MAP, ECT, MAF and IAT Sensors
Engine Data Sensors - MAP, ECT, MAF and IAT Sensors
Master Electrical Component List
Powertrain Control Module Description
Control Module References
Engine Data Sensors - Heated Oxygen Sensors (HO2S)
Engine Data Sensors - 5 volt and Low References Busses
Engine Controls Schematic Icons
Underhood Fuse Block B+ Bus - 2 of 2
Underhood Fuse Block STARTER Relay, IGN 1 Relay, HTR VLV/CLTCH and TCM/IPC Fuses
G104 - 1 of 2
Underhood Fuse Block WASH NOZ, STRG CTLS and IGN MOD/MAF Fuses
G104 - 1 of 2
G140, G141 and G142 (L56)