GM Service Manual Online
For 1990-2009 cars only
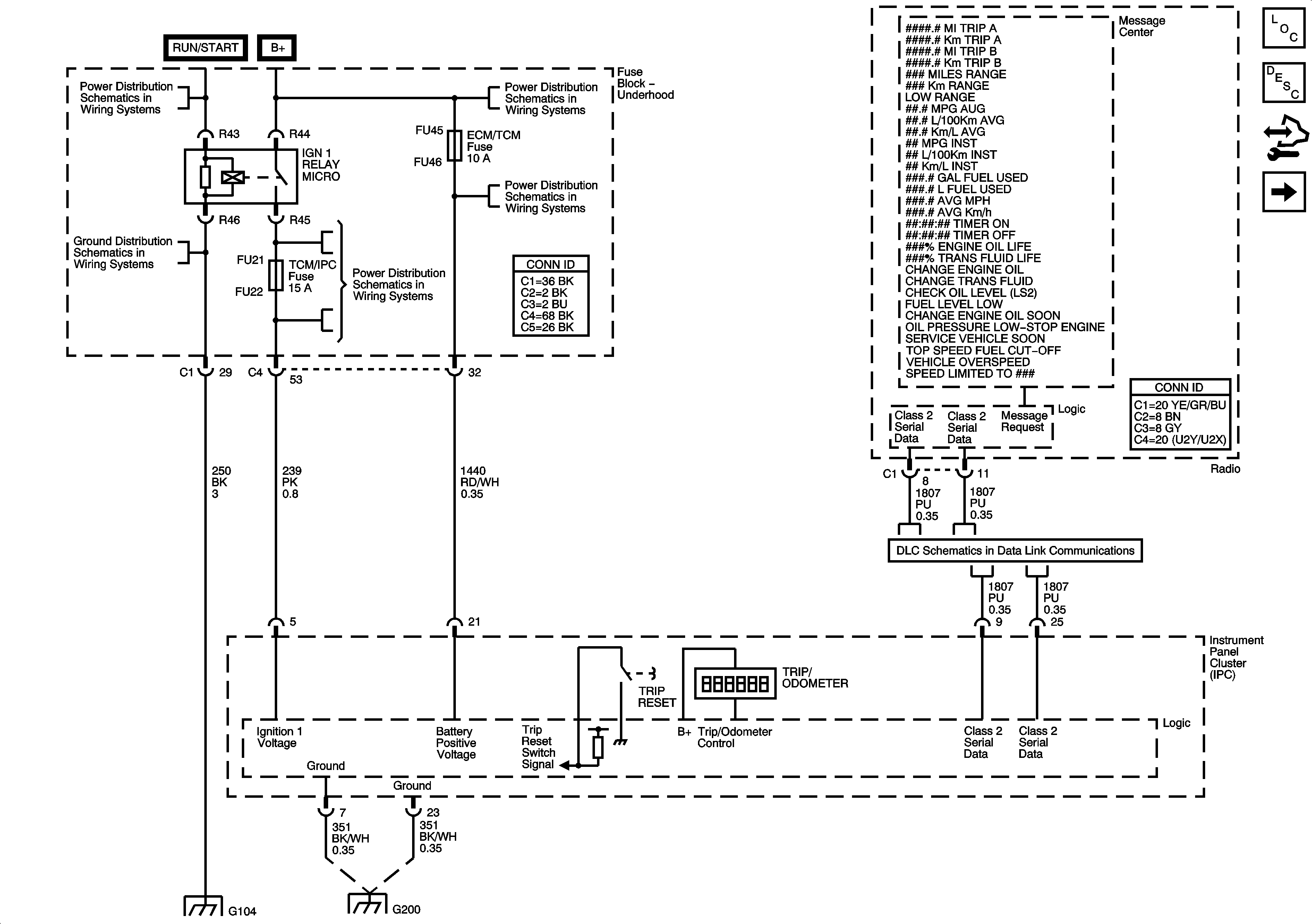
Figure 1:

Power, Ground, Serial Data, Odometer, and DIC


Object Number: 1592601  Size: FS
Master Electrical Component List
Instrument Cluster Description and Operation
Control Module References
Indicators
Ignition Switch - 2 of 2
G104 - 1 of 2
Ignition Switch - 2 of 2
Underhood Fuse Block B+ Bus - 2 of 2
Underhood Fuse Block - DIM/ALDL, VOLT CHECK, FLASHER, CCP, ECM/TCM, and ABS Fuses
G104 - 1 of 2
G200
Class 2 Serial Data Bus (RHD) - 1 of 2
Figure 2:

Indicators


Object Number: 1582837  Size: FS
Master Electrical Component List
Instrument Cluster Description and Operation
Control Module References
Electronic PRNDL (M82)
Power, Ground, Serial Data, Odometer, and DIC
Turn Signal/Hazard Flasher Module
Class 2 Serial Data Bus (RHD) - 1 of 2
Steering Wheel Controls - 6.0L (LS2)
G200
2006 D320 Shift Lever (LHD)
Power, Ground, Serial Data, DIC, and Indicators
Power, Ground, Serial Data, DIC, and Indicators
Brake Warning System
BPP Sensor, Switches, and Indicators - 2.8L/3.6L (LP1/LY7)
Figure 3:

Electronic PRNDL (M82)


Object Number: 1471087  Size: FS
Master Electrical Component List
Instrument Cluster Description and Operation
Control Module References
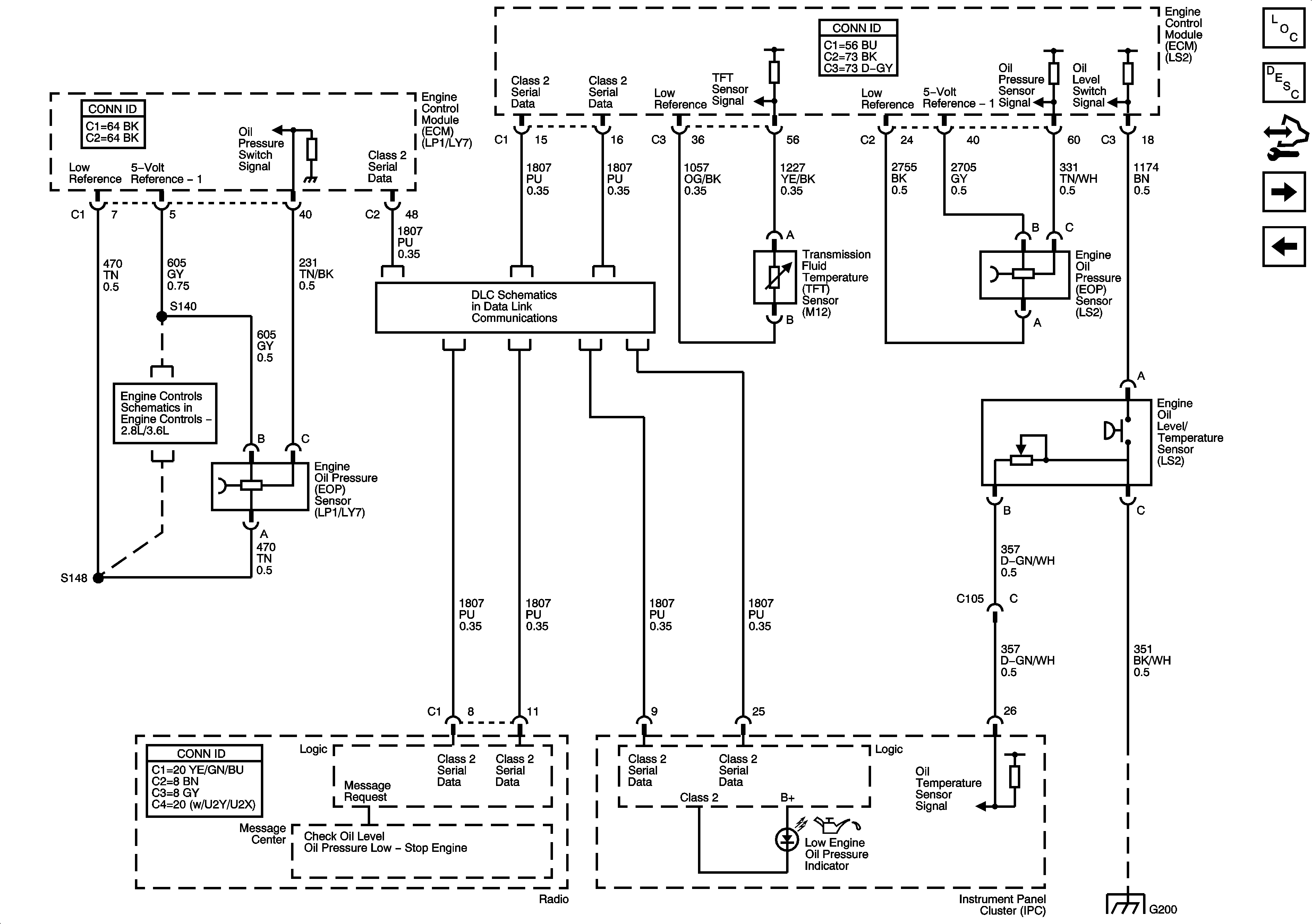
Engine Oil Pressure (EOP) sensor, Engine Oil Level/Temperature Sensor, TFT Indicator
Indicators
Ignition Switch - 2 of 2
G104 - 1 of 2
Underhood Fuse Block B+ Bus - 1 of 2
Underhood Fuse Block - HEADLAMP Relays/Fuses, ACCESSORY Relay, I/P OUTLET, OUTLET, WPR MOD, WPR SW, and ELEC PRNDL Fuses
Class 2 Serial Data Bus (LHD) - 1 of 2
BPP Sensor, Switches, and Indicators - 2.8L/3.6L (LP1/LY7)
G104 - 1 of 2
G201
G201
Power, Ground, and Serial Data - 1 of 2
Figure 4:

Engine Oil Pressure (EOP) Sensor, Engine Oil Level/Temperature Sensor, TFT, and Indicators


Object Number: 1582839  Size: FS
Master Electrical Component List
Instrument Cluster Description and Operation
Control Module References
Gages - 2.8L/3.6L (LP1/LY7)
Electronic PRNDL (M82)
Power, Ground, Serial Data, DIC, and Indicators
Class 2 Serial Data Bus (LHD) - 2 of 2
G140, G141, and G142 (LS2)
Figure 5:

Gages - 2.8L/3.6L (LP1/LY7)


Object Number: 1471090  Size: FS
Master Electrical Component List
Instrument Cluster Description and Operation
Control Module References
Gages - 6.0L (LS2)
Engine Oil Pressure (EOP) sensor, Engine Oil Level/Temperature Sensor, TFT Indicator
Cooling Fans 2.8L/3.6L (LP1/LY7)
Class 2 Serial Data Bus (LHD) - 1 of 2
Fuel Controls - EVAP Controls and IMRC Solenoid
Fuel Controls - EVAP Controls and IMRC Solenoid
Figure 6:

Gages - 6.0L (LS2)


Object Number: 1582842  Size: FS
Master Electrical Component List
Instrument Cluster Description and Operation
Control Module References
Gages - 2.8L/3.6L (LP1/LY7)
Cooling Fans 6.0L (LS2)
Class 2 Serial Data Bus (LHD) - 1 of 2
Fuel Controls - EVAP Controls