GM Service Manual Online
For 1990-2009 cars only
Makes
🢒
Cadillac
🢒
2007
🢒
CTS
🢒
Engine
🢒
Cruise Control
🢒 Cruise Control Schematics
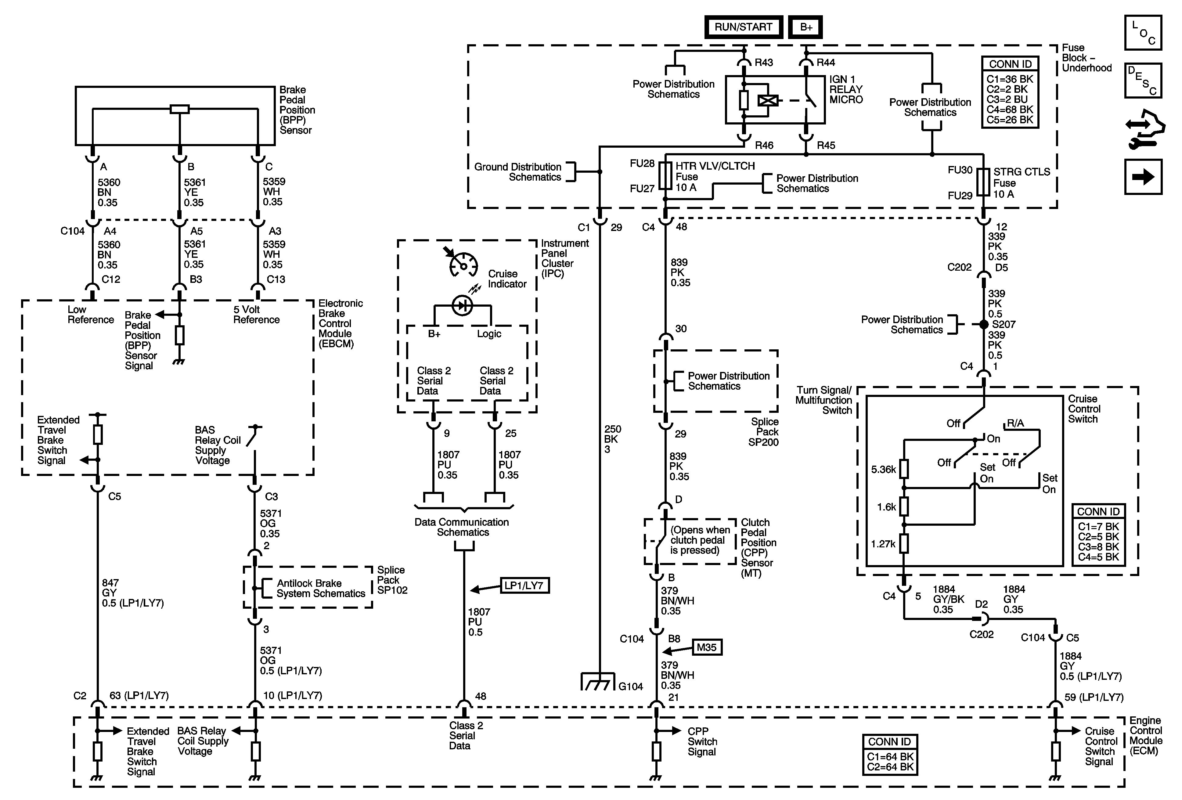
Figure
1:
Cruise Control System - 2.8L/3.6L (LP1/LY7)
Master Electrical Component List
Cruise Control Description and Operation
Control Module References
Cruise Control System - 6.0L (LS2)
G104 1 of 2
Ignition Switch 2 of 2
Underhood Fuse Block B+ BUS 2 of 2
Underhood Fuse Block Starter Relay, IGN 1 Relay, HTR VLV/Clutch and TCM/IPC Fuses
Underhood Fuse Block Starter Relay, IGN 1 Relay, HTR VLV/Clutch and TCM/IPC Fuses
Underhood Fuse Block Wash noz, Strg (TL) and IGN MOD/MAF Fuses
Class 2 (1 of 2) Serial Data Bus - RHD
BPP Sensor, Switches and Indicators - 2.8L/3.6L (LP1/LY7)
G104 1 of 2
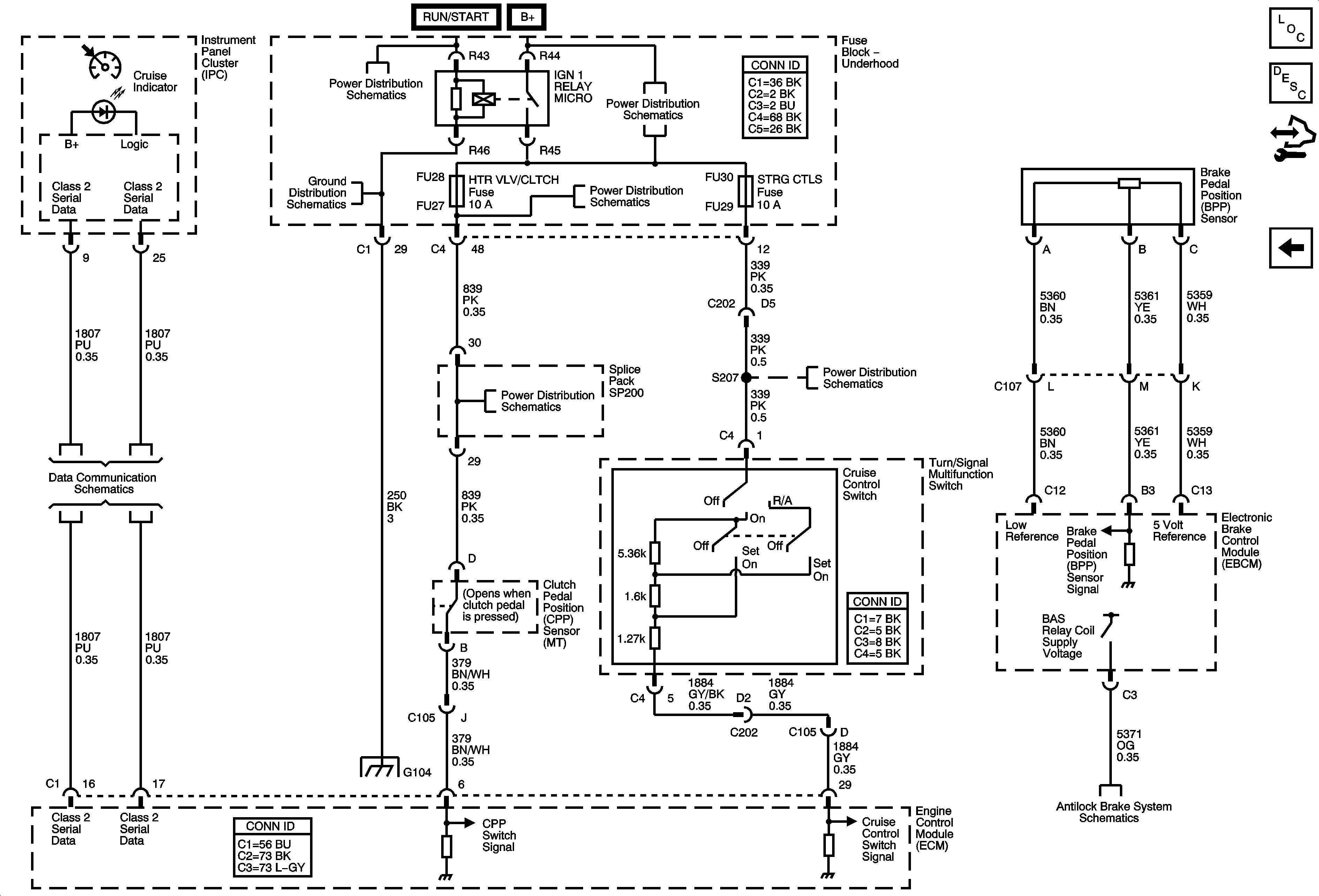
Figure
2:
Cruise Control System - 6.0L (LS2)
Master Electrical Component List
Cruise Control Description and Operation
Control Module References
Cruise Control System - 2.8L/3.6L (LP1/LY7)
Ignition Switch 2 of 2
Underhood Fuse Block B+ BUS 2 of 2
G104 1 of 2
Underhood Fuse Block Starter Relay, IGN 1 Relay, HTR VLV/Clutch and TCM/IPC Fuses
Class 2 Serial Data Bus - LHD (1 of 2)
Underhood Fuse Block Starter Relay, IGN 1 Relay, HTR VLV/Clutch and TCM/IPC Fuses
Underhood Fuse Block Wash noz, Strg (TL) and IGN MOD/MAF Fuses
G104 1 of 2
BPP Sensor, Switches and Indicators - 2.8L/3.6L (LP1/LY7)