GM Service Manual Online
For 1990-2009 cars only
Makes
🢒
Cadillac
🢒
2007
🢒
CTS
🢒
Transmission/Transaxle
🢒
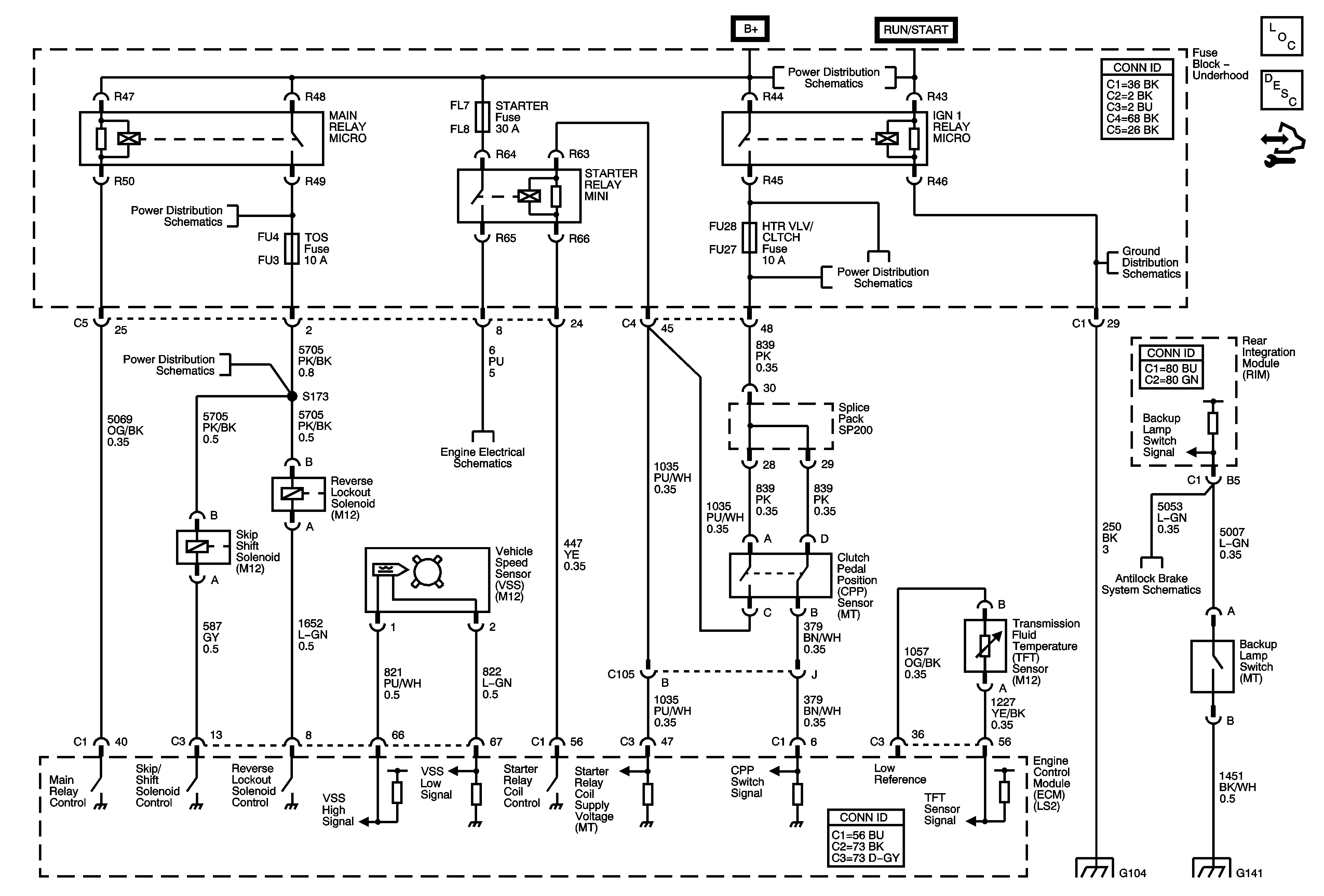
Manual Transmission - Tremec 6-Speed
🢒 Manual Transmission Schematics
Master Electrical Component List
Manual Transmission Description and Operation
Control Module References
Underhood Fuse Block Starter Relay, IGN 1 Relay, HTR VLV/Clutch and TCM/IPC Fuses
Underhood Fuse Block Pre O2/CAM Fuse
Underhood Fuse Block Starter Relay, IGN 1 Relay, HTR VLV/Clutch and TCM/IPC Fuses
G104 1 of 2
Underhood Fuse Block Cooling Fan Fuses/Relays, Main Relay, ECM, and TOS
Starting System - 2.8L/3.6L (LP1/LY7)
BPP Sensor, Switches and Indicators - 2.8L/3.6L (LP1/LY7)
G104 1 of 2
G140, G141, and G142 (LS2)