GM Service Manual Online
For 1990-2009 cars only
Makes
🢒
Cadillac
🢒
2007
🢒
CTS
🢒
Safety and Security
🢒
Immobilizer
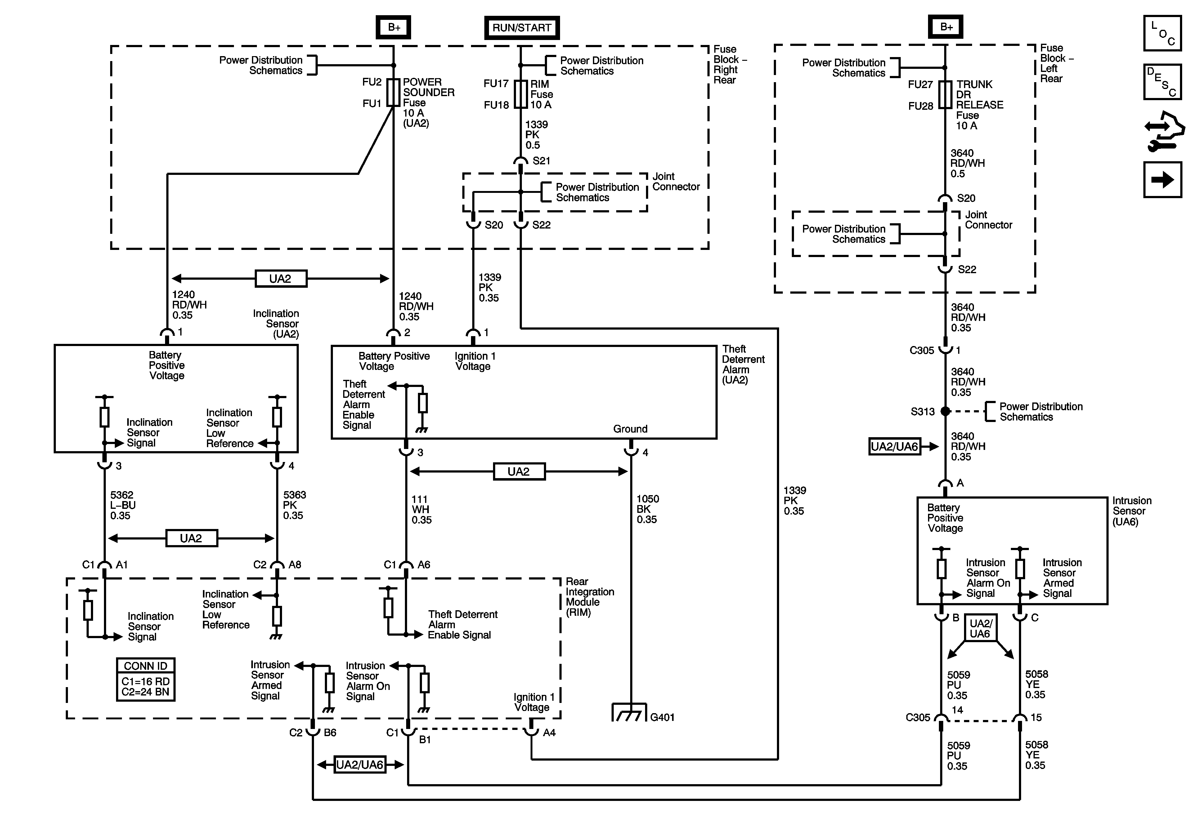
🢒 Theft Deterrent System Schematics
Figure
1:
Theft Deterrent Alarm, Intrusion Sensor, and Inclination Sensor (Export w/UA2)
Master Electrical Component List
Content Theft Deterrent (CTD) Description and Operation
Control Module References
Door Modules, Serial Data and Indicator
Right Rear Fuse Block B+ Bus
Right Rear Fuse Block IGN 1 Relay, Airbag, RIM, ABS, PSGR DR MOD, and TV/VICS Fuses
Right Rear Fuse Block IGN 1 Relay, Airbag, RIM, ABS, PSGR DR MOD, and TV/VICS Fuses
Underhood Fuse Block B+ BUS 2 of 2
Underhood Fuse Block B+ BUS 2 of 2
Left Rear Fuse Block Seat Circuit Breaker, Trunk Relay/Fuse, Amp, Audio, Driver Dr MOD, and Rear DR MOD Fuse
G401
Figure
2:
Door Modules, Serial Data, and Indicator
Master Electrical Component List
Content Theft Deterrent (CTD) Description and Operation
Control Module References
Theft Deterrent Alarm, Intrusion, Sensor and Inclination Sensor (Export w/UA2)
Class 2 (1 of 2) Serial Data Bus - RHD
Horns Schematics
Underhood Fuse Block B+ 1 of 2
Underhood Fuse Block Park Lamp Relay/Fuses and Dimming Fuses
Front Marker Lamps (w/TT7) and Front Park Lamps (w/o TT7)
G104 1 of 2