GM Service Manual Online
For 1990-2009 cars only
Makes
🢒
Cadillac
🢒
2007
🢒
CTS
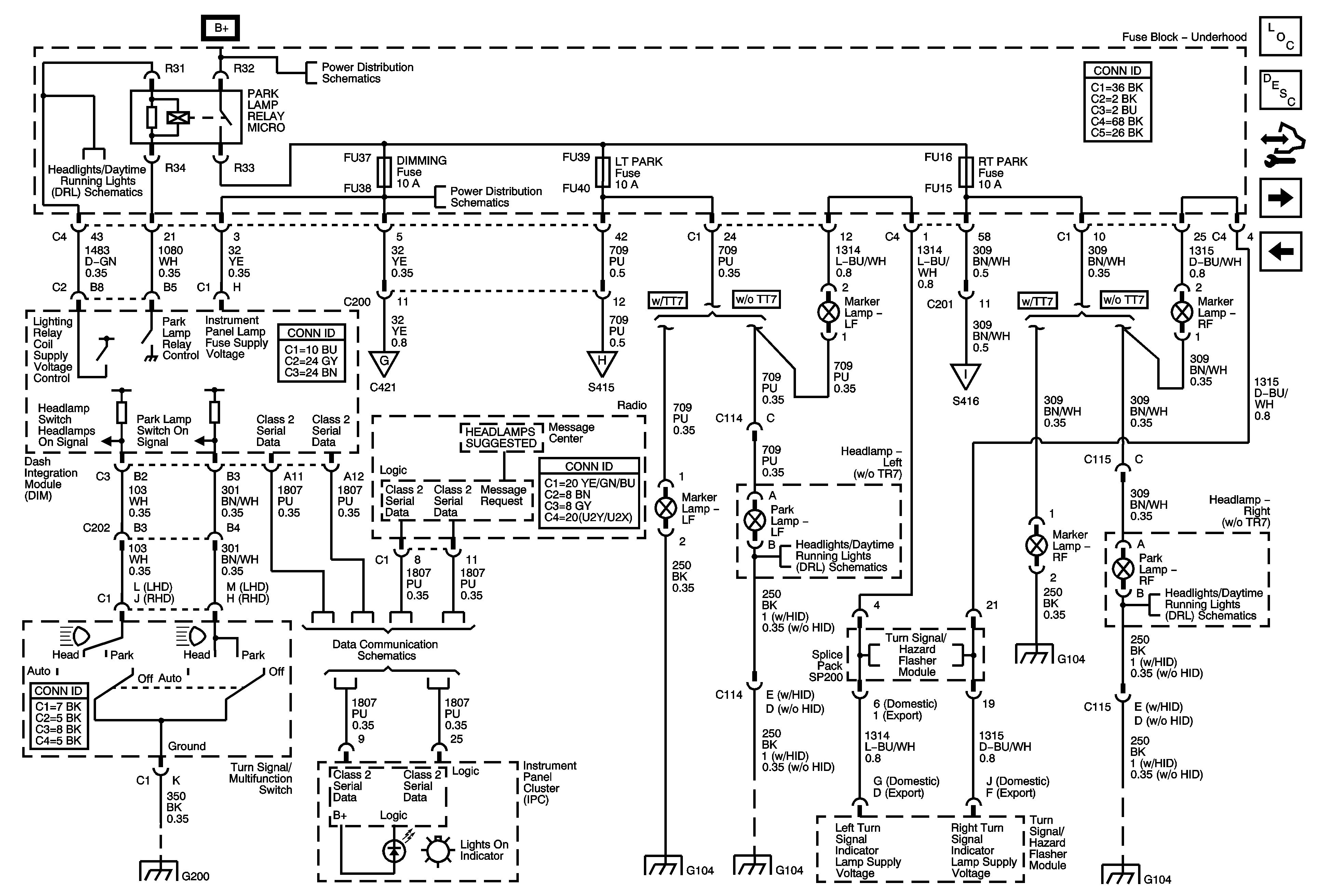
🢒 Front Marker Lamps (w/TT7) and Front Park Lamps (w/o TT7)
Front Marker Lamps (w/TT7) and Front Park Lamps (w/o TT7)
Front Marker Lamps (w/TT7) and Front Park Lamps (w/o TT7)
Master Electrical Component List
Exterior Lighting Systems Description and Operation
Control Module References
License Lamps, Rear Marker Lamps and Tail Lamps
Turn SIgnal Lamps (Domestic and Export) Repeator Lamps (Export w/T90)
Headlamp Controls
Underhood Fuse Block B+ 1 of 2
Underhood Fuse Block Park Lamp Relay/Fuses and Dimming Fuses
License Lamps, Rear Marker Lamps and Tail Lamps
License Lamps, Rear Marker Lamps and Tail Lamps
License Lamps, Rear Marker Lamps and Tail Lamps
Lighting Headlights/DRL (Headlamps)
Lighting Headlights/DRL (Headlamps)
Class 2 Serial Data Bus - LHD (1 of 2)
G104 1 of 2
G200
G104 1 of 2
G104 2 of 2
G104 2 of 2