GM Service Manual Online
For 1990-2009 cars only
Makes
🢒
Cadillac
🢒
2007
🢒
CTS
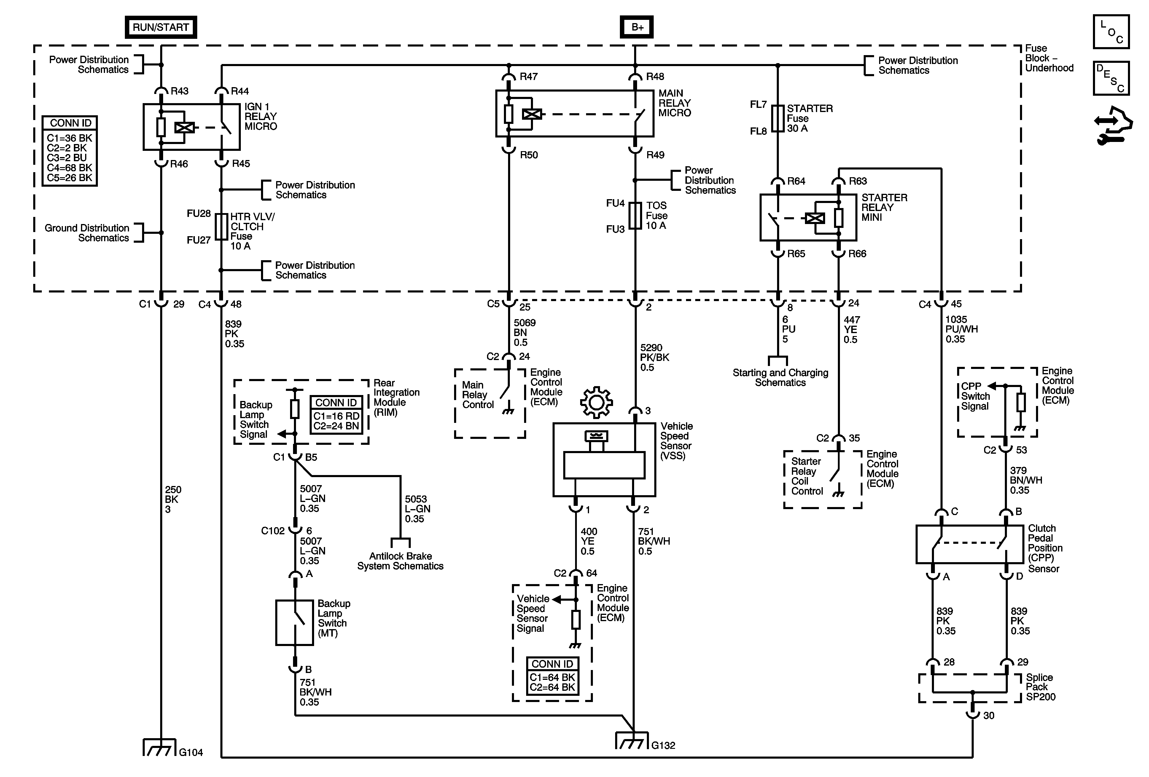
🢒 Manual Transmission - Aisin AY6 (M35) Schematics
Manual Transmission - Aisin AY6 (M35) Schematics
Master Electrical Component List
Transmission System Description and Operation
Control Module References
Ignition Switch 2 of 2
Underhood Fuse Block Wash noz, Strg (TL) and IGN MOD/MAF Fuses
G104 - 1 of 2
Underhood Fuse Block B+ BUS 2 of 2
Underhood Fuse Block B+ BUS 2 of 2
G104 1 of 2
Underhood Fuse Block Wash noz, Strg (TL) and IGN MOD/MAF Fuses
Starting System - 2.8L/3.6L (LP1/LY7)
G104 1 of 2
BPP Sensor, Switches and Indicators - 2.8L/3.6L (LP1/LY7)
G130, G131, G132 and G133 (LP1/LY7)