GM Service Manual Online
For 1990-2009 cars only
Makes
🢒
Cadillac
🢒
2007
🢒
CTS
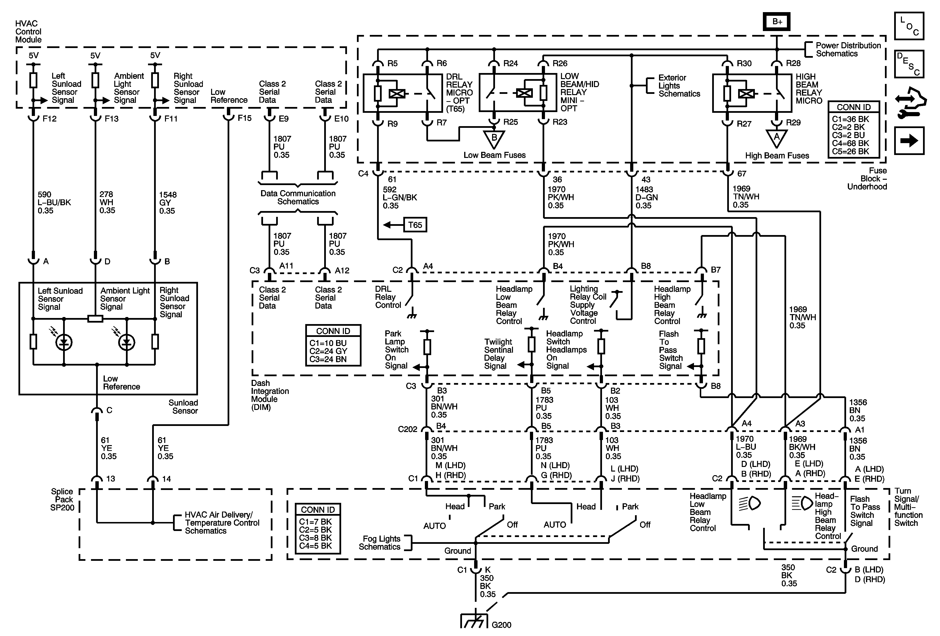
🢒 Headlamp Controls
Headlamp Controls
Headlamp Controls
Master Electrical Component List
Exterior Lighting Systems Description and Operation
Control Module References
Lighting Headlights/DRL (Headlamps)
Class 2 Serial Data Bus - LHD (2 of 2)
Lighting Headlights/DRL (Headlamps)
Front Marker Lamps (w/TT7) and Front Park Lamps (w/o TT7)
Lighting Headlights/DRL (Headlamps)
Underhood Fuse Block B+ 1 of 2
Ambient Air Temp. Sensor, Sunload Sensor, and DIC
Fog Lamps - Front
G200