GM Service Manual Online
For 1990-2009 cars only
Makes
🢒
Cadillac
🢒
2007
🢒
CTS
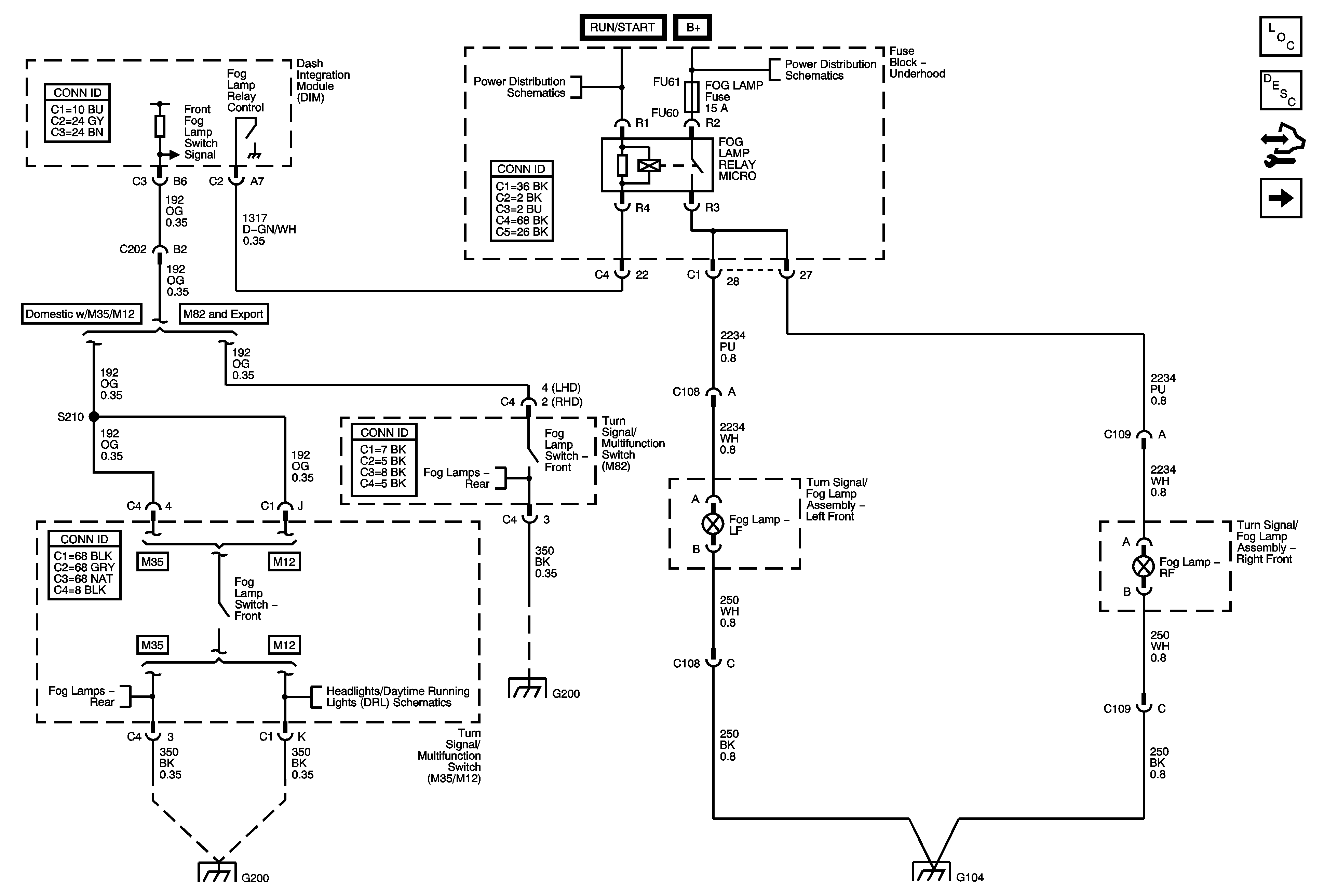
🢒 Fog Lamps - Front
Fog Lamps - Front
Fog Lamps - Front
Master Electrical Component List
Exterior Lighting Systems Description and Operation
Control Module References
Fog Lamps - Rear (Export w/T79)
Ignition Switch 2 of 2
Underhood Fuse Block B+ 1 of 2
Fog Lamps - Rear (Export w/T79)
Fog Lamps - Rear (Export w/T79)
Headlamp Controls
G200
G200
G104 1 of 2