GM Service Manual Online
For 1990-2009 cars only
Makes
🢒
Cadillac
🢒
2007
🢒
CTS
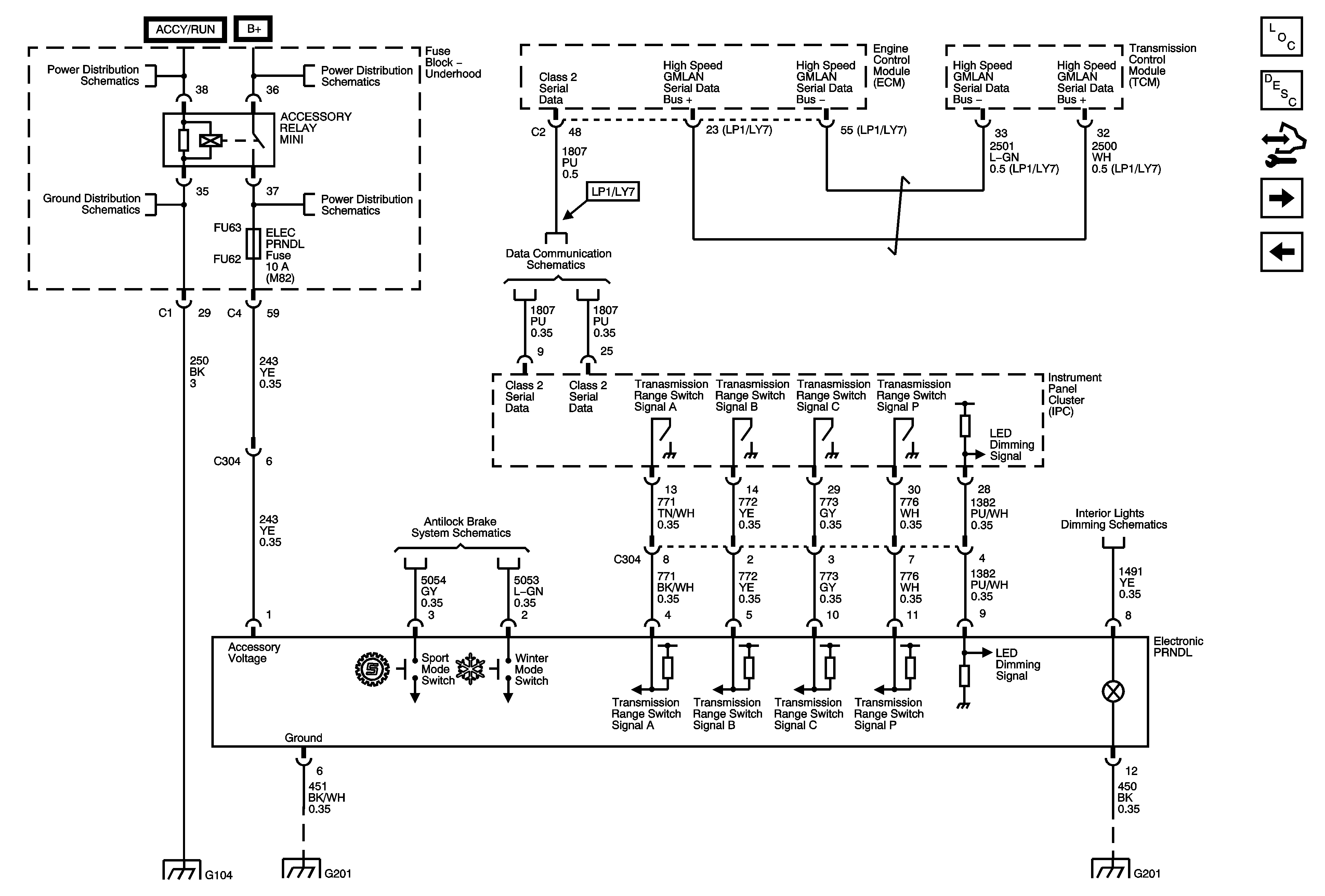
🢒 Electronic PRNDL (M82)
Electronic PRNDL (M82)
Electronic PRNDL (M82)
Master Electrical Component List
Instrument Cluster Description and Operation
Control Module References
Engine Oil Pressure (EOP) Sensor, Engine Oil Level/Temp. Sensor, TFT and Indicator
Indicators
Ignition Switch 2 of 2
G104 1 of 2
Underhood Fuse Block B+ 1 of 2
Underhood Fuse Block Headlamp Relays/Fuses, Accessory relay, I/P Outlet, Outlet, Wiper Module, Wiperswitch, and Elec PRNDL Fuses
Class 2 Serial Data Bus - LHD (1 of 2)
G104 1 of 2
G201
BPP Sensor, Switches and Indicators - 2.8L/3.6L (LP1/LY7)
Power, Ground and Serial Data 1 of 2
G201