GM Service Manual Online
For 1990-2009 cars only
Makes
🢒
Cadillac
🢒
2007
🢒
CTS
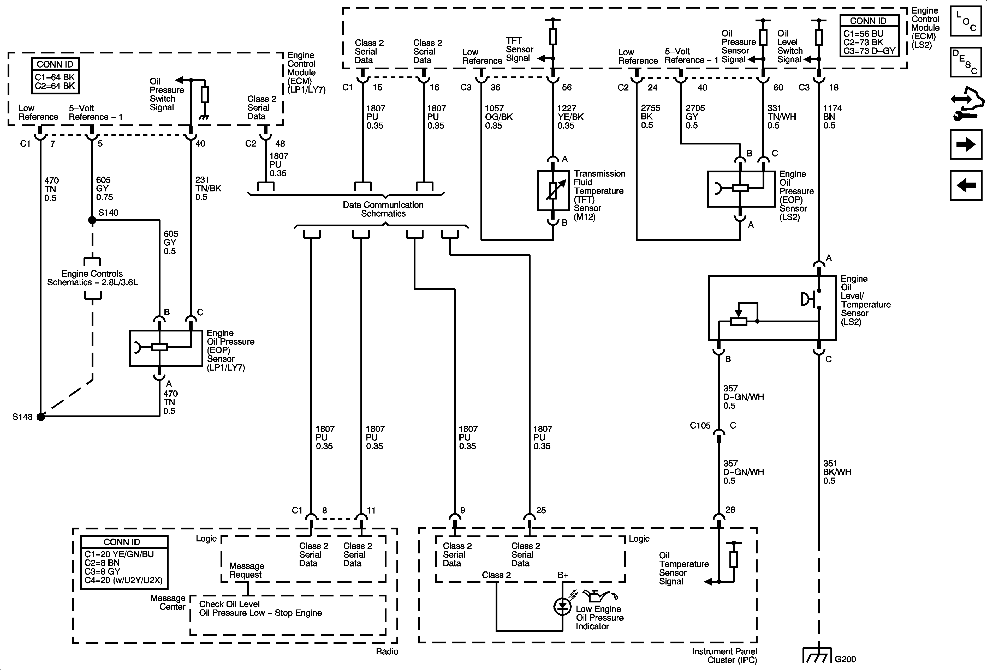
🢒 Engine Oil Pressure (EOP) Sensor, Engine Oil Level/Temp. Sensor, TFT and Indicator
Engine Oil Pressure (EOP) Sensor, Engine Oil Level/Temp. Sensor, TFT and Indicator
Engine Oil Pressure (EOP) Sensor, Engine Oil Level/Temperature Sensor, TFT, and Indicators
Master Electrical Component List
Instrument Cluster Description and Operation
Control Module References
Gages 2.8L/3.6L (LP1/LY7)
Electronic PRNDL (M82)
Engine Controls - 2.8L/3.6L (LP1/LS2) (Power, Ground, Serial, DIC and Indicator)
Class 2 Serial Data Bus - LHD (2 of 2)
G140, G141, and G142 (LS2)