GM Service Manual Online
For 1990-2009 cars only
Makes
🢒
Cadillac
🢒
1997
🢒
Catera
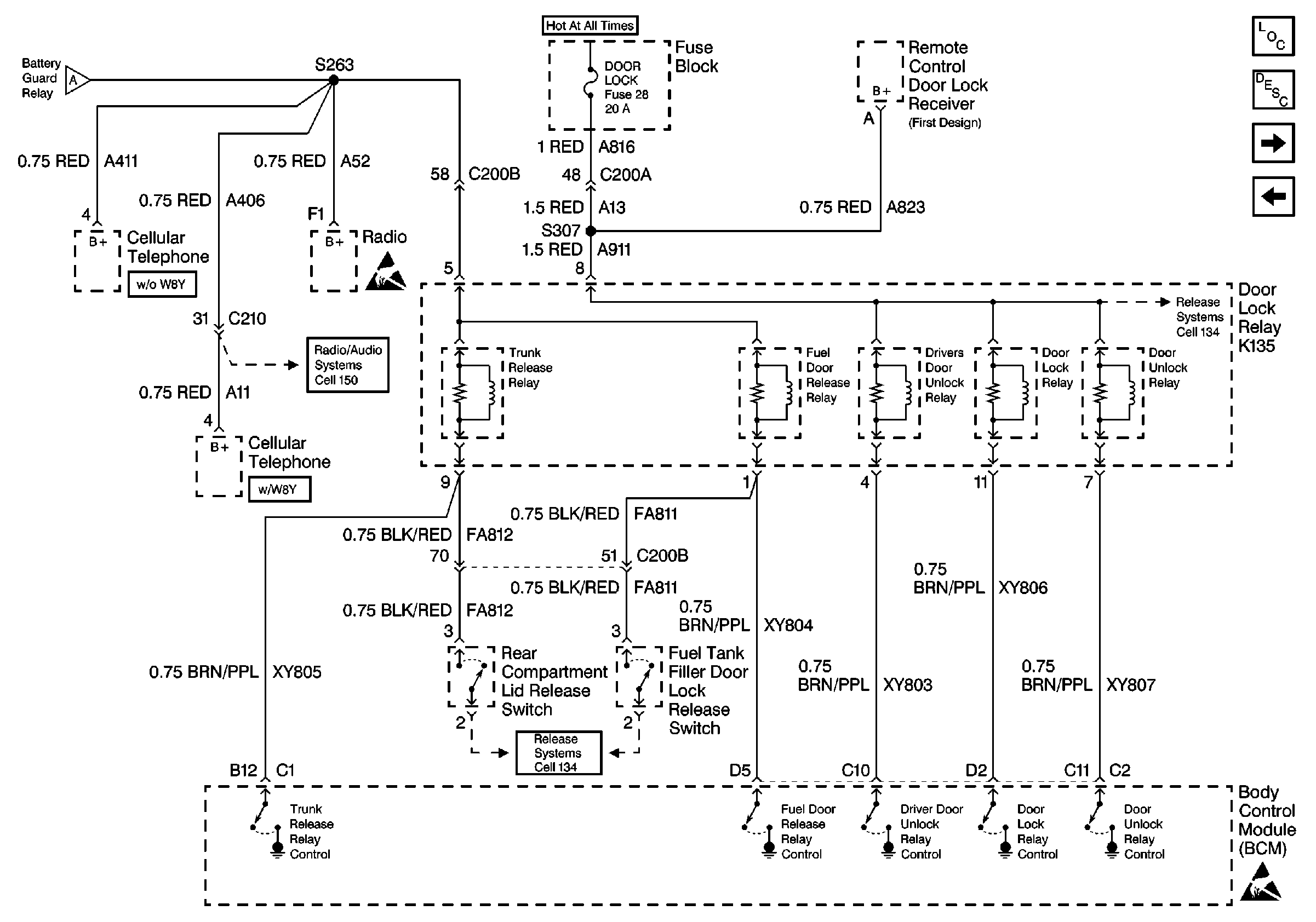
🢒 Cell 51: Door Lock Relay K135
Cell 51: Door Lock Relay K135
Cell 51: Door Lock Relay K135
Body Control Module Components
Body Control System Operation
Cell 51: DRL, LH and RH High Beam Relays
Cell 51: Multifunction Relay K134
Handling ESD Sensitive Parts Notice
Handling ESD Sensitive Parts Notice
Cell 51: Multifunction Relay K134
Cell 134 Fuel Tank Filler Door Lock Release Switch, Rear CompartmenT Lid Release Switch,
Cell 150 Compact Disk Changer and Sound Processor Interface (Bose® System)
Cell 134 Door Lock Relay, BCM, Fuel Tank Filler Door Lock Actuator, Rear Compartment Acuator