GM Service Manual Online
For 1990-2009 cars only
Makes
🢒
Cadillac
🢒
1997
🢒
Catera
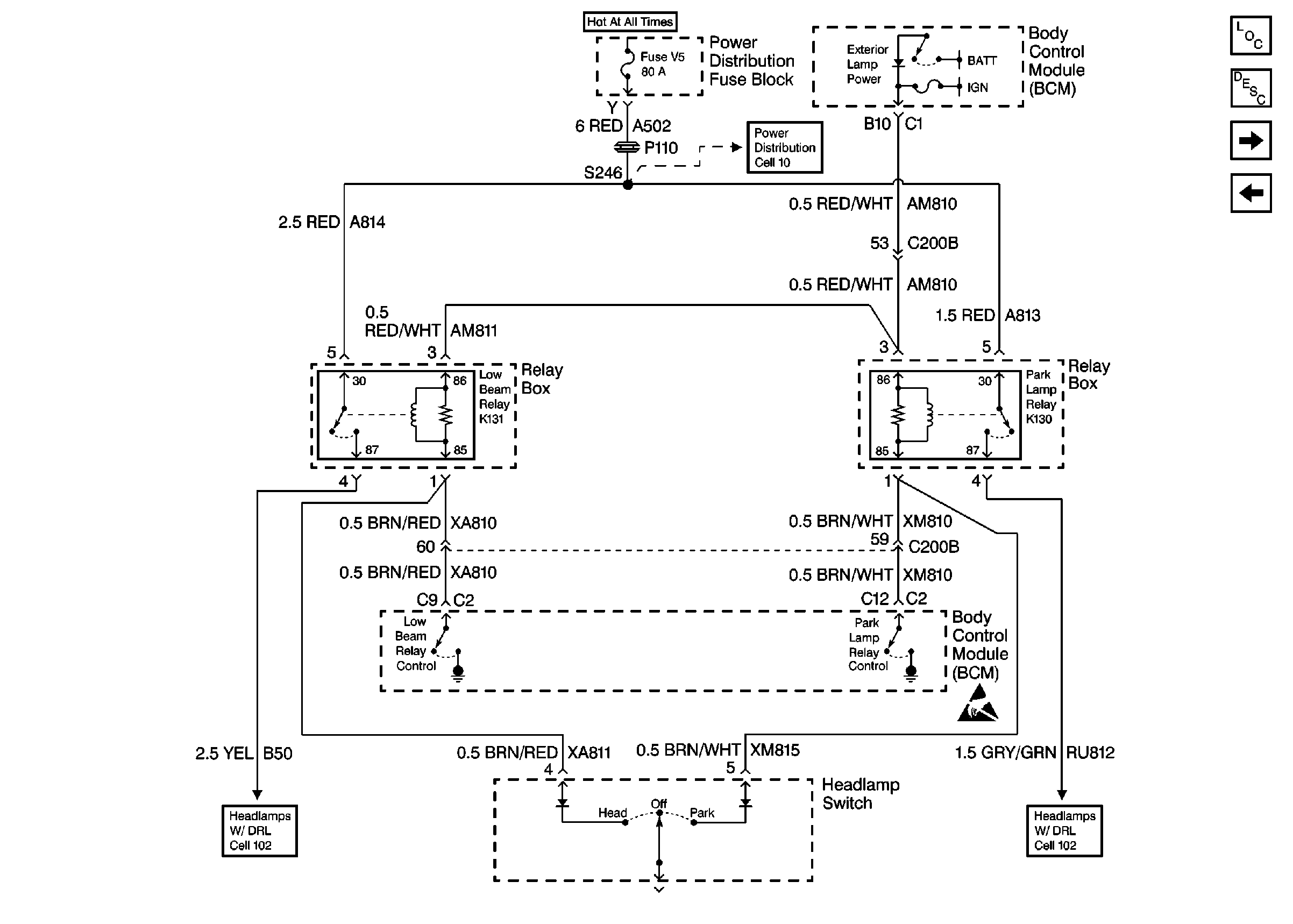
🢒 Cell 51: Low Beam and Park Lamp Relays
Cell 51: Low Beam and Park Lamp Relays
Cell 51: Low Beam and Park Lamp Relays
Body Control Module Components
Body Control System Operation
Cell 51: Headlamps ON, Brk. to Shift and Security Ind. Controls
Cell 51: DRL, LH and RH High Beam Relays
Cell 10 Fuse Block, Low Beam Relay and Park Lamp Relay
Handling ESD Sensitive Parts Notice
Cell 102 BCM, Headlamp Switch, Park Lamp Relay K130, and Low Beam RelayK131
Cell 102 BCM, Headlamp Switch, Park Lamp Relay K130, and Low Beam RelayK131