GM Service Manual Online
For 1990-2009 cars only

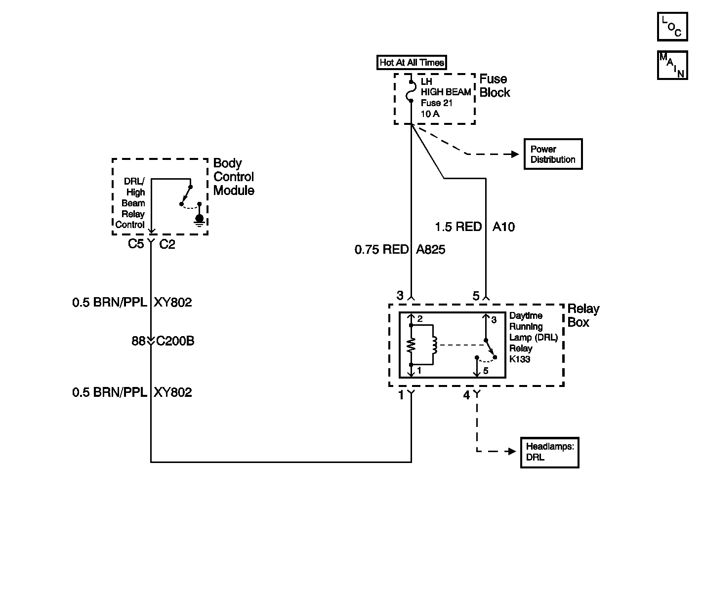
Object Number: 241208  Size: LF
Body Control Module Components
Cell 51: DRL, LH and RH High Beam Relays
Cell 10 Fuse Block, Horns, Fuel Pump, EBTCM, LH Headlamp and DRL Relays
Handling ESD Sensitive Parts Notice
Cell 102 DRL Relay K133, LH and RH Hi Beam Headlamp Relays, and BCM

Circuit Description

The body control module (BCM) commands the daytime running lamps (DRL) On and Off through a discrete output to the DRL relay. The daytime running lamps can only be active under one or all of the following conditions:

    • The ignition switch is in the ON position.
    • The Twilight Sentinel is not active.
    • The low beam headlamps are OFF.
    • The high beam headlamps are OFF.
    • The fog lamps are OFF.
    • The transmission is not in PARK.

The high beam lamps are placed in series when the DRL relay is energized. This circuit configuration provides the lower illumination for the DRL.

Conditions for Setting the DTC

The BCM monitors the output to the DRL relay every second at terminal C5. The fault code is set when the feedback doesn't match the commanded state for 2 seconds (open circuit, short to B+ or ground).

Action Taken When the DTC Sets

    • The BCM continues to command the state requested until the state is achieved or changes.
    • Stores a DTC B2470 in the BCM memory.

Conditions for Clearing the DTC

    • The conditions for the fault are no longer present.
    • The use of a scan tool.
    • A history DTC will clear after 50 consecutive ignition cycles if the condition for the fault is no longer present.

Diagnostic Aids

Refer to Power and Grounding Component Views in Wiring Systems for an end view and for terminal assignments of the relay box when the diagnostics direct you to take electrical measurements at the relay box.

Test for the following conditions if a history or intermittent DTC is indicated:

    • A damaged wiring harness. Inspect the wiring harness for damage. If the wiring harness appears to be in good condition, observe the display on the DMM while moving the connectors and wiring harnesses related to the circuits. A change in the DMM display during this test will indicate the location of the fault.
    • For additional information, refer to Intermittents and Poor Connections Diagnosis .

Test Description

The following numbers refer to the step numbers on the diagnostic table:

  1. This step uses a scan tool to test the DRL operation and to verify if the fault is present.

  2. This step tests for an intermittent condition in the circuits that can cause a DTC B2470 to set.

  3. After verifying that no circuit problems exist, the BCM is most likely at fault. The BCM needs to be programmed after installation.

Step

Action

Value(s)

Yes

No

1

Did you perform the BCM System Check?

--

Go to Step 2

Go to Diagnostic System Check - Body Control System

2

  1. Connect the scan tool to the data link connector (DLC).
  2. Select DAYTIME RUNNING LIGHTS from the Light Test Menu in Special Functions.
  3. Press the ON button then press the OFF button and monitor DRL operation.

Did the daytime running lamps light when commanded ON?

--

Go to Step 3

Go to Step 4

3

  1. Problem is not current at this time. Test terminal C5 connector C2 of the BCM for a poor connection.
  2. Test CKT XY802 (BRN/PPL) for an intermittent open, short to ground or voltage.
  3. Test CKT A825 (RED) for an intermittent open.

Were any repairs made?

--

Go to Step 12

--

4

  1. Disconnect BCM connector C2.
  2. Use a DMM in order to measure the voltage at terminal C5.

Is the measured voltage at the specified value?

B+

Go to Step 5

Go to Step 6

5

  1. Remove the daytime running lamp (DRL) relay from the relay box.
  2. Remeasure the voltage at terminal C5.

Is the voltage at terminal C5 less than the specified value?

1 V

Go to Step 11

Go to Step 10

6

  1. Measure the resistance from terminal 1 of the relay box to BCM connector C2 terminal C5 (CKT XY802).
  2. Remove fuse 21.
  3. Measure the resistance from terminal 3 of the relay box to the bottom terminal of the fuse block (CKT A825).
  4. Test for an open in the DRL relay coil between terminal 1 and terminal 2.

Was an open found in either circuit or DRL relay coil?

--

Go to Step 8

Go to Step 7

7

Measure the resistance from BCM connector C2 terminal C5 (CKT XY802) to a good ground.

Is the measured resistance at the specified value?

OL

Go to Step 12

Go to Step 9

8

Locate and repair the open circuit in CKTs XY802, A825 or replace the relay.

Is the repair or replacement complete?

--

Go to Step 12

--

9

Locate and repair the short to ground in CKT XY802.

Is the repair complete?

--

Go to Step 12

--

10

Locate and repair the short to B+ in CKT XY802.

Is the repair complete?

--

Go to Step 12

--

11

Important: Perform the set up procedure for the BCM.

Replace the BCM. Refer to Body Control Module Replacement .

Is the replacement complete?

--

Go to Step 12

--

12

  1. Install the scan tool in order to clear any BCM DTCs.
  2. Verify proper DRL operation.
  3. Retest for DTC B2470.

Did a current DTC B2470 set?

--

Go to Step 2

System OK