GM Service Manual Online
For 1990-2009 cars only
Makes
🢒
Cadillac
🢒
1999
🢒
Catera
🢒 Cell 20: Ignition System
Cell 20: Ignition System
Cell 20: Ignition System
Engine Controls Components
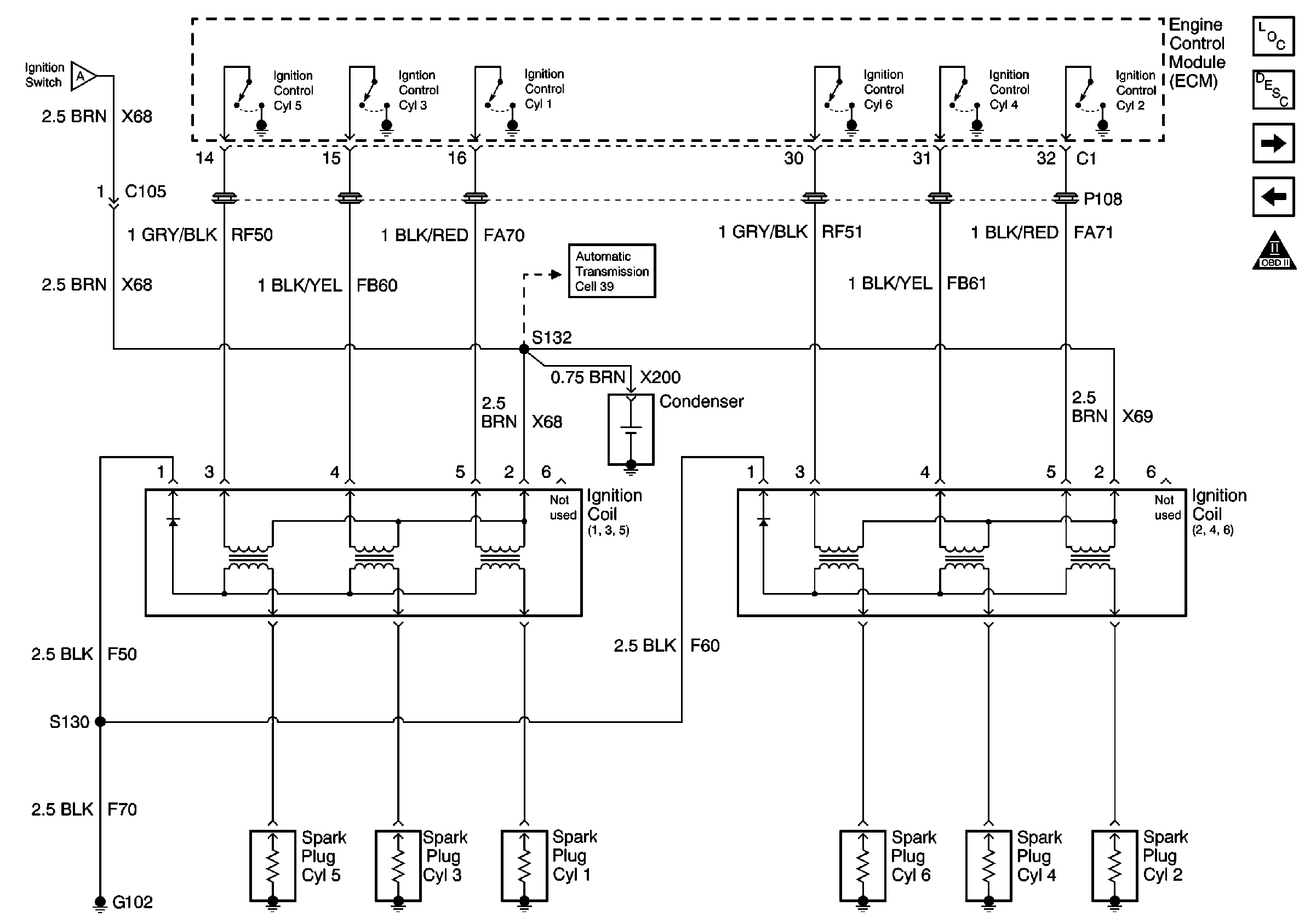
Electronic Ignition (EI) System Description
Cell 20: Fuel Controls
Cell 20: DLC and CAN Interface
OBD II Symbol Description Notice
Cell 20: Power, Ground, and MIL
Automatic Transmission Controls Schematics