GM Service Manual Online
For 1990-2009 cars only
Makes
🢒
Cadillac
🢒
1999
🢒
Catera
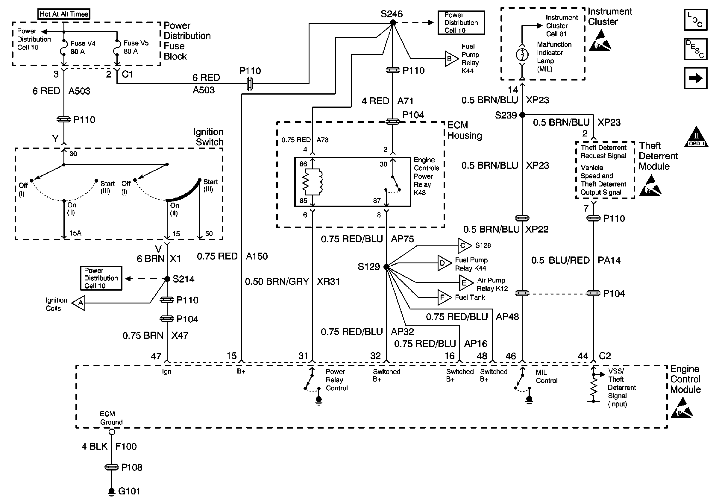
🢒 Cell 20: Power, Ground, and MIL
Cell 20: Power, Ground, and MIL
Cell 20: Power, Ground, and MIL
Engine Controls Components
Engine Control Module Description
Cell 20: DLC and CAN Interface
OBD II Symbol Description Notice
Handling ESD Sensitive Parts Notice
Handling ESD Sensitive Parts Notice
Handling ESD Sensitive Parts Notice
Power Distribution Schematics
Power Distribution Schematics
Cell 20: Ignition System
Power Distribution Schematics
Cell 20: Fuel Controls
Cell 20: Engine Data Sensors
Cell 20: Fuel Controls
Cell 20: Air Injection Pump, MAF and ECT Sensors
Cell 20: EVAP Tank, Purge and Intake Plenum, Resonance Sol. Valves