GM Service Manual Online
For 1990-2009 cars only
Makes
🢒
Cadillac
🢒
2001
🢒
Catera
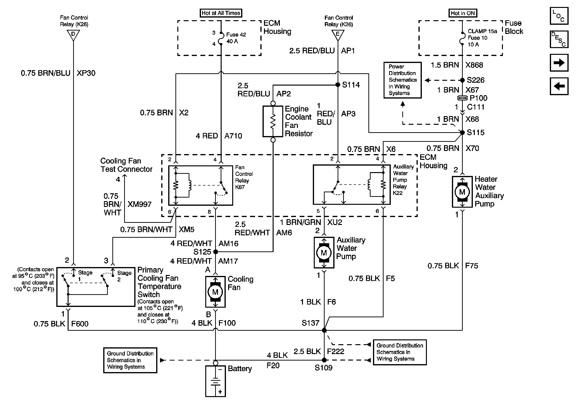
🢒 Cooling Fan, Auxiliary Water Pump, and Heater Water Auxiliary Pump
Cooling Fan, Auxiliary Water Pump, and Heater Water Auxiliary Pump
Cooling Fan, Auxiliary Water Pump, and Heater Water Auxiliary Pump
Master Electrical Component List
Cooling System Description and Operation
Auxiliary Engine Cooling Fan #2
Auxiliary Engine Coolant Fan #1
Auxiliary Engine Coolant Fan #1
Battery Cable Bus
Auxiliary Engine Coolant Fan #1
Underhood Fuse Block Fuses V1 and V4, and Ignition Switch
Fuse Block Fuses 10 and 24
G103 (1 of 8)
G103 (2 of 8)