GM Service Manual Online
For 1990-2009 cars only
Makes
🢒
Cadillac
🢒
2001
🢒
Catera
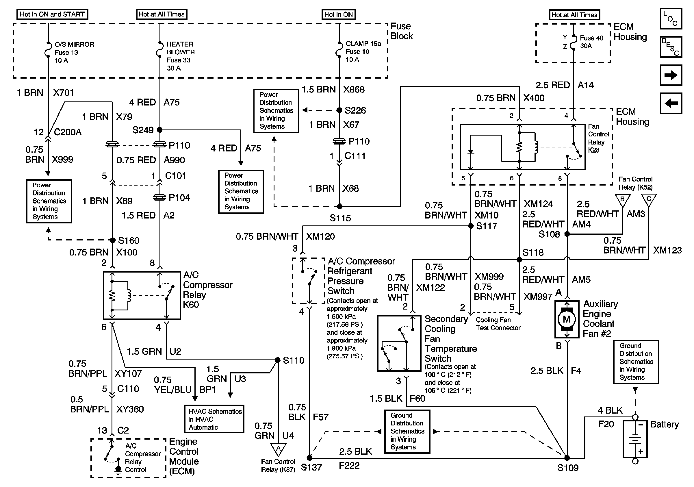
🢒 Auxiliary Engine Cooling Fan #2
Auxiliary Engine Cooling Fan #2
Auxiliary Engine Coolant Fan #2
Master Electrical Component List
Cooling System Description and Operation
Coolant Level Indicator
Cooling Fan, Auxiliary Water Pump, and Heater Water Auxiliary Pump
Underhood Fuse Block Fuses V1 and V4, and Ignition Switch
Underhood Fuse Block Fuse V6 and Fuse Block Fuses 17, 28, 29, 33, and34
Underhood Fuse Block Fuses V1 and V4, and Ignition Switch
Battery Cable Bus
Fuse Block Fuses 10 and 24
Fuse Block Fuses 3, 13, and 19
Underhood Fuse Block Fuse V6 and Fuse Block Fuses 17, 28, 29, 33, and34
Auxiliary Engine Coolant Fan #1
G103 (1 of 8)
Compressor Controls
Auxiliary Engine Coolant Fan #1
G103 (2 of 8)