GM Service Manual Online
For 1990-2009 cars only
Makes
🢒
Cadillac
🢒
2001
🢒
Catera
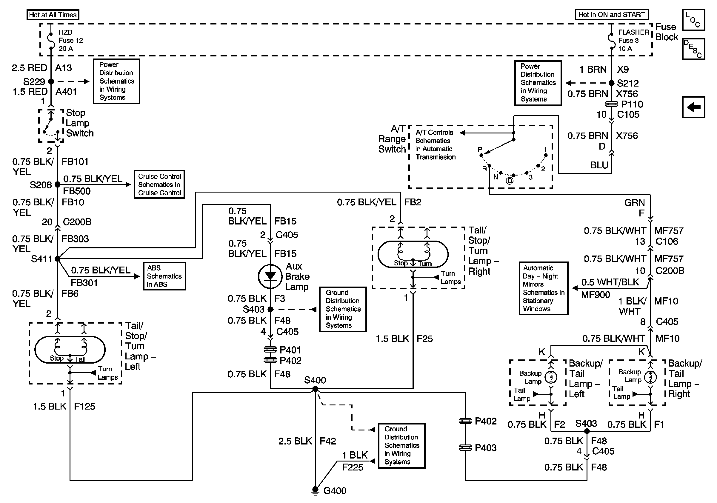
🢒 Stop and Backup Lamps
Stop and Backup Lamps
Tail/Stop/Turn Lamps, AUX Brake Lamp, and Backup/Tail Lamps
Master Electrical Component List
Exterior Lighting Systems Description and Operation
Turn/Hazard Lamps
Underhood Fuse Block Fuse V5 and Fuse Block Fuses 6, 7, 20, and 25
Underhood Fuse Block Fuses V1 and V4, and Ignition Switch
Fuse Block Fuses 4, 12, 21, and 32
Fuse Block Fuses 3, 13, and 19
Cruise Control Schematics
A/T Range Switch and Indicators
Electronic Traction Control Switch and Indicators
G400
Turn/Hazard Lamps
Power, Ground and Dimming
Turn/Hazard Lamps
G400
Rear Parking Lamps
Rear Parking Lamps