GM Service Manual Online
For 1990-2009 cars only
Makes
🢒
Cadillac
🢒
2001
🢒
Catera
🢒 Ignition Controls - Ignition Coils
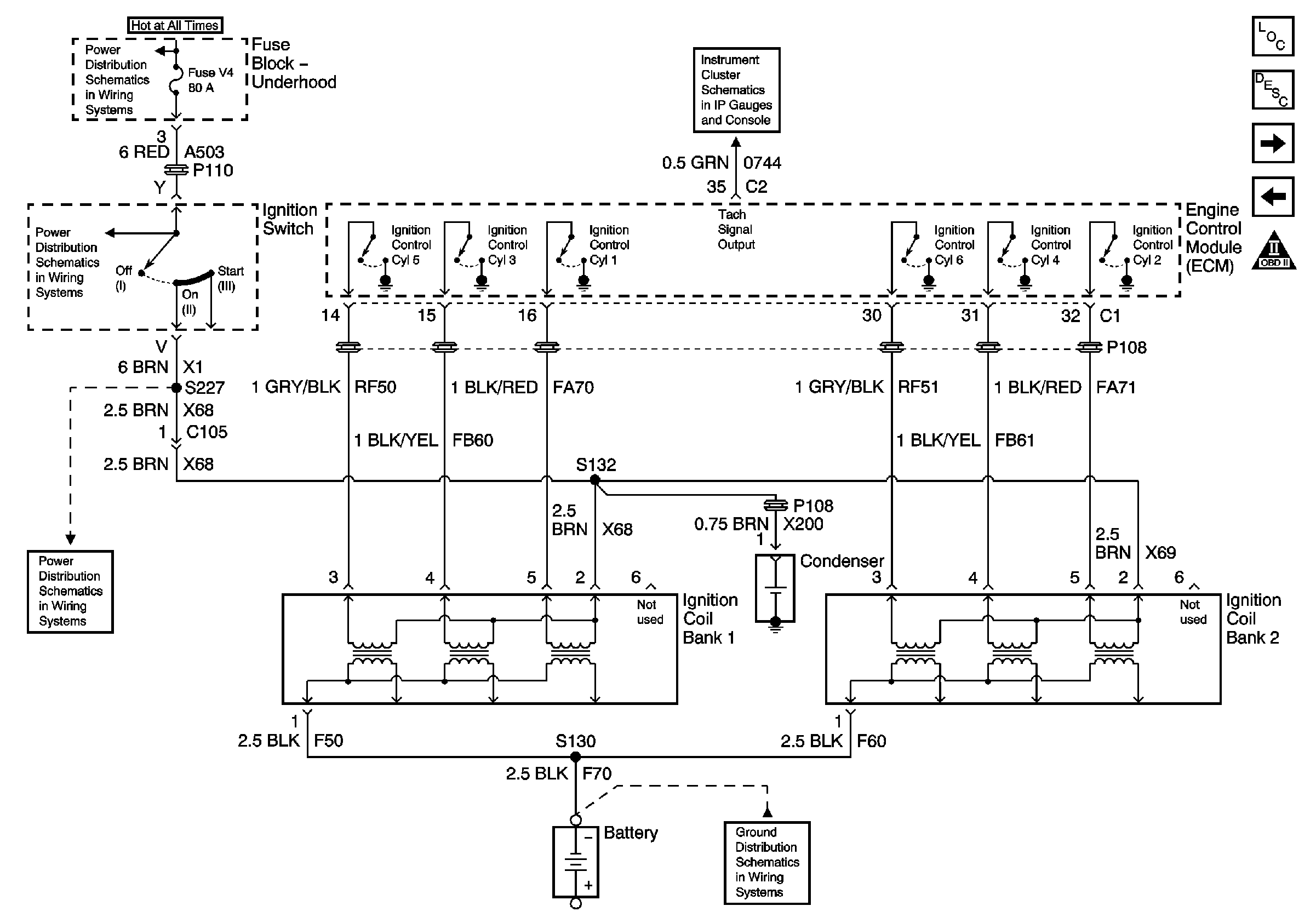
Ignition Controls - Ignition Coils
Ignition Coils
Master Electrical Component List
Electronic Ignition (EI) System Description
Ignition Controls - Sensors
Engine Data Sensors - APP Sensor
Engine Controls Schematic Icons
Battery Cable Bus
Tachometer, Speedometer and Overspeed Indicator
Underhood Fuse Block Fuses V1 and V4, and Ignition Switch
Underhood Fuse Block Fuses V1 and V4, and Ignition Switch
G103 (1 of 8)