GM Service Manual Online
For 1990-2009 cars only

Fuel System Diagnosis Fuel System Check

Circuit Description

Refer to
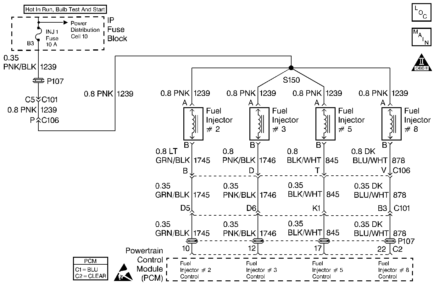
Object Number: 13317  Size: MF
Engine Controls Components
Fuel Injectors
OBD II Symbol Description Notice
ESD Notice
and
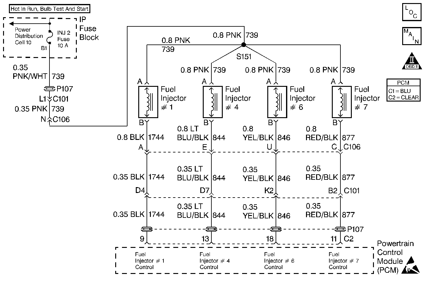
Object Number: 13319  Size: MF
Engine Controls Components
Fuel Injectors
OBD II Symbol Description Notice
ESD Notice
for an electrical diagram of this circuit.

The Fuel System Check provides a quick analysis of the fuel system. This chart then identifies more detailed diagnosis required based on the symptoms present.

The Fuel Leak/Odor Check provides a means of identifying a fuel system component that is causing a leak. This also provides information on how to diagnosis a fuel odor condition.

Diagnostic Aids

    • Nylon fuel lines are not repairable and must be replaced.
    • Evaporative Emission Control (EVAP) system problems may cause a fuel odor condition.
    • Rich engine operation may also cause a fuel odor condition.
    • Check all component and circuit grounds.

Test Description

Number(s) below refer to the step number(s) on the Diagnostic Table.

  1. If the engine does not start or stay running and there is no fuel pressure check all components and circuit grounds.

  2. The vehicle should be operated the same conditions as when the leak/odor occurs.

Fuel System Check

Step

Action

Value(s)

Yes

No

1

Was the Powertrain On-Board Diagnostic (OBD) System Check performed?

--

Go to Step 2

Go to A Powertrain On Board Diagnostic (OBD) System Check

2

Were you sent here from a DTC table?

--

Go to Step 4

Go to Step 3

3

Key On install the Scan Tool.

Are any PCM DTC(s) set?

--

Diagnose those DTC(s) first

Go to Step 4

4

Crank the engine.

Does the engine start and stay running?

--

Go to Step 5

Go to Fuel System Pressure Test

5

Is there a fuel leak or odor complaint?

--

Go to Step 10

Go to Step 6

6

Is there a fuel odor complaint?

--

Go to Step 11

Go to Step 7

7

Is there a fuel gage complaint?

--

Go to Electrical Diagnosis Instrument Panel Displays

Go to Step 8

8

Is there a economy complaint?

--

Go to Poor Fuel Economy

Go to Step 9

9

Are there any other driveability symptoms?

--

Go to Fuel System Pressure Test

Fuel System OK

10

Try to duplicate customer complaint.

Is there a fuel leak?

--

Go Step 12

Go to Excessive Exhaust Emissions or Odors

11

Try to duplicate customer complaint.

Is there a fuel odor?

--

Go to Excessive Exhaust Emissions or Odors

Fuel system OK

12

Repair fuel leak.

Is the repair complete?

--

Go to A Powertrain On Board Diagnostic (OBD) System Check

--

Fuel System Diagnosis Alcohol in Fuel

Alcohol in Fuel

Certain driveability complaints such as hesitation, lack of power, stall, no start, etc. may be caused by an excessive amount of alcohol in fuel. These complaints may be due to fuel system corrosion and subsequent fuel filter plugging, deterioration of rubber components, and/or air-fuel mixture leaning.

Various types and concentrations of alcohols are used in commercial fuel. Some alcohols are more detrimental to fuel system components than others. If an excessive amount of alcohol in the fuel is suspected as the cause of a driveability condition, the following procedure may be used to detect the presence of alcohol in the fuel. In this procedure, water is used to extract the alcohol from the fuel. However, the specific type of alcohol (methanol, ethanol, or methyl tertiary-butyl ether - MTBE) will not be determined by this procedure.

Testing Procedure

The fuel sample should be drawn from the bottom of the tank so that any water present in the tank will be detected. The sample should be bright and clear. If the sample appears cloudy, or contaminated with water, as indicated by a water layer at the bottom of the sample. This procedure should not be used, and the fuel system should be cleaned. Refer to Fuel System Cleaning .

  1. Using a 100 ml cylinder with 1 ml graduation marks, fill with fuel to the 90 ml mark.
  2. Add 10 ml of water to bring the total fluid volume to 100 ml and install a stopper.
  3. Shake vigorously for 10-15 seconds.
  4. Carefully loosen the stopper to release pressure.
  5. Close the stopper and shake vigorously again for 10-15 seconds.
  6. Carefully loosen the stopper to release pressure.
  7. Place the graduated cylinder on a level surface for approximately 5 minutes to allow adequate liquid separation.

If alcohol is present in the fuel, the volume of the lower layer (which would now contain both alcohol and water) will be greater than 10 ml. For example, if the volume of the lower layer is increased to 15 ml, it will indicate at least 5 percent alcohol in fuel. The actual amount of alcohol may be somewhat greater because this procedure does not extract all of the alcohol from the fuel.

Fuel System Diagnosis Driveabilty Problems Table

Fuel Related Driveability Problems Table

Symptom

Action

Poor cold start

Low volatility

Injector deposits

Refer to Fuel System Diagnosis .

Poor warm up

Low Volatility

Poor cold weather performance

Low Volatility

Poor hot start

High Volatility

Poor hot weather performance

High Volatility

Vapor lock

High Volatility

Spark/detonation

Low octane

Poor fuel economy

High volatility

Injector deposits

Refer to Fuel System Diagnosis .

Intake valve deposits

Refer to Fuel System Diagnosis .

Low octane

Excessive exhaust emissions

Low volatility

Sulfur deposits

Injector deposits

Refer to Fuel System Diagnosis .

Intake valve deposits

Refer to Fuel System Diagnosis .

Reduced Power

Low octane

Intake valve deposits

Refer to Fuel System Diagnosis .

Injector deposits

Improper volitility

Rough/unstable idle

Injector deposits

Refer to Fuel System Diagnosis .

Always begin the fuel and the air control system diagnosis with the Fuel System Check. This chart will identify other charts for specific checks, such as:

    • Fuel Pressure Check
    • Fuel Injector Coil Test
    • Fuel Injector Balance Test
    • Idle Speed Control Check

Diagnostic Aids

If there is no fuel pressure check all component and circuit grounds.

Fuel System Diagnosis Fuel Quality

Fuel

Certain driveability problems can be related to fuel quality. The Fuel Related Driveability Problems table lists some of those conditions and which fuel characteristic may be the cause. However, fuel testing is limited. Therefore, all other system checks must be performed (e.g. Powertrain System, Fuel System, Ignition System, Emission System) before fuel quality is diagnosed. If these checks fail to solve the problem, gain information from the customer about when the condition occurs, when and where the fuel was purchased, and which octane level was used. Ask the customer to change fuel brands. If the symptom persists, perform the Fuel System Diagnosis test. If this is not conclusive, drain the tank and refill with a known good quality fuel.

Fuel System Diagnosis Fuel System Deposits

Fuel System Deposits

Fuel system deposits can cause various driveability problems. Deposits usually occur during hot soaks after key Off. Poor fuel quality or driving patterns such as short trips followed by long cool down periods can cause injector deposits. This occurs when the fuel remaining in the injector tip evaporates and leaves deposits. Leaking injectors can increase injector deposits. Deposits on fuel injectors affect their spray pattern, which in turn could cause reduced power, unstable idle, hard starts and poor fuel economy.

Intake valve deposits can also be related to fuel quality. While most fuels contain deposit inhibitors, some do not and the effectiveness of deposit inhibitors varies by manufacturer. If intake valve deposits occur, fuel may be suspected. These deposits can cause symptoms such as excessive exhaust emissions, power loss and poor fuel economy.

Fuel System Diagnosis Idle Speed Control Check

Circuit Description

Refer to
Object Number: 13020  Size: SF
Engine Controls Components
IAC Valve and PSP/ Oil Level/ TR Switches
OBD II Symbol Description Notice
ESD Notice
for an electrical diagram of this circuit.

The Idle Speed Control Check verifies proper IAC valve operation.

Test Description

Number(s) below refer to the step number(s) on the Diagnostic Table.

  1. This check test the IAC valve to make sure that it is moving in and out without binding. Follow PCM DTC P1508 diagnosis to identify the cause of a faulty IAC valve.

  2. This procedure checks for high minimum air idle which could cause a high idle at closed throttle. It is OK if the engine cannot stay running at minimum air idle.

  3. This procedure checks for IAC ability to increase idle speed.

Idle Speed Control Check

Step

Action

Value(s)

Yes

No

1

Was the Powertrain On-Board Diagnostic (OBD) System Check performed?

--

Go to Step 2

Go to A Powertrain On Board Diagnostic (OBD) System Check

2

Were you sent here from a DTC table?

--

Go to Step 4

Go to Step 3

3

  1. Connect the scan tool.
  2. Turn the Key to the On position.

Are any PCM DTC(s) set?

--

Diagnosis those DTC(s) first

Go to Step 4

4

  1. Start and idle the engine.
  2. Turn all of the accessories Off.
  3. Connect the scan tool.
  4. Select Special Functions
  5. Select IAC System in RPM Control.
  6. Command the engine speed up 1500 RPM, down to 500 RPM then back to 1500 RPM while monitoring the Engine Speed display.

Does the Engine Speed remain within the specified value of Desired Idle for each RPM command?

50 RPM

Go to Step 5

Go to DTC P1508 Idle Speed Low - Idle Air Control (IAC) System Not Responding

5

Command IAC to minimum RPM (full closed position).

Is idle above the value specified?

500 RPM

Go to Step 6

Go to Step 7

6

  1. Inspect for vacuum leaks in the air intake system and vacuum system.
  2. Repair vacuum leaks if any.

Was a leak found and repaired?

--

System OK

Go to Step 9

7

Command IAC to maximum RPM (full open position).

Is idle below the value specified?

1500 RPM

Go to Step 8

System OK

8

Replace IAC valve. Refer to Idle Air Control Valve Replacement .

Is repair complete?

--

System OK

--

9

Replace throttle body.

Refer to Throttle Body Assembly Replacement .

Is the repair complete?

 

System OK

Go to A Powertrain On Board Diagnostic (OBD) System Check