GM Service Manual Online
For 1990-2009 cars only
Makes
🢒
Cadillac
🢒
2006
🢒
DTS
🢒
Vehicle Control Systems
🢒
Vehicle DTC Information
🢒 OnStar Schematics
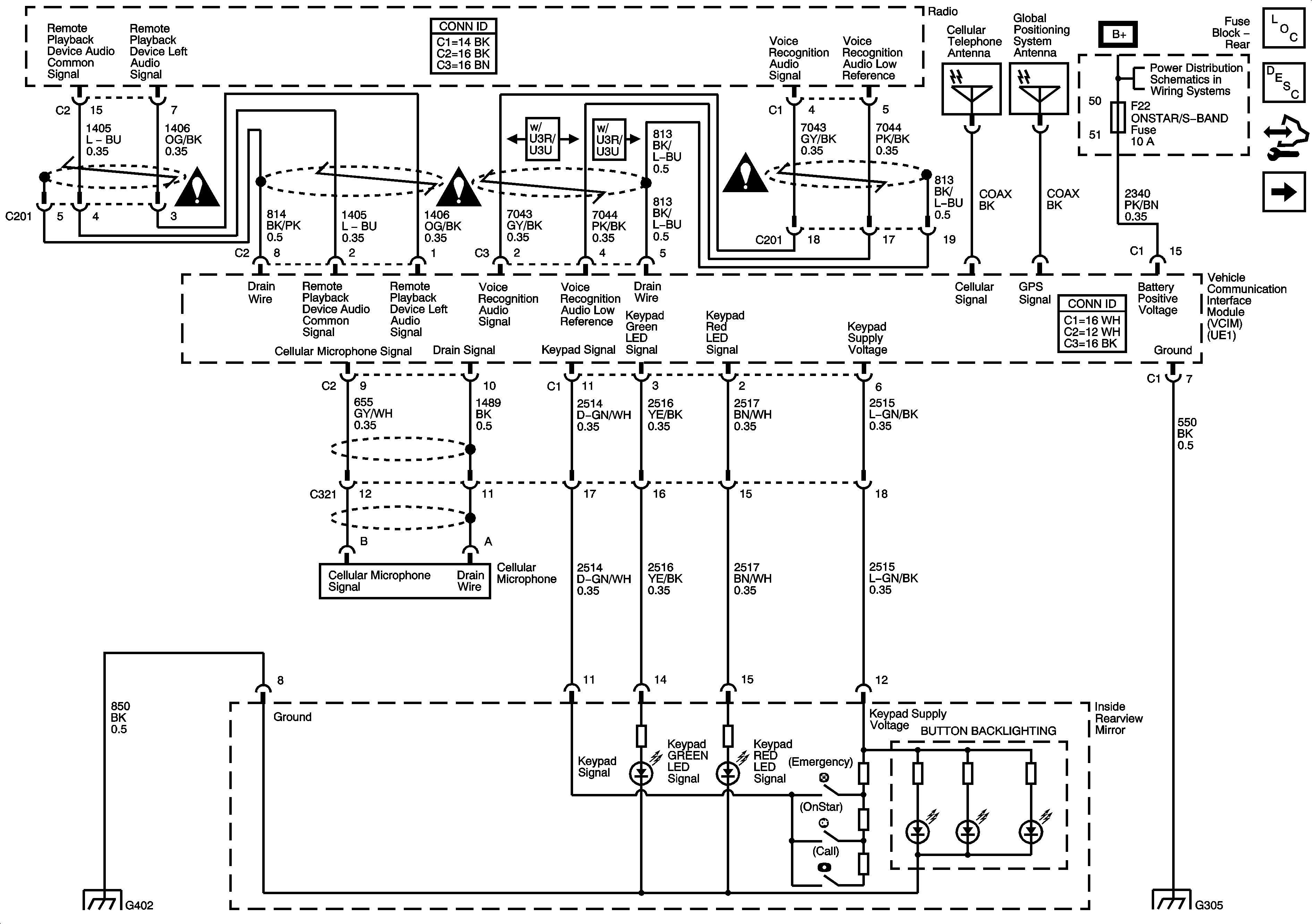
Figure
1:
OnStar - UE1
Master Electrical Component List
OnStar Description and Operation
Control Module References
Data Link Communications
Rear Fuse Block B+ Bus
G305
DLC Power, Ground, and Low Speed GMLAN
G402
Cellular Communication Schematic Icons
Cellular Communication Schematic Icons
Cellular Communication Schematic Icons
Figure
2:
Data Link Communication
Master Electrical Component List
OnStar Description and Operation
Control Module References
UE1
DLC Power, Ground, and Low Speed GMLAN
DLC High Speed Serial Data