GM Service Manual Online
For 1990-2009 cars only
Figure 1:

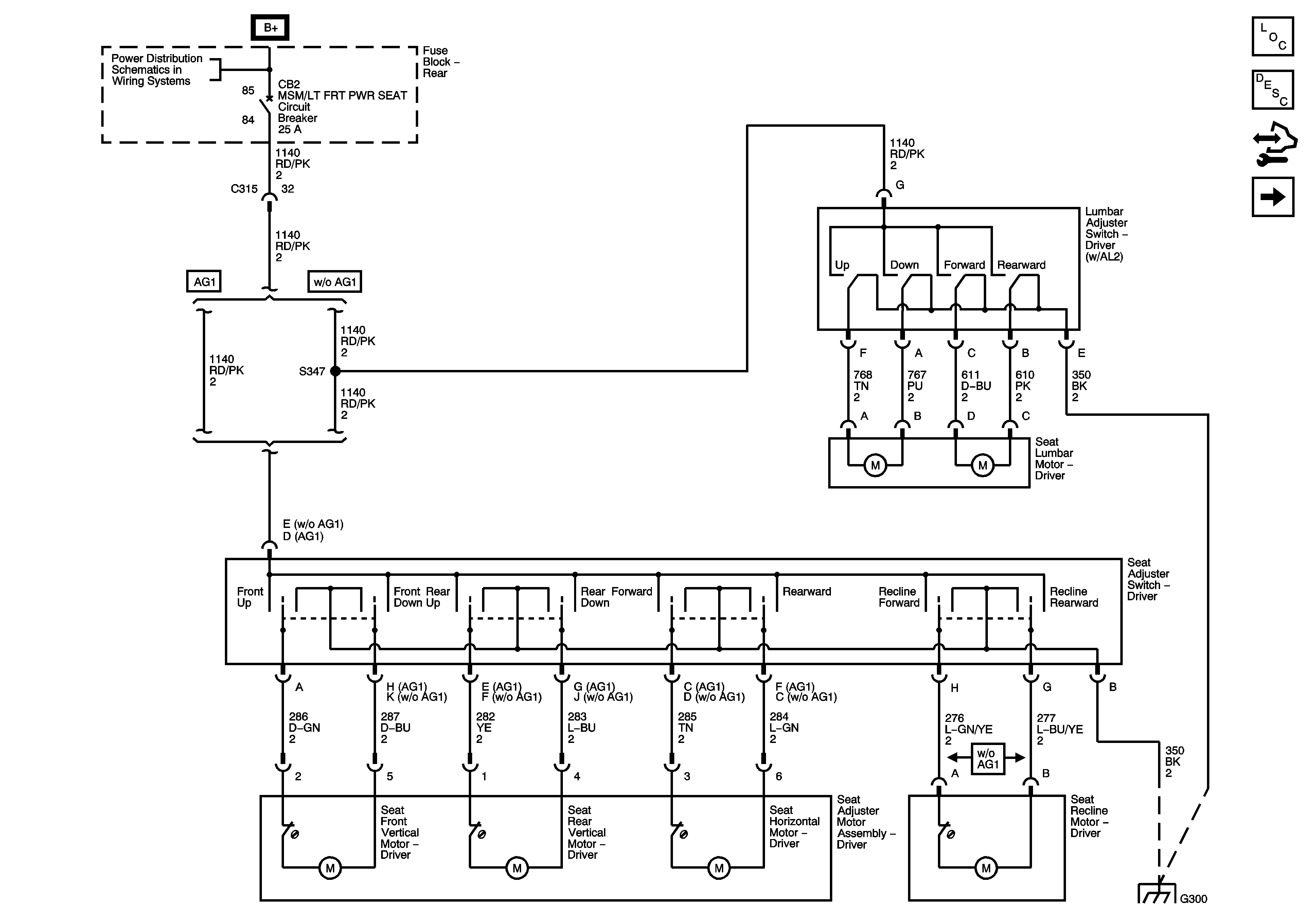
w/o A45


Object Number: 1615591  Size: FS
Master Electrical Component List
Power Seats System Description and Operation
Control Module References
w/A45
Rear Fuse Block B+ Bus
G300
Figure 2:

w/A45


Object Number: 1615592  Size: FS
Master Electrical Component List
Memory Seats Description and Operation
Control Module References
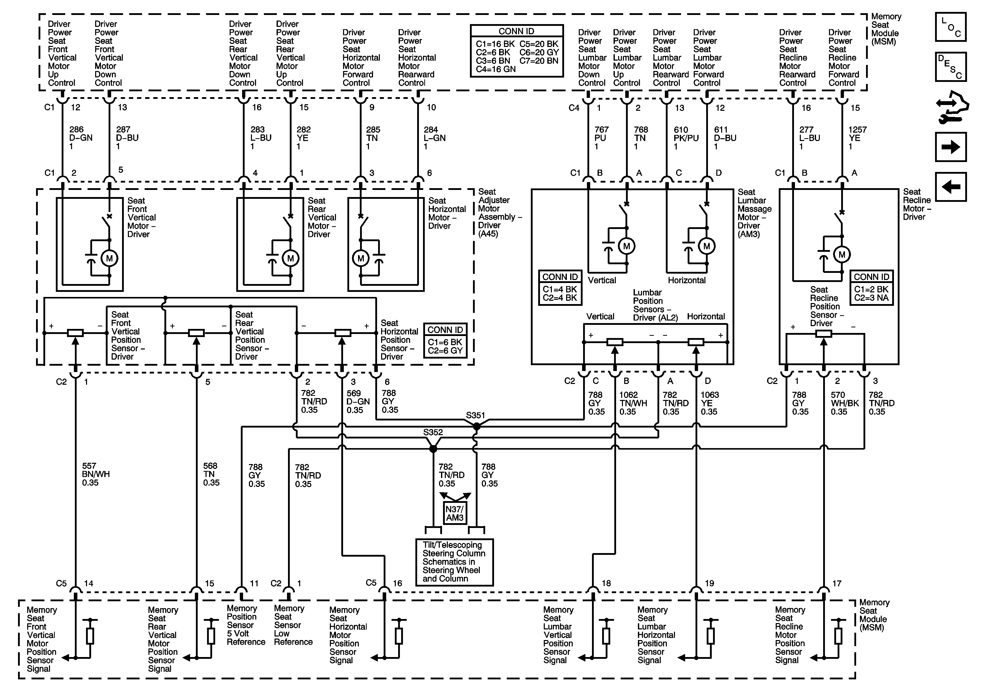
Position Sensors
w/o A45
Rear Fuse Block B+ Bus
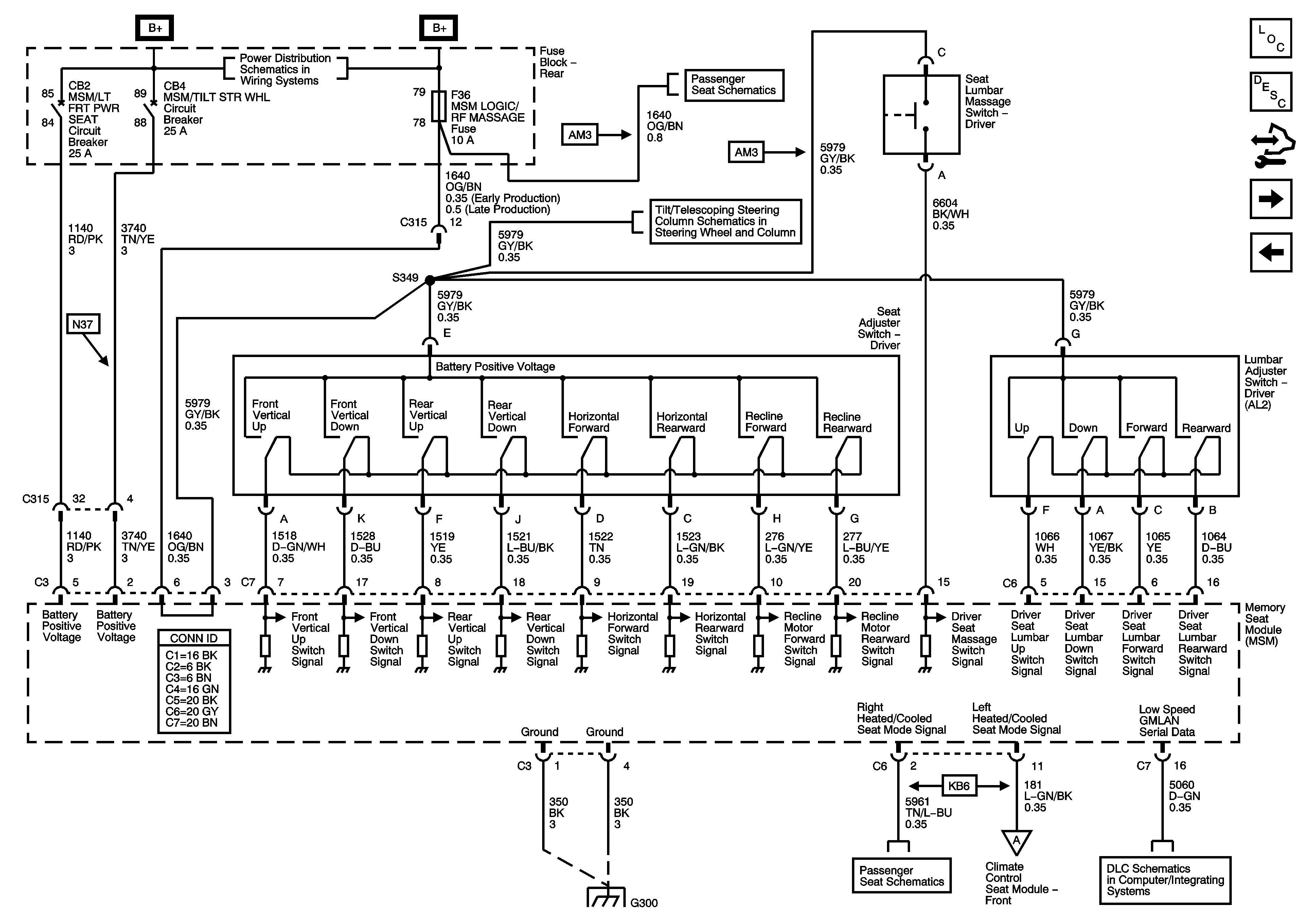
w/ AM3
Tilt/Telescoping N37
G300
Passenger Heated and Cooled Seat KB6
Heated and Cooled Seat KB6
DLC Power, Ground, and Low Speed GMLAN
Figure 3:

Position Sensors


Object Number: 1615593  Size: FS
Master Electrical Component List
Memory Seats Description and Operation
Control Module References
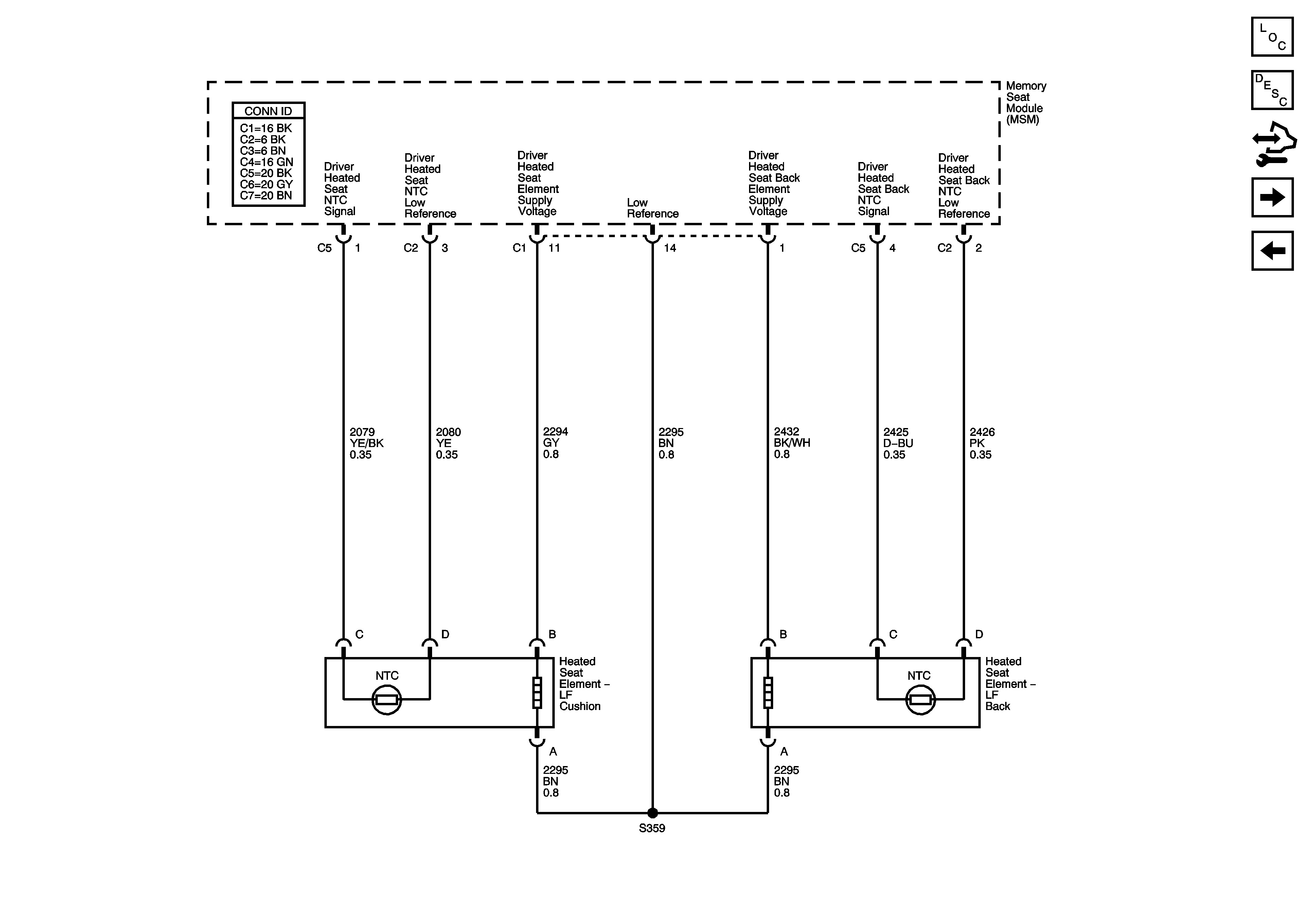
Heated Seat KA1
w/A45
Tilt/Telescoping N37
Figure 4:

Heated Seat - KA1


Object Number: 1615594  Size: FS
Master Electrical Component List
Rear Heated Seats Description and Operation
Control Module References
Heated and Cooled Seat KB6
Position Sensors
Figure 5:

Heated and Cooled Seat - KB6


Object Number: 1615595  Size: FS
Master Electrical Component List
Heated/Cooled Seats Description and Operation
Control Module References
Heated Cooled Seat Switch KA1 KB6
Heated Seat KA1
w/A45
Rear Fuse Block B+ Bus
G300
Figure 6:

Heated/Cooled Seat Switch - KA1/KB6


Object Number: 1615596  Size: FS
Master Electrical Component List
Heated/Cooled Seats Description and Operation
Control Module References
Heated and Cooled Seat KB6
DLC Power, Ground, and Low Speed GMLAN