GM Service Manual Online
For 1990-2009 cars only
Figure 1:

Front Park, Marker, Position Lamps


Object Number: 1615522  Size: FS
Master Electrical Component List
Exterior Lighting Systems Description and Operation
Control Module References
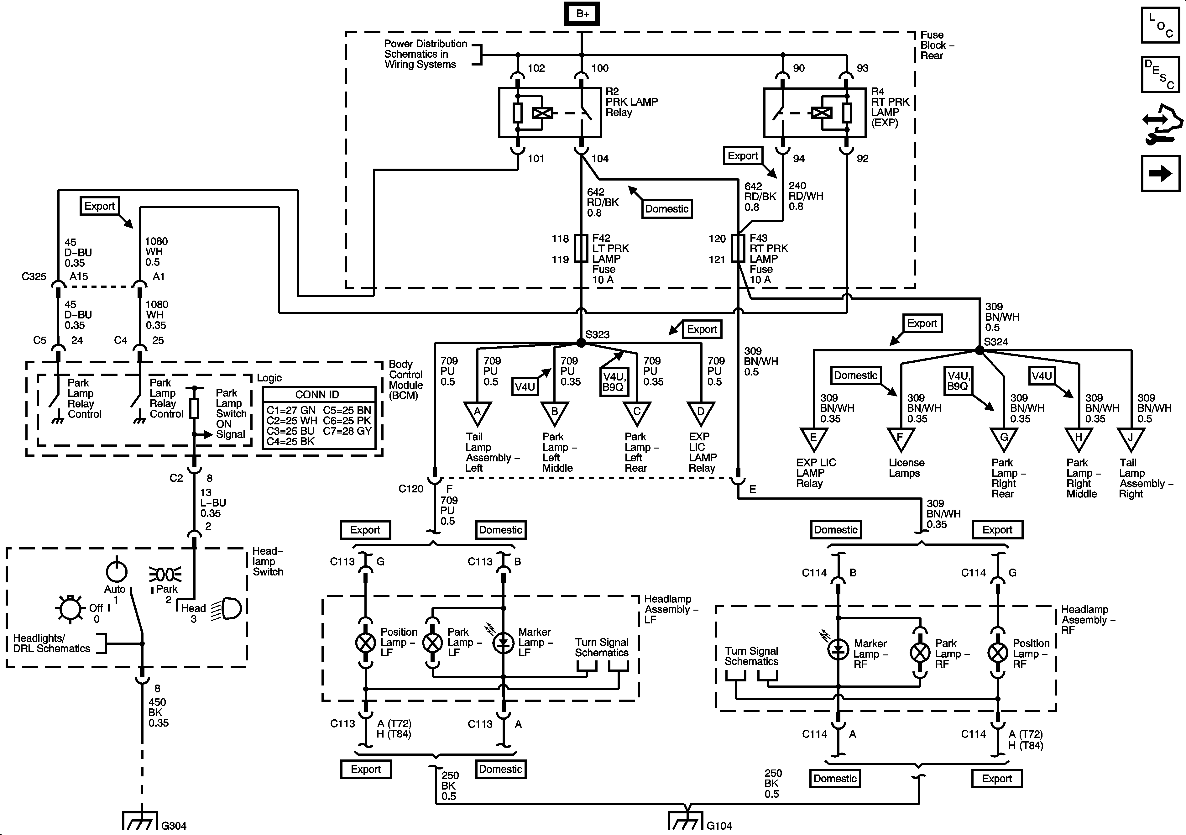
Rear Park and Tail Lamps
Rear Fuse Block - PRK LAMP, RT PRK LAMP (Export), EXP LIC LAMP (Export) Relays, I/P HARN MDL, LT PRK LAMP, RT PRK LAMP Fuses
Rear Park and Tail Lamps
Rear Park and Tail Lamps
Rear Park and Tail Lamps
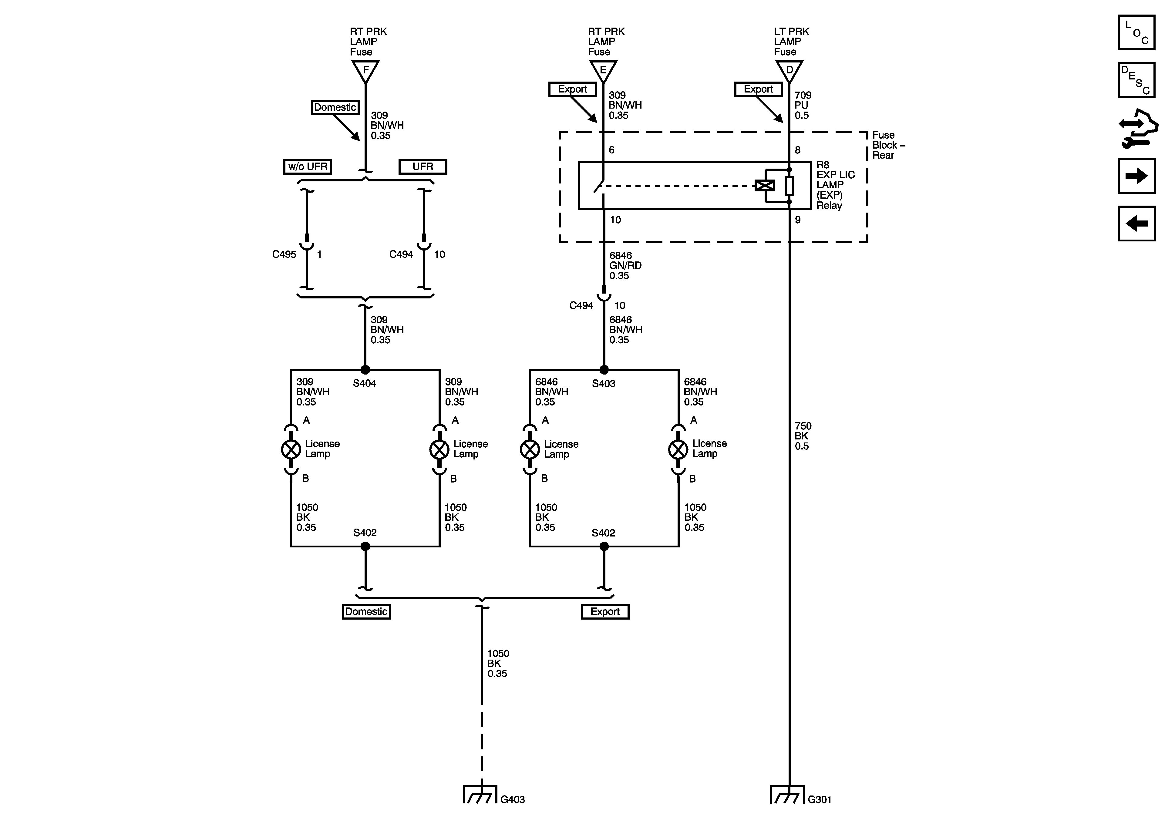
License Lamps
License Lamps
License Lamps
Rear Park and Tail Lamps
Rear Park and Tail Lamps
Rear Park and Tail Lamps
G304
G104
Figure 2:

Rear Park and Tail Lamps


Object Number: 1615524  Size: FS
Master Electrical Component List
Exterior Lighting Systems Description and Operation
Control Module References
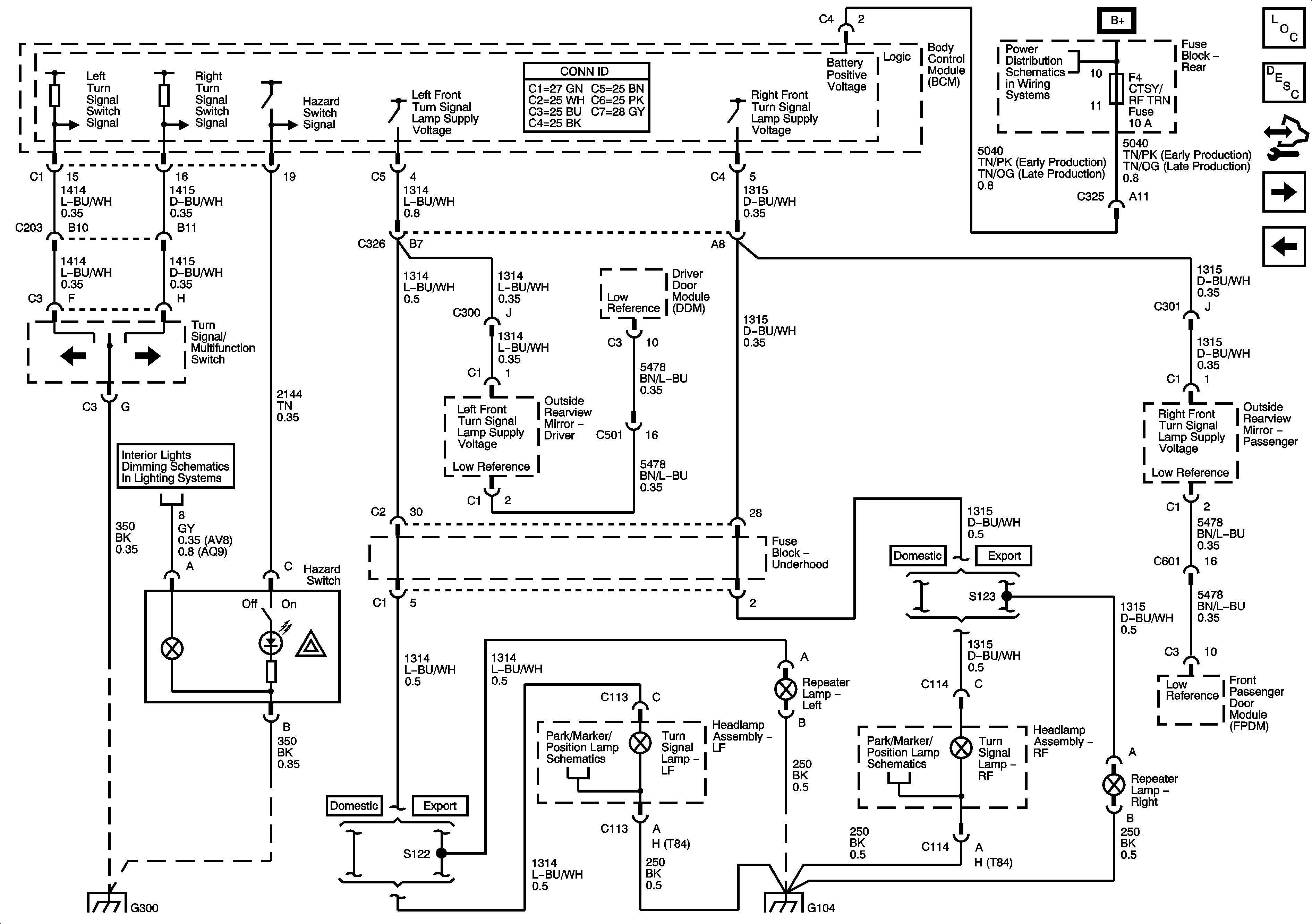
License Lamps
Front Park, Marker, Position Lamps
Front Park, Marker, Position Lamps
Front Park, Marker, Position Lamps
Front Park, Marker, Position Lamps
Front Park, Marker, Position Lamps
Front Park, Marker, Position Lamps
Front Park, Marker, Position Lamps
G402
G403
G301
G304
G301
G304
Figure 3:

License Lamps


Object Number: 1615525  Size: FS
Master Electrical Component List
Exterior Lighting Systems Description and Operation
Control Module References
Front Turn Signal/Hazard Lamps
Rear Park and Tail Lamps
Front Park, Marker, Position Lamps
Front Park, Marker, Position Lamps
Front Park, Marker, Position Lamps
G403
G301
Figure 4:

Front Turn Signal/Hazard Lamps


Object Number: 1615526  Size: FS
Master Electrical Component List
Exterior Lighting Systems Description and Operation
Control Module References
Cornering Lamps
License Lamps
Hazard, Headlamp, Driver Information Display Switches, Ashtray, HVAC Control Module, Radio, Clock
G300
G104
Figure 5:

Cornering Lamps


Object Number: 1615527  Size: FS
Master Electrical Component List
Exterior Lighting Systems Description and Operation
Control Module References
Stop/Rear Turn Signal Lamps
Front Turn Signal/Hazard Lamps
Underhood Fuse Block B+ Bus
Fog Lamps
Fog Lamps
G104
Figure 6:

Stop/Rear Turn Signal Lamps


Object Number: 1615528  Size: FS
Master Electrical Component List
Exterior Lighting Systems Description and Operation
Control Module References
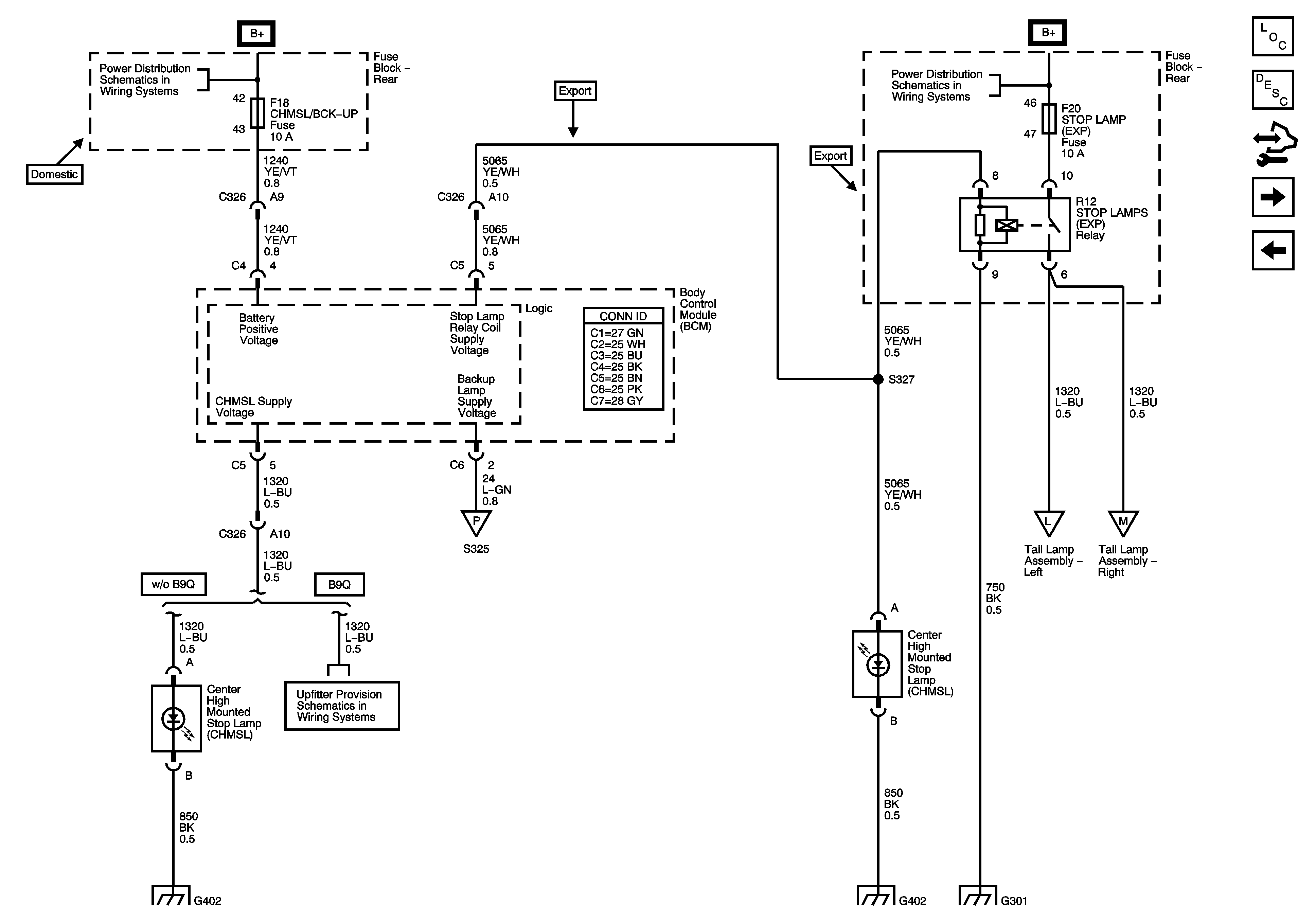
Center High Mounted Stop Lamp
Cornering Lamps
Rear Fuse Block - LT TRN/SIG, RR TRN/SIG, CHMSL/BCK-UP, INT LAMPS, SWTCH DM Fuses, DR MDL/PWR WNDW Circuit Breaker
Center High Mounted Stop Lamp
G402
G403
Center High Mounted Stop Lamp
Figure 7:

Center High Mounted Stop Lamp


Object Number: 1615529  Size: FS
Master Electrical Component List
Exterior Lighting Systems Description and Operation
Control Module References
Backup Lamps
Stop/Rear Turn Signal Lamps
Rear Fuse Block B+ Bus
Backup Lamps
Upfitter Provisions, Rear Door Latch (B9Q)
G402
Rear Fuse Block B+ Bus
Stop/Rear Turn Signal Lamps
Stop/Rear Turn Signal Lamps
G402
G301
Figure 8:

Backup Lamps


Object Number: 1615530  Size: FS
Master Electrical Component List
Exterior Lighting Systems Description and Operation
Control Module References
Center High Mounted Stop Lamp
Center High Mounted Stop Lamp
G402
G403