GM Service Manual Online
For 1990-2009 cars only
Makes
🢒
Cadillac
🢒
2006
🢒
DTS
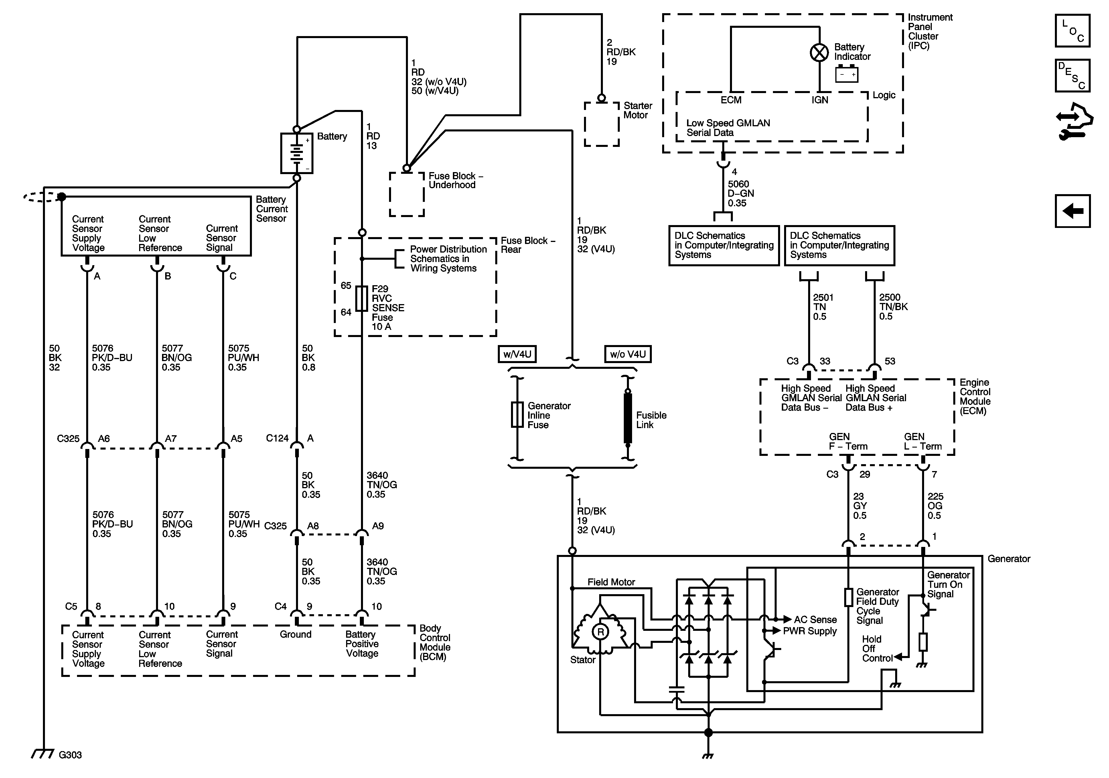
🢒 Charging Schematic
Charging Schematic
Charging
Master Electrical Component List
Starting System Description and Operation
Control Module References
Starting Schematics 2 of 2
Rear Fuse Block B+ Bus
DLC Power, Ground, and Low Speed GMLAN
DLC High Speed Serial Data