GM Service Manual Online
For 1990-2009 cars only
Makes
🢒
Cadillac
🢒
2006
🢒
DTS
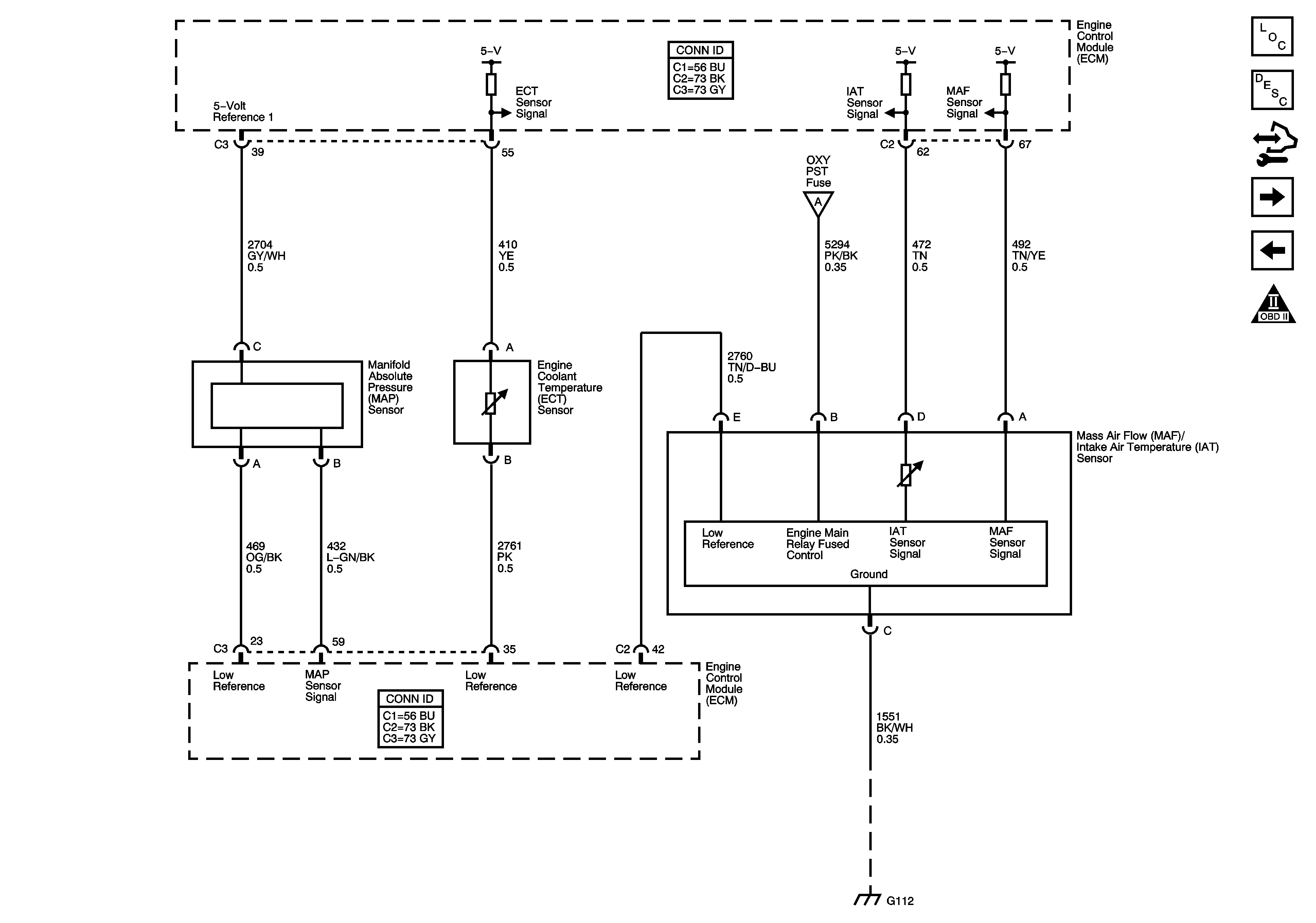
🢒 Engine Data Sensors Pressure, Temp and MAF/IAT
Engine Data Sensors Pressure, Temp and MAF/IAT
Engine Data Sensors - Pressure, Temp and MAF/IAT
Master Electrical Component List
Engine Control Module Description
Control Module References
Engine Data Sensors, HO2S
Engine Data Sensors, 5V Reference Bussing
Engine Controls Schematic Icons
Power, Ground, MIL and DLC
G100, G112