GM Service Manual Online
For 1990-2009 cars only
Makes
🢒
Cadillac
🢒
2006
🢒
DTS
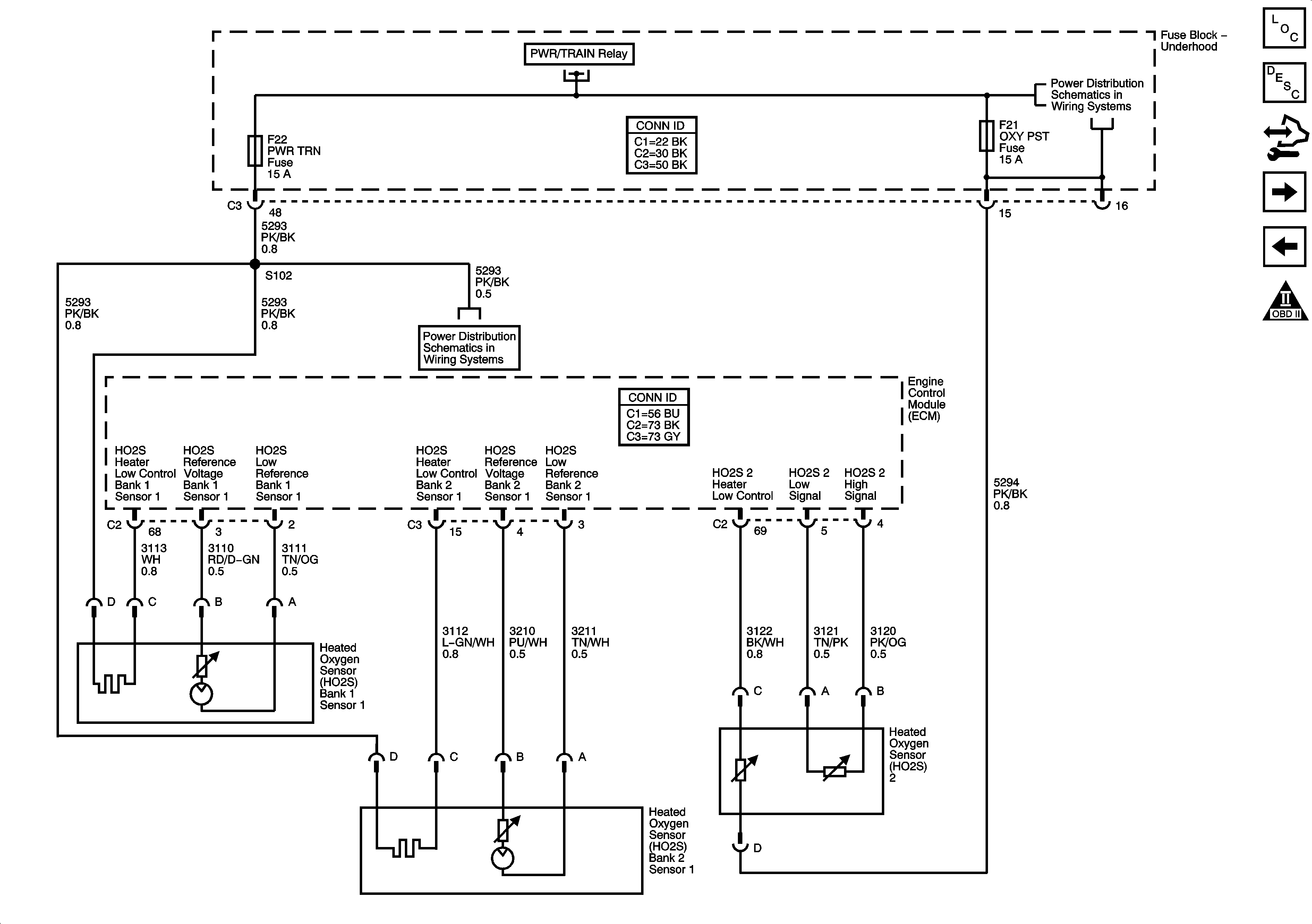
🢒 Engine Data Sensors, HO2S
Engine Data Sensors, HO2S
Engine Data Sensors, HO2S
Master Electrical Component List
Engine Control Module Description
Control Module References
Engine Data Sensors, APP and Throttle Body Assembly
Engine Data Sensors Pressure, Temp and MAF/IAT
Engine Controls Schematic Icons
Underhood Fuse Block - PWR/TRAIN, AIR PUMP, AIR/SOL Relays, AIR PUMP, AIR/SOL, ECM/CRNK, INJ/COIL, PWR TRN Fuses
Underhood Fuse Block - PWR/TRAIN, AIR PUMP, AIR/SOL Relays, AIR PUMP, AIR/SOL, ECM/CRNK, INJ/COIL, PWR TRN Fuses
Underhood Fuse Block - AIR PUMP, AIR/SOL, A/C, COOL/FAN 2, COOL/FAN, COOL FAN 1 Relays, INJ/COIL, OXY PST Fuses