GM Service Manual Online
For 1990-2009 cars only
Makes
🢒
Cadillac
🢒
2006
🢒
DTS
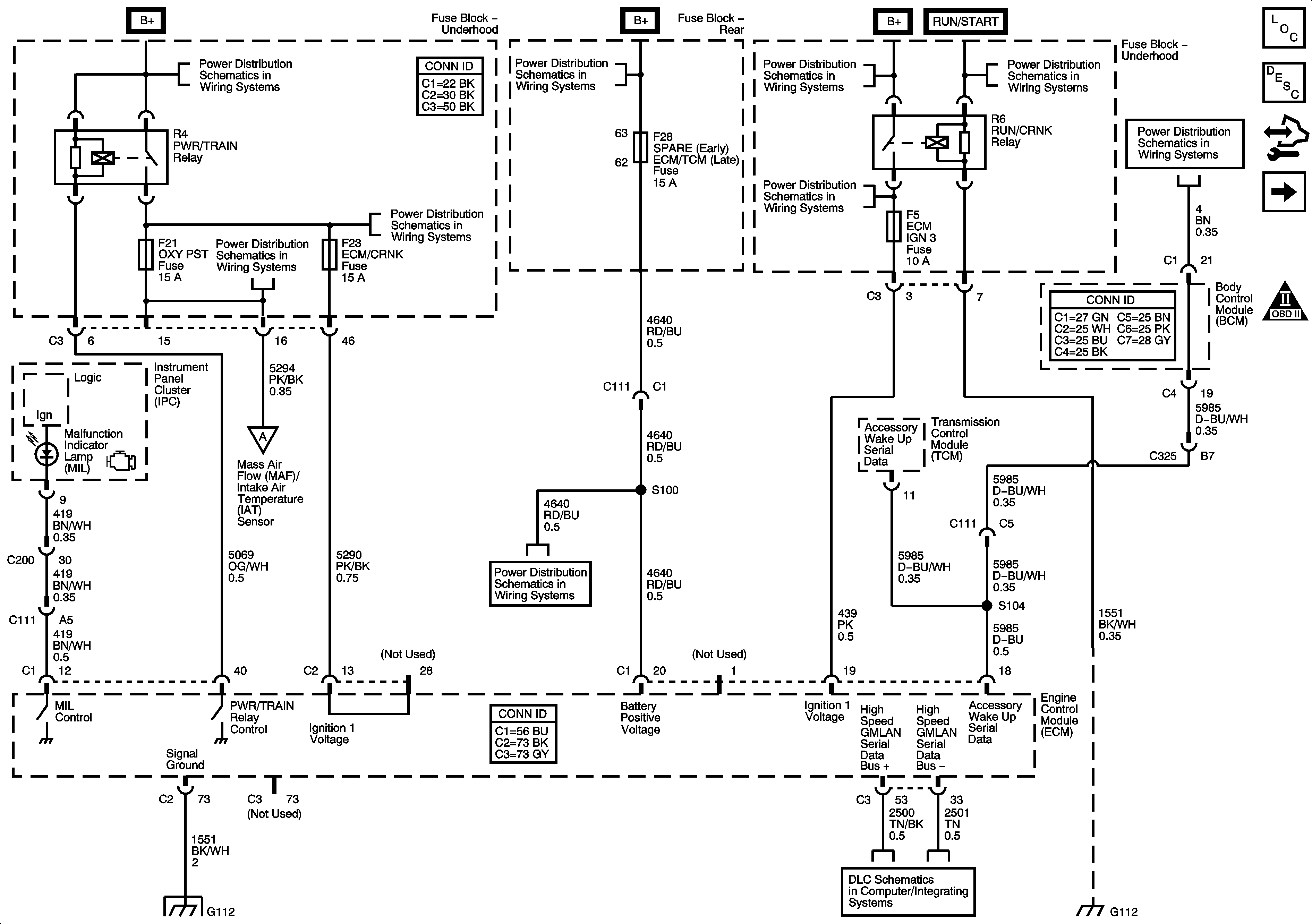
🢒 Power, Ground, MIL and DLC
Power, Ground, MIL and DLC
Power, Ground, MIL and DLC
Master Electrical Component List
Engine Control Module Description
Control Module References
Engine Data Sensors, 5V Reference Bussing
Engine Controls Schematic Icons
Underhood Fuse Block B+ Bus
Underhood Fuse Block - PWR/TRAIN, AIR PUMP, AIR/SOL Relays, AIR PUMP, AIR/SOL, ECM/CRNK, INJ/COIL, PWR TRN Fuses
Rear Fuse Block - MSM/RT FRT PWR SEAT, MSM LT FRT PWR SEAT, MSM/TILT STR WHL Circuit Breakers, SPARE (Early), ECT/TCM (Late), MSM LOGIC/RF MASSAGE Fuses
Underhood Fuse Block B+ Bus
Underhood Fuse Block - RUN/CRANK Relay, TRANS IGN 3, AIRBAG IGN 3, HVAC/IPC, ECM IGN 3 Fuses
Underhood Fuse Block B+ Bus
Rear Fuse Block IGN SWTCH, STR/WHL ILLUM Fuses
Rear Fuse Block - MSM/RT FRT PWR SEAT, MSM LT FRT PWR SEAT, MSM/TILT STR WHL Circuit Breakers, SPARE (Early), ECT/TCM (Late), MSM LOGIC/RF MASSAGE Fuses
G100, G112
DLC High Speed Serial Data
G100, G112
Engine Data Sensors Pressure, Temp and MAF/IAT