GM Service Manual Online
For 1990-2009 cars only
Makes
🢒
Cadillac
🢒
2006
🢒
DTS
🢒 EVAP Controls
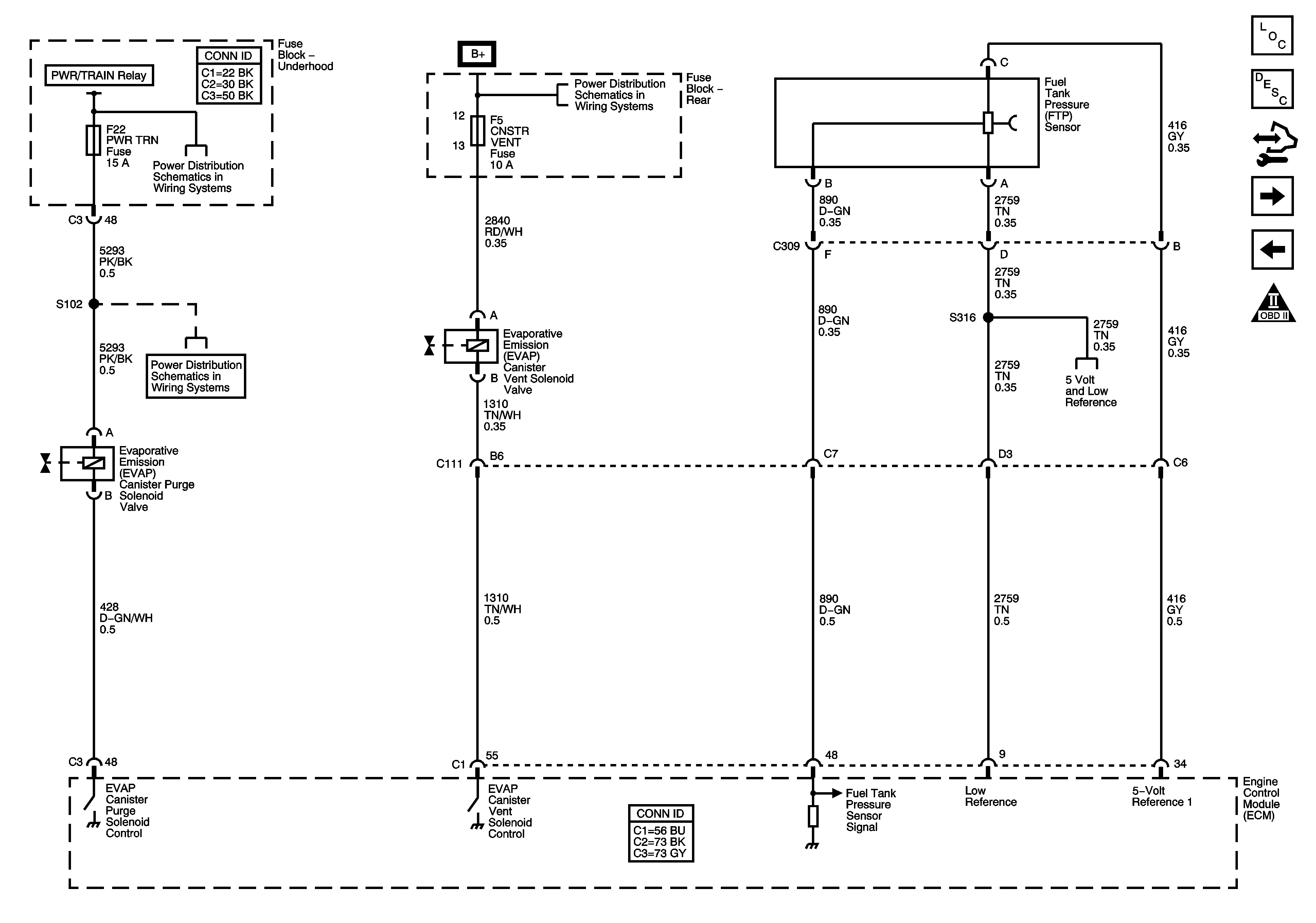
EVAP Controls
EVAP Controls
Master Electrical Component List
Fuel System Description
Control Module References
AIR, EGR
Fuel Controls
Engine Controls Schematic Icons
Underhood Fuse Block B+ Bus
Rear Fuse Block B+ Bus
Underhood Fuse Block - PWR/TRAIN, AIR PUMP, AIR/SOL Relays, AIR PUMP, AIR/SOL, ECM/CRNK, INJ/COIL, PWR TRN Fuses
Engine Data Sensors, 5V Reference Bussing