GM Service Manual Online
For 1990-2009 cars only
Makes
🢒
Cadillac
🢒
2006
🢒
DTS
🢒 Fuel Controls
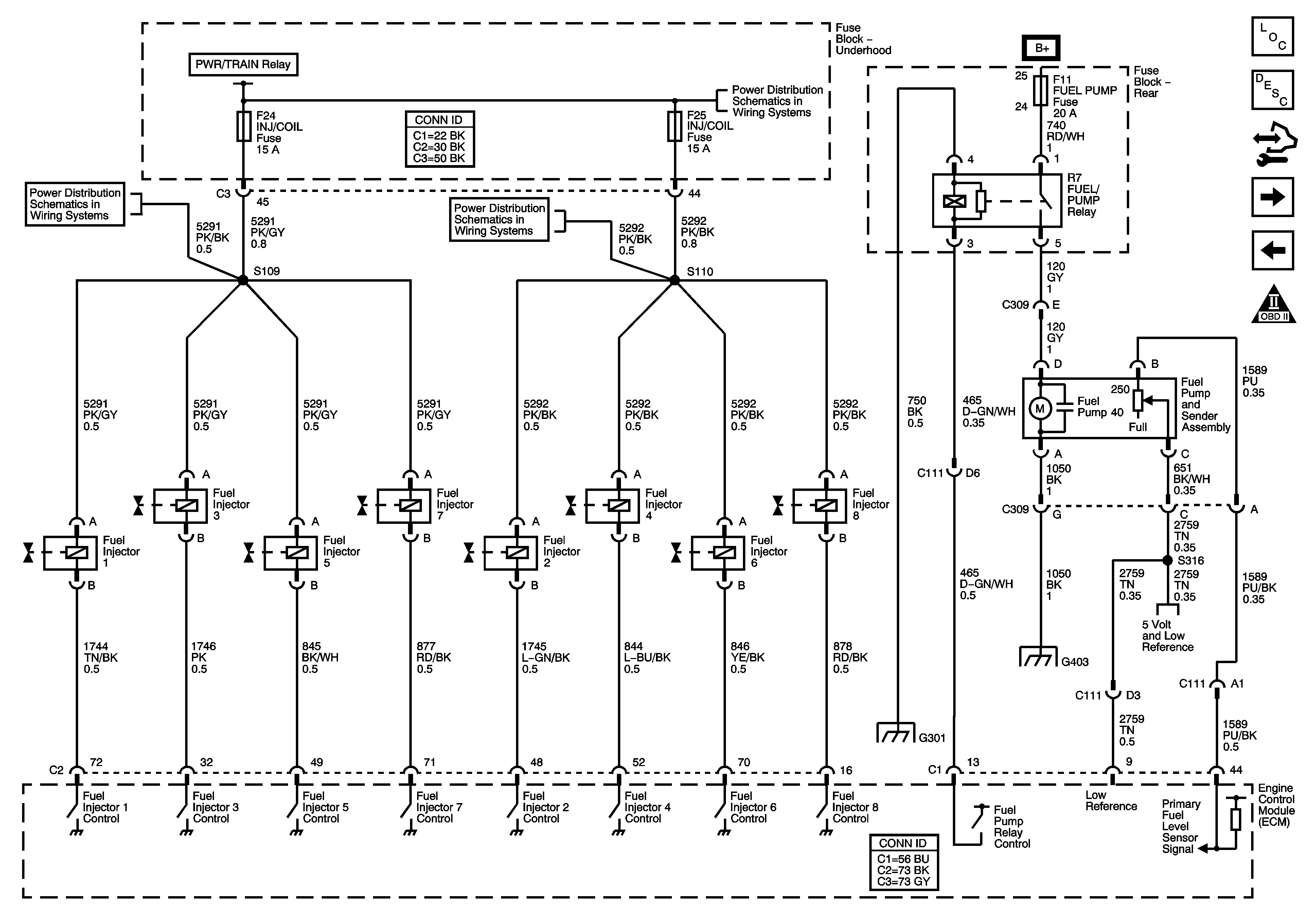
Fuel Controls
Fuel Controls
Master Electrical Component List
Electronic Ignition (EI) System Description
Control Module References
EVAP Controls
CKP, CMP, Knock Sensors
Engine Controls Schematic Icons
Underhood Fuse Block B+ Bus
Underhood Fuse Block B+ Bus
Underhood Fuse Block - PWR/TRAIN, AIR PUMP, AIR/SOL Relays, AIR PUMP, AIR/SOL, ECM/CRNK, INJ/COIL, PWR TRN Fuses
Underhood Fuse Block - AIR PUMP, AIR/SOL, A/C, COOL/FAN 2, COOL/FAN, COOL FAN 1 Relays, INJ/COIL, OXY PST Fuses
G301
G403
Engine Data Sensors, 5V Reference Bussing